h1_key

TI(德州仪器) TAS5706B
德州仪器 (TI) 全系列产品在线购买
  • TI(德州仪器) TAS5706B
  • TI(德州仪器) TAS5706B
  • TI(德州仪器) TAS5706B
  • TI(德州仪器) TAS5706B
  • TI(德州仪器) TAS5706B
  • TI(德州仪器) TAS5706B
立即查看
您当前的位置: 首页 > 音频 > 音频放大器 > 扬声器放大器 > TAS5706B
TAS5706B

TAS5706B

正在供货

具有扬声器 EQ、DRC 和单端输出的 20W 立体声、10V 至 26V、数字输入、D 级音频放大器

产品详情
  • 说明
  • 特性
  • 参数
  • 封装 | 引脚 | 尺寸

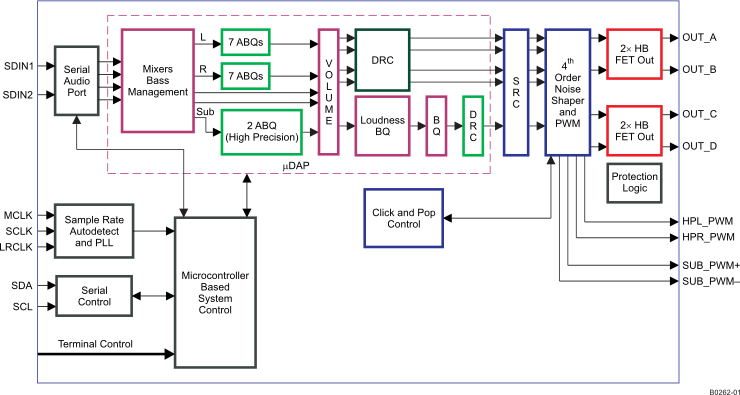
The TAS5706A/B is a 20-W, efficient, digital audio power amplifier for driving stereo bridged-tied speakers. Two serial data inputs allow processing of up to four discrete audio channels and seamless integration to most digital audio processors and MPEG decoders, accepting a wide range of input data and clock rates. A fully programmable data path allows these channels to be routed to the internal speaker drivers or output via the subwoofer or headphone PWM outputs.

The TAS5706A/B is a slave-only device receiving all clocks from external sources. The TAS5706A/B operates at a 384-kHz switching rate for 32-, 48-, 96-, and 192-kHz data, and at a 352.8 kHz switching rate for 44.1-, 88.2-, and 176.4-kHz data. The 8× oversampling combined with the fourth-order noise shaper provides a flat noise floor and excellent dynamic range from 20 Hz to 20 kHz.

  • Audio Input/Output
    • 20-W into an 8- Load From an 18-V Supply
    • Two Serial Audio Inputs (Four Audio Channels)
  • TAS5706A Supports:
    • 2-Ch Bridged Outputs (20 W × 2)
  • TAS5706B Supports:
    • 2-Ch Bridged Outputs (20 W × 2)
    • 4-Ch Single-Ended Outputs (10 W × 4)
    • 2-Ch Single-Ended + 1-Ch Bridged (2.1 Mode) (10 W × 2 + 20 W)
  • Supports 32-kHz-192-kHz Sample Rates (LJ/RJ/I2S)
  • Closed Loop Power Stage Architecture
    • Improved PSRR Reduces Power Supply Performance Requirements
    • Higher Damping Factor Provides for Tighter, More Accurate Sound With Improved Bass Response
    • Constant Output Power Over Variation in Supply
  • Wide PVCC Range From (10 V to 26 V)
    • No Separate Supply Required for Gate Drive
  • Headphone PWM Outputs
  • Subwoofer PWM Outputs
  • AM Interference Avoidance Support
  • Audio/PWM Processing
    • Independent Channel Volume Controls With 48-dB to -79-dB Range—Soft Mute (50% Duty Cycle)
    • Programmable Dynamic Range Control
    • 7 Programmable Biquads for Speaker Equalization for Left and Right Channels
    • 4 Programmable Biquads for Bass Processing
    • Adaptive Biquad Coefficients for EQ and DRC Filters
    • Programmable Input and Output Mixers
    • Automatic Sample-Rate Detection and Coefficient Banking
  • General Features
    • Serial Control Interface Operational Without MCLK
    • Factory-Trimmed Internal Oscillator Avoids the Need for External Crystal
    • Surface Mount, 64-Terminal, 10-mm × 10-mm HTQFP Package
    • Thermal and Short-Circuit Protection

All trademarks are the property of their respective owners.

Audio input typeDigital Input
ArchitectureClass-D
Speaker channels (max)4
RatingCatalog
Power stage supply (max) (V)26
Power stage supply (min) (V)10
Load (min) (Ω)4
Output power (W)20
SNR (dB)99
THD + N at 1 kHz (%)0.05
Iq (typ) (mA)33
Control interfaceHardware, Software
Closed/open loopClosed
Analog supply (min) (V)3
Analog supply voltage (max) (V)3.6
Sampling rate (max) (kHz)192
PSRR (dB)60
Operating temperature range (°C)0 to 85
HTQFP (PAP)64144 mm² 12 x 12
产品购买
  • 商品型号
  • 封装
  • 工作温度
  • 包装
  • 价格
  • 现货库存
  • 操作
10s
温馨提示:
订单商品问题请移至我的售后服务提交售后申请,其他需投诉问题可移至我的投诉提交,我们将在第一时间给您答复
返回顶部