h1_key

TI(德州仪器) TAS5342LA
德州仪器 (TI) 全系列产品在线购买
  • TI(德州仪器) TAS5342LA
  • TI(德州仪器) TAS5342LA
  • TI(德州仪器) TAS5342LA
  • TI(德州仪器) TAS5342LA
  • TI(德州仪器) TAS5342LA
  • TI(德州仪器) TAS5342LA
立即查看
您当前的位置: 首页 > 音频 > 音频放大器 > 扬声器放大器 > TAS5342LA
TAS5342LA

TAS5342LA

正在供货

具有低 RDSon 的 100W 立体声、200W 单声道、10.8V 至 13.2V 电源电压、PWM 输入开环 D 级音频放大器

产品详情
  • 说明
  • 特性
  • 参数
  • 封装 | 引脚 | 尺寸

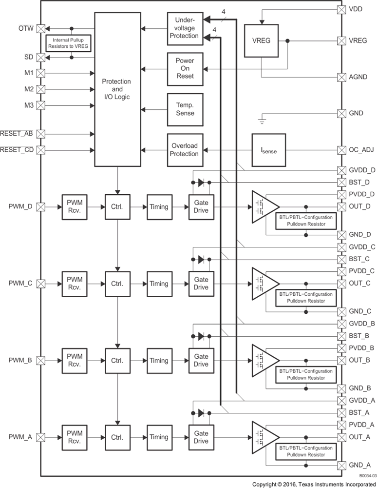
The TAS5342LA is a high-performance, integrated stereo digital amplifier power stage designed to drive a 4-Ω bridge-tied load (BTL) at up to 100 W per channel with low-harmonic distortion, low-integrated noise, and low-idle current.

The TAS5342LA has a complete protection system integrated on-chip, safeguarding the device against a wide range of fault conditions that could damage the system. These protection features are short-circuit protection, over-current protection, under voltage protection, over temperature protection, and a loss of PWM signal (PWM activity detector).

A power-on-reset (POR) circuit is used to eliminate power-supply sequencing that is required for most power-stage designs.

  • Total Power Output (Bridge Tied Load)
    • 2 × 100 W at 10% THD+N Into 4 Ω
    • 2 × 80 W at 10% THD+N Into 6 Ω
    • 2 × 65 W at 10% THD+N Into 8 Ω
  • Total Power Output (Single Ended)
    • 4 × 40 W at 10% THD+N Into 3 Ω
    • 4 × 30 W at 10% THD+N Into 4 Ω
  • Total Power Output (Parallel Mode)
    • 1 × 200 W at 10% THD+N Into 2 Ω
    • 1 × 160 W at 10% THD+N Into 3 Ω
  • >110 dB SNR (A-Weighted With TAS5518 Modulator)
  • <0.1% THD+N (1 W, 1 kHz)
  • Supports PWM Frame Rates of 192 kHz to 432 kHz
  • Resistor-Programmable Current Limit
  • Integrated Self-Protection Circuitry, Including:
    • Under Voltage Protection
    • Overtemperature Warning and Error
    • Overload Protection
    • Short-Circuit Protection
    • PWM Activity Detector
  • Standalone Protection Recovery
  • Power-On Reset (POR) to Eliminate System Power-Supply Sequencing
  • High-Efficiency Power Stage (>90%) With 110-mΩ Output MOSFETs
  • Thermally Enhanced Package 44-Pin HTSSOP (DDV)
  • Error Reporting, 3.3-V and 5-V Compliant
  • EMI Compliant When Used With Recommended System Design
Audio input typePWM
ArchitectureClass-D
Speaker channels (max)4
RatingCatalog
Power stage supply (max) (V)13.2
Power stage supply (min) (V)10.8
Load (min) (Ω)2
Output power (W)100
SNR (dB)110
THD + N at 1 kHz (%)0.09
Iq (typ) (mA)5.6
Control interfaceHardware
Closed/open loopOpen
Analog supply (min) (V)10.8
Analog supply voltage (max) (V)13.2
PSRR (dB)65
Operating temperature range (°C)0 to 70
HTSSOP (DDV)44113.4 mm² 14 x 8.1
产品购买
  • 商品型号
  • 封装
  • 工作温度
  • 包装
  • 价格
  • 现货库存
  • 操作
10s
温馨提示:
订单商品问题请移至我的售后服务提交售后申请,其他需投诉问题可移至我的投诉提交,我们将在第一时间给您答复
返回顶部