h1_key

TI(德州仪器) TPA3124D2
德州仪器 (TI) 全系列产品在线购买
  • TI(德州仪器) TPA3124D2
  • TI(德州仪器) TPA3124D2
  • TI(德州仪器) TPA3124D2
  • TI(德州仪器) TPA3124D2
  • TI(德州仪器) TPA3124D2
  • TI(德州仪器) TPA3124D2
立即查看
您当前的位置: 首页 > 音频 > 音频放大器 > 扬声器放大器 > TPA3124D2
TPA3124D2

TPA3124D2

正在供货

具有单端输出、快速静音功能的 15W 立体声、30W 单声道、10V 至 26V、模拟输入 D 级音频放大器

产品详情
  • 说明
  • 特性
  • 参数
  • 封装 | 引脚 | 尺寸

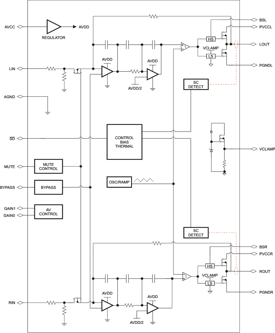
The TPA3124D2 is a 15-W (per channel), efficient, class-D audio power amplifier for driving stereo speakers in a single-ended configuration or a mono speaker in a bridge-tied-load configuration. The TPA3124D2 can drive stereo speakers as low as 4 . The efficiency of the TPA3124D2 eliminates the need for an external heat sink when playing music.

The gain of the amplifier is controlled by two gain select pins. The gain selections are 20, 26, 32, and 36 dB.

The patented start-up and shutdown sequences minimize pop noise in the speakers without additional circuitry.

  • 10-W/Ch Into an 8- Load From a 24-V Supply
  • 15-W/Ch into a 4- Load from a 22-V Supply
  • 30-W/Ch into a 8- Load from a 22-V Supply
  • Operates From 10 V to 26 V
  • Can Run From +24 V LCD Backlight Supply
  • Efficient Class-D Operation Eliminates Need for Heat Sinks
  • Four Selectable, Fixed-Gain Settings
  • Internal Oscillator (No External Components Required)
  • Single-Ended Analog Inputs
  • Thermal and Short-Circuit Protection With Auto Recovery
  • Space-Saving Surface Mount 24-Pin TSSOP Package
  • Advanced Power-Off Pop Reduction
  • APPLICATIONS
    • Flat Panel Televisions
    • DLP TVs
    • CRT TVs
    • Powered Speakers

DLP Is a trademark of Texas Instruments.
System Two, Audio Precision are trademarks of Audio Precision, Inc.
All other trademarks are the property of their respective owners.

Audio input typeAnalog Input
ArchitectureClass-D
Speaker channels (max)Stereo
RatingCatalog
Power stage supply (max) (V)26
Power stage supply (min) (V)10
Load (min) (Ω)4
Output power (W)15
SNR (dB)92
THD + N at 1 kHz (%)0.04
Iq (typ) (mA)16
Control interfaceHardware
Closed/open loopClosed
Analog supply (min) (V)10
Analog supply voltage (max) (V)26
PSRR (dB)60
Operating temperature range (°C)-40 to 85
HTSSOP (PWP)2449.92 mm² 7.8 x 6.4
产品购买
  • 商品型号
  • 封装
  • 工作温度
  • 包装
  • 价格
  • 现货库存
  • 操作
10s
温馨提示:
订单商品问题请移至我的售后服务提交售后申请,其他需投诉问题可移至我的投诉提交,我们将在第一时间给您答复
返回顶部