h1_key

TI(德州仪器) AMC3330
德州仪器 (TI) 全系列产品在线购买
  • TI(德州仪器) AMC3330
  • TI(德州仪器) AMC3330
  • TI(德州仪器) AMC3330
  • TI(德州仪器) AMC3330
  • TI(德州仪器) AMC3330
  • TI(德州仪器) AMC3330
立即查看
您当前的位置: 首页 > 隔离 > 隔离式放大器 > AMC3330
AMC3330

AMC3330

正在供货

具有集成直流/直流的 ±1V 输入、精密电压检测增强型隔离式放大器

产品详情
  • 说明
  • 特性
  • 参数
  • 封装 | 引脚 | 尺寸

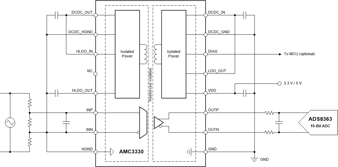
AMC3330 是一款具有完全集成的隔离式直流/直流转换器的精密隔离式放大器,能实现器件低侧的单电源运行。该增强型电容隔离层通过了 VDE V 0884-11 和 UL1577 标准认证,将以不同共模电压电平运行的系统各部分隔开,并保护低压域免受损坏。

AMC3330 的输入针对直接连接高阻抗电压信号源(例如电阻分压器网络)的情况进行了优化,以感应高压信号。集成式隔离直流/直流转换器可测量非接地信号,并使该器件成为嘈杂空间受限应用的独特解决方案。

器件性能出色,支持进行精确的电压监控和控制。AMC3330 的集成直流/直流转换器故障检测和诊断输出引脚可简化系统级设计和诊断。

AMC3330 的额定工作温度范围为 -40°C 至 +125°C。

  • 3.3V 或 5V 单电源运行,具有集成直流/直流转换器
  • ±1V 输入电压范围,针对具有高输入阻抗的电压测量进行了优化
  • 固定增益:2.0
  • 低直流误差:
    • 增益误差:±0.2%(最大值)
    • 增益漂移:±45ppm/°C(最大值)
    • 失调电压误差:±0.3mV(最大值)
    • 温漂±4µV/°C(最大值)
    • 非线性度:±0.02%(最大值)
  • 高 CMTI: 85kV/µs(最小值)
  • 系统级诊断功能
  • 安全相关认证:
    • 符合 DIN VDE V 0884-11 (VDE V 0884-11) 标准的 6000VPK 增强型隔离:2017-01
    • 符合 UL1577 标准且长达 1 分钟的 4250V<sub>1RMS</sub>2 隔离
  • 符合 CISPR-11 和 CISPR-25 EMI 标准
Device typeVoltage sensing
Peak-to-peak input voltage range (V)1
Isolation ratingReinforced
Withstand isolation voltage (VISO) (Vrms)4250
Working isolation voltage (VIOWM) (Vrms)1200
Transient isolation voltage (VIOTM) (VPK)6000
CMTI (min) (kV/µs)75
Creepage (min) (mm)8
Clearance (min) (mm)8
Input offset (±) (max) (V)0.0002
Input offset drift (±) (typ) (V/°C)0.000005
RatingCatalog
Operating temperature range (°C)-40 to 125
SO-MOD (DWE)16106.09 mm² 10.3 x 10.3
产品购买
  • 商品型号
  • 封装
  • 工作温度
  • 包装
  • 价格
  • 现货库存
  • 操作
10s
温馨提示:
订单商品问题请移至我的售后服务提交售后申请,其他需投诉问题可移至我的投诉提交,我们将在第一时间给您答复
返回顶部