h1_key

TI(德州仪器) PGA2310
德州仪器 (TI) 全系列产品在线购买
  • TI(德州仪器) PGA2310
  • TI(德州仪器) PGA2310
  • TI(德州仪器) PGA2310
  • TI(德州仪器) PGA2310
  • TI(德州仪器) PGA2310
  • TI(德州仪器) PGA2310
立即查看
您当前的位置: 首页 > 音频 > 音频放大器 > 音量控制 IC > PGA2310
PGA2310

PGA2310

正在供货

具有低增益误差 (0.05) 的 +/-15V 立体声音频音量控制

产品详情
  • 说明
  • 特性
  • 参数
  • 封装 | 引脚 | 尺寸

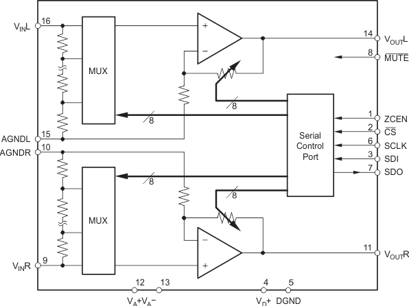
The PGA2310 is a high-performance, stereo audio volume control designed for professional and high-end consumer audio systems. The ability to operate from ±15-V analog power supplies enables the PGA2310 to process input signals with large voltage swings, thereby preserving the dynamic range available in the overall signal path. Using high performance operational amplifier stages internal to the PGA2310 yields low noise and distortion, while providing the capability to drive 600-Ω loads directly without buffering. The three-wire serial control interface allows for connection to a wide variety of host controllers, in addition to support for daisy-chaining multiple PGA2310 devices.

  • Digitally-Controlled Analog Volume Control:
    • Two Independent Audio Channels
    • Serial Control Interface
    • Zero Crossing Detection
    • Mute Function
  • Wide Gain and Attenuation Range: 31.5 dB to
    –95.5 dB With 0.5-dB Steps
  • Low Noise and Distortion:
    • 120-dB Dynamic Range
    • 0.0004% THD+N at 1 kHz
  • Low Interchannel Crosstalk: –126 dBFS
  • Noise-Free Level Transitions
  • Power Supplies: 15-V Analog, 5-V Digital
  • Available in DIP–16 and SOL–16 Packages
  • Pin and Software Compatible With the PGA2311
    and Cirrus Logic CS3310™
Number of channels2
Power supply (V)+/-15
Gain & attenuation (dB)+31.5 to -95.5 with 0.5dB steps
Gain error (gain = 31.5 dB) (dB)±0.05
THD + N at 1 kHz (%)0.0004
Interchannel crosstalk at 1 kHz (dBFS)-126
Dynamic range (dB)120
Voltage swing with max supply (VPP)27
Load capacitance (µF)0.001
Operating temperature range (°C)-40 to 85
FeaturesTwo Independent Audio Channels
PDIP (N)16181.42 mm² 19.3 x 9.4
SOIC (DW)16106.09 mm² 10.3 x 10.3
产品购买
  • 商品型号
  • 封装
  • 工作温度
  • 包装
  • 价格
  • 现货库存
  • 操作
10s
温馨提示:
订单商品问题请移至我的售后服务提交售后申请,其他需投诉问题可移至我的投诉提交,我们将在第一时间给您答复
返回顶部