h1_key

TI(德州仪器) LM4665
德州仪器 (TI) 全系列产品在线购买
  • TI(德州仪器) LM4665
  • TI(德州仪器) LM4665
  • TI(德州仪器) LM4665
  • TI(德州仪器) LM4665
  • TI(德州仪器) LM4665
  • TI(德州仪器) LM4665
立即查看
您当前的位置: 首页 > 音频 > 音频放大器 > 扬声器放大器 > LM4665
LM4665

LM4665

正在供货

具有可选增益的 1.4W 单声道、模拟输入 D 类音频放大器

产品详情
  • 说明
  • 特性
  • 参数
  • 封装 | 引脚 | 尺寸

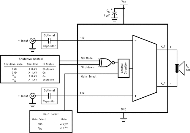
The LM4665 is a fully integrated single-supply high efficiency switching audio amplifier. It features an innovative modulator that eliminates the LC output filter used with typical switching amplifiers. Eliminating the output filter reduces parts count, simplifies circuit design, and reduces board area. The LM4665 processes analog inputs with a delta-sigma modulation technique that lowers output noise and THD when compared to conventional pulse width modulators.

The LM4665 is designed to meet the demands of mobile phones and other portable communication devices. Operating on a single 3V supply, it is capable of driving 8Ω transducer loads at a continuous average output of 400mW with less than 2%THD+N.

The LM4665 has high efficiency with an 8Ω transducer load compared to a typical Class AB amplifier. With a 3V supply, the IC's efficiency for a 100mW power level is 75%, reaching 80% at 400mW output power.

The LM4665 features a low-power consumption shutdown mode. Shutdown may be enabled by either a logic high or low depending on the mode selection. Connecting the Shutdown Mode pin to either VDD (high) or GND (low) enables the Shutdown pin to be driven in a likewise manner to activate shutdown.

The LM4665 has fixed selectable gain of either 6dB or 12dB. The LM4665 has short circuit protection against a short from the outputs to VDD, GND or across the outputs.

  • No Output Filter Required for Inductive Transducers
  • Selectable Gain of 6dB (2V/V) or 12dB (4V/V)
  • Very Fast Turn On Time: 5ms (typ)
  • User Selectable Shutdown High or Low Logic Level
  • Minimum External Components
  • "Click and Pop" Suppression Circuitry
  • Micro-Power Shutdown Mode
  • Short Circuit Protection
  • DSBGA, WSON, and VSSOP Packages (No Heat Sink Required)

Key Specifications

  • Efficiency at 100mW into 8Ω Transducer 75%(typ)
  • Efficiency at 400mW into 8Ω Transducer 80%(typ)
  • Total Quiescent Power Supply Current (3V) 3mA(typ)
  • Total Shutdown Power Supply Current (3V) 0.01µA(typ)
  • Single Supply Range (VSSOP & WSON) 2.7V to 5.5V
  • Single Supply Range (DSBGA) (Note 11) 2.7V to 3.8V

All trademarks are the property of their respective owners.

Audio input typeAnalog Input
ArchitectureClass-D
Speaker channels (max)Mono
RatingCatalog
Power stage supply (max) (V)5.5
Power stage supply (min) (V)2.7
Load (min) (Ω)4
Output power (W)1.4
THD + N at 1 kHz (%)0.8
Iq (typ) (mA)14
Control interfaceHardware
Closed/open loopOpen
Analog supply (min) (V)2.7
Analog supply voltage (max) (V)5.5
PSRR (dB)52
Operating temperature range (°C)-40 to 85
DSBGA (YZR)93.0625 mm² 1.75 x 1.75
产品购买
  • 商品型号
  • 封装
  • 工作温度
  • 包装
  • 价格
  • 现货库存
  • 操作
10s
温馨提示:
订单商品问题请移至我的售后服务提交售后申请,其他需投诉问题可移至我的投诉提交,我们将在第一时间给您答复
返回顶部