h1_key

TI(德州仪器) LM4881
德州仪器 (TI) 全系列产品在线购买
  • TI(德州仪器) LM4881
  • TI(德州仪器) LM4881
  • TI(德州仪器) LM4881
  • TI(德州仪器) LM4881
  • TI(德州仪器) LM4881
  • TI(德州仪器) LM4881
立即查看
您当前的位置: 首页 > 音频 > 音频放大器 > 耳机放大器 > LM4881
LM4881

LM4881

正在供货

200mW 立体声、模拟输入耳机放大器

产品详情
  • 说明
  • 特性
  • 参数
  • 封装 | 引脚 | 尺寸

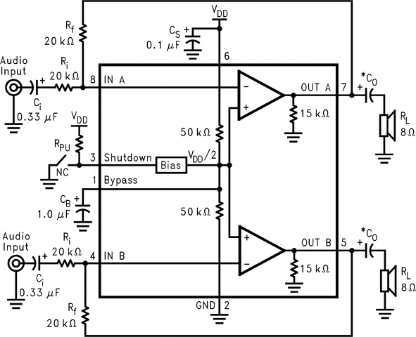
The LM4881 is a dual audio power amplifier capable of delivering 200mW of continuous average power into an 8Ω load with 0.1% THD+N from a 5V power supply.

Boomer audio power amplifiers were designed specifically to provide high quality output power with a minimal amount of external components using surface mount packaging. Since the LM4881 does not require bootstrap capacitors or snubber networks, it is optimally suited for low-power portable systems.

The LM4881 features an externally controlled, low power consumption shutdown mode which is virtually clickless and popless, as well as an internal thermal shutdown protection mechanism.

The unity-gain stable LM4881 can be configured by external gain-setting resistors.

  • VSSOP Surface Mount Packaging
  • Unity-gain Stable
  • External Gain Configuration Capability
  • Thermal Shutdown Protection Circuitry
  • No Bootstrap Capacitors, or Snubber Circuits are Necessary

Key Specifications

  • THD+N at 1kHz at 125mW Continuous Average Output Power into 8Ω 0.1% (max)
  • THD+N at 1kHz at 75mW Continuous
    0.02% (typ)
  • Output Power at 10% THD+N at 1kHz into 8Ω 300 mW (typ)
  • Shutdown Current 0.7µA (typ)
  • Supply Voltage Range 2.7V to 5.5 V

All trademarks are the property of their respective owners. Boomer is a trademark of Texas Instruments.

Output power (W)0.15
Analog supply (min) (V)2.7
Analog supply voltage (max) (V)5.5
Load (min) (Ω)8
PSRR (dB)50
RatingCatalog
Operating temperature range (°C)-40 to 85
Headphone channelsStereo
Volume controlNo
Shutdown current (ISD) (µA)0.7
ArchitectureClass-AB
Iq per channel (typ) (mA)1.8
SOIC (D)829.4 mm² 4.9 x 6
VSSOP (DGK)814.7 mm² 3 x 4.9
产品购买
  • 商品型号
  • 封装
  • 工作温度
  • 包装
  • 价格
  • 现货库存
  • 操作
10s
温馨提示:
订单商品问题请移至我的售后服务提交售后申请,其他需投诉问题可移至我的投诉提交,我们将在第一时间给您答复
返回顶部