h1_key

TI(德州仪器) LM4752
德州仪器 (TI) 全系列产品在线购买
  • TI(德州仪器) LM4752
  • TI(德州仪器) LM4752
  • TI(德州仪器) LM4752
  • TI(德州仪器) LM4752
  • TI(德州仪器) LM4752
  • TI(德州仪器) LM4752
立即查看
您当前的位置: 首页 > 音频 > 音频放大器 > 扬声器放大器 > LM4752
LM4752

LM4752

正在供货

11W 立体声、9V 至 32V 电源电压、模拟输入 AB 类音频放大器

产品详情
  • 说明
  • 特性
  • 参数
  • 封装 | 引脚 | 尺寸

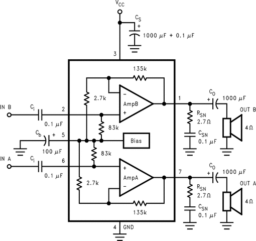
The LM4752 is a stereo audio amplifier capable of delivering 11W per channel of continuous average output power to a 4Ω load, or 7W per channel into 8Ω using a single 24V supply at 10% THD+N.

The LM4752 is specifically designed for single supply operation and a low external component count. The gain and bias resistors are integrated on chip, resulting in a 11W stereo amplifier in a compact 7 pin TO-220 package. High output power levels at both 20V and 24V supplies and low external component count offer high value for compact stereo and TV applications. A simple mute function can be implemented with the addition of a few external components.

  • Drives 4Ω and 8Ω Loads
  • Internal Gain Resistors (AV = 34 dB)
  • Minimum External Component Requirement
  • Single Supply Operation
  • Internal Current Limiting
  • Internal Thermal Protection
  • Compact 7-lead TO-220 Package
  • Low Cost-Per-Watt
  • Wide Supply Range 9V - 40V

Key Specifications

  • Output Power at 10% THD+N with 1kHz into 4Ω VCC = 24V 11 W (typ)
  • Output Power at 10% THD+N with 1kHz into 8Ω VCC = 24V 7 W (typ)
  • Closed Loop Gain 34 dB (typ)
  • PO at 10% THD+N @ 1 kHz into 4Ω Single-Ended DDPAK Package VCC = 12V 2.5 W (typ)
  • PO at 10% THD+N @ 1kHz into 8Ω Bridged DDPAK Package VCC = 12V 5 W (typ)

All trademarks are the property of their respective owners.

Audio input typeAnalog Input
ArchitectureClass-AB
Speaker channels (max)Stereo
RatingCatalog
Power stage supply (max) (V)16
Power stage supply (min) (V)9.6
Load (min) (Ω)4
Output power (W)11
THD + N at 1 kHz (%)0.08
Iq (typ) (mA)5.25
Control interfaceHardware
Closed/open loopClosed
Analog supply (min) (V)9.6
Analog supply voltage (max) (V)16
PSRR (dB)50
Operating temperature range (°C)0 to 70
TO-263 (KTW)7153.924 mm² 10.1 x 15.24
产品购买
  • 商品型号
  • 封装
  • 工作温度
  • 包装
  • 价格
  • 现货库存
  • 操作
10s
温馨提示:
订单商品问题请移至我的售后服务提交售后申请,其他需投诉问题可移至我的投诉提交,我们将在第一时间给您答复
返回顶部