h1_key

TI(德州仪器) LM1876
德州仪器 (TI) 全系列产品在线购买
  • TI(德州仪器) LM1876
  • TI(德州仪器) LM1876
  • TI(德州仪器) LM1876
  • TI(德州仪器) LM1876
  • TI(德州仪器) LM1876
  • TI(德州仪器) LM1876
立即查看
您当前的位置: 首页 > 音频 > 音频放大器 > 扬声器放大器 > LM1876
LM1876

LM1876

正在供货

具有静音功能和待机模式的 Overture 音频功率放大器串联双通道 20 瓦音频功率放大器

产品详情
  • 说明
  • 特性
  • 参数
  • 封装 | 引脚 | 尺寸

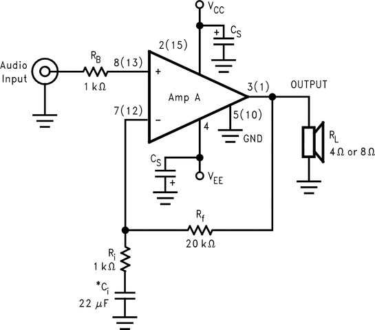
The LM1876 is a stereo audio amplifier capable of delivering typically 20W per channel of continuous average output power into a 4Ω or 8Ω load with less than 0.1% THD+N.

Each amplifier has an independent smooth transition fade-in/out mute and a power conserving standby mode which can be controlled by external logic.

The performance of the LM1876, utilizing its Self Peak Instantaneous Temperature (°Ke) (SPiKe) protection circuitry, places it in a class above discrete and hybrid amplifiers by providing an inherently, dynamically protected Safe Operating Area (SOA). SPiKe protection means that these parts are safeguarded at the output against overvoltage, undervoltage, overloads, including thermal runaway and instantaneous temperature peaks.

  • SPiKe Protection
  • Minimal Amount of External Components Necessary
  • Quiet Fade-In/Out Mute Mode
  • Standby-Mode
  • Isolated 15-Lead TO-220 Package (PFM)
  • Non-Isolated 15-lead TO-220 Package
  • Wide Supply Range 20V - 64V

Key Specifications

  • THD+N at 1kHz at 2 x 15W continuous averageoutput power into 4Ω or 8Ω: 0.1% (max)
  • THD+N at 1kHz at continuous average output power of 2 x 20W into 8Ω: 0.009% (typ)
  • Standby current: 4.2mA (typ)

All trademarks are the property of their respective owners.

Speaker channels (max)Stereo
RatingCatalog
Power stage supply (max) (V)64
Power stage supply (min) (V)20
Load (min) (Ω)4
Output power (W)20
THD + N at 1 kHz (%)0.08
Iq (typ) (mA)25
Control interfaceHardware
Closed/open loopOpen
Analog supply (min) (V)20
Analog supply voltage (max) (V)64
PSRR (dB)115
Operating temperature range (°C)-20 to 85
TO-220 (NDB)15195.4953 mm² 20.02 x 9.765
产品购买
  • 商品型号
  • 封装
  • 工作温度
  • 包装
  • 价格
  • 现货库存
  • 操作
10s
温馨提示:
订单商品问题请移至我的售后服务提交售后申请,其他需投诉问题可移至我的投诉提交,我们将在第一时间给您答复
返回顶部