h1_key

TI(德州仪器) LMK04832-SP
德州仪器 (TI) 全系列产品在线购买
  • TI(德州仪器) LMK04832-SP
  • TI(德州仪器) LMK04832-SP
  • TI(德州仪器) LMK04832-SP
  • TI(德州仪器) LMK04832-SP
  • TI(德州仪器) LMK04832-SP
  • TI(德州仪器) LMK04832-SP
立即查看
您当前的位置: 首页 > 时钟和计时 > 时钟抖动清除器和同步器 > LMK04832-SP
LMK04832-SP

LMK04832-SP

正在供货

耐辐射加固保障 (RHA)、超低噪声、3.2GHz、15 路输出时钟抖动清除器

产品详情
  • 说明
  • 特性
  • 参数
  • 封装 | 引脚 | 尺寸

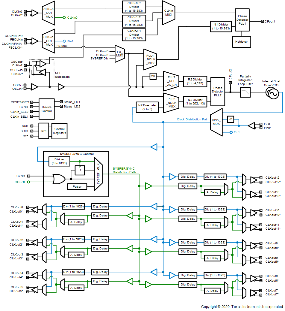
LMK04832-SP 是支持 JEDEC JESD204B 的高性能时钟调节器,适用于航天应用。

PLL2 可以配置 14 个时钟输出以驱动 7 个 JESD204B 转换器或其他逻辑器件(使用器件和 SYSREF 时钟)。SYSREF 可以通过直流和交流耦合提供。14 个输出中的每一个输出都可以单独配置为用于传统计时系统的高性能输出(不限于 JESD204B 应用)。

LMK04832-SP 可以配置在双 PLL、单 PLL 或时钟分配模式下工作(使用或不使用 SYSREF 生成或重新计时)。PLL2 可以使用内部或外部 VCO 工作。

高性能与多种特性(如功耗和性能权衡调节、双 VCO、动态数字延迟和保持)相结合,使 LMK04832-SP 能够提供灵活的高性能时钟树。

LMK04832-SP 采用 10.9mm × 10.9mm、64 引脚 CFP 封装。

  • SMD #5962R1723701VXC
    • 电离辐射总剂量 100krad(无 ELDRS)
    • SEL 抗扰度 > 120MeV × cm2/mg
    • SEFI 抗扰度 > 120MeV × cm2/mg
  • 最高时钟输出频率:3255MHz
  • 多模式:双 PLL、单 PLL 和时钟分配
  • 6GHz 外部 VCO 或分配输入
  • 超低噪声(2500MHz 时):
    • 54fs RMS 抖动(12kHz 至 20MHz)
    • 64fs RMS 抖动(100Hz 至 20MHz)
    • –157.6dBc/Hz 本底噪声
  • 超低噪声(3200MHz 时):
    • 61fs RMS 抖动(12kHz 至 20MHz)
    • 67fs RMS 抖动(100Hz 至 100MHz)
    • –156.5dBc/Hz 本底噪声
  • PLL2
    • –230dBc/Hz PLL FOM
    • –128dBc/Hz PLL 1/f
    • 相位检测器频率高达 320MHz
    • 两个集成 VCO:2440MHz 至 2600MHz 和 2945MHz 至 3255MHz
  • 多达 14 个差分器件时钟
    • CML、LVPECL、LCPECL、HSDS、LVDS 和 2xLVCMOS 可编程输出
  • 最多 1 个缓冲 VCXO/XO 输出
    • LVPECL、LVDS、2xLVCMOS 可编程输出
  • 1-1023 CLKout 分频器
  • 1-8191 SYSREF 分频器
  • SYSREF 时钟 25ps 阶跃模拟延迟
  • 器件时钟和 SYSREF 数字延迟和动态数字延迟
  • PLL1 保持模式
  • PLL1 或 PLL2 0 延迟
  • 环境温度范围:-55 °C 至 125 °C
FunctionDual-loop PLL, Single-loop PLL, Ultra-low jitter clock generator
Number of outputs15
RMS jitter (fs)54
Output frequency (max) (MHz)3255
Input typeHCSL, LVCMOS, LVCMOS (REF_CLK), LVDS, LVPECL, LVPECL (VCXO_CLK)
Output typeCML, HSDS, LVCMOS, LVDS, LVPECL
Supply voltage (min) (V)3.135
Supply voltage (max) (V)3.465
Features+/-25ppm, 0 Delay, Integrated VCO, JESD204B, Loss of signal detection, Manual/auto switch, Programmable Delay, SPI
RatingSpace
Operating temperature range (°C)-55 to 125
Number of input channels3
CFP (HBE)64118.81 mm² 10.9 x 10.9
产品购买
  • 商品型号
  • 封装
  • 工作温度
  • 包装
  • 价格
  • 现货库存
  • 操作

很抱歉,暂时无法提供与“LMK04832-SP”系列相匹配的产品,您可以联系专属客服快速找货或在现货搜索框中重新搜索。

10s
温馨提示:
订单商品问题请移至我的售后服务提交售后申请,其他需投诉问题可移至我的投诉提交,我们将在第一时间给您答复
返回顶部