h1_key

TI(德州仪器) LMK05318
德州仪器 (TI) 全系列产品在线购买
  • TI(德州仪器) LMK05318
  • TI(德州仪器) LMK05318
  • TI(德州仪器) LMK05318
  • TI(德州仪器) LMK05318
  • TI(德州仪器) LMK05318
  • TI(德州仪器) LMK05318
立即查看
您当前的位置: 首页 > 时钟和计时 > 时钟抖动清除器和同步器 > LMK05318
LMK05318

LMK05318

正在供货

采用 BAW 技术的超低抖动、单通道网络同步器时钟

产品详情
  • 说明
  • 特性
  • 参数
  • 封装 | 引脚 | 尺寸

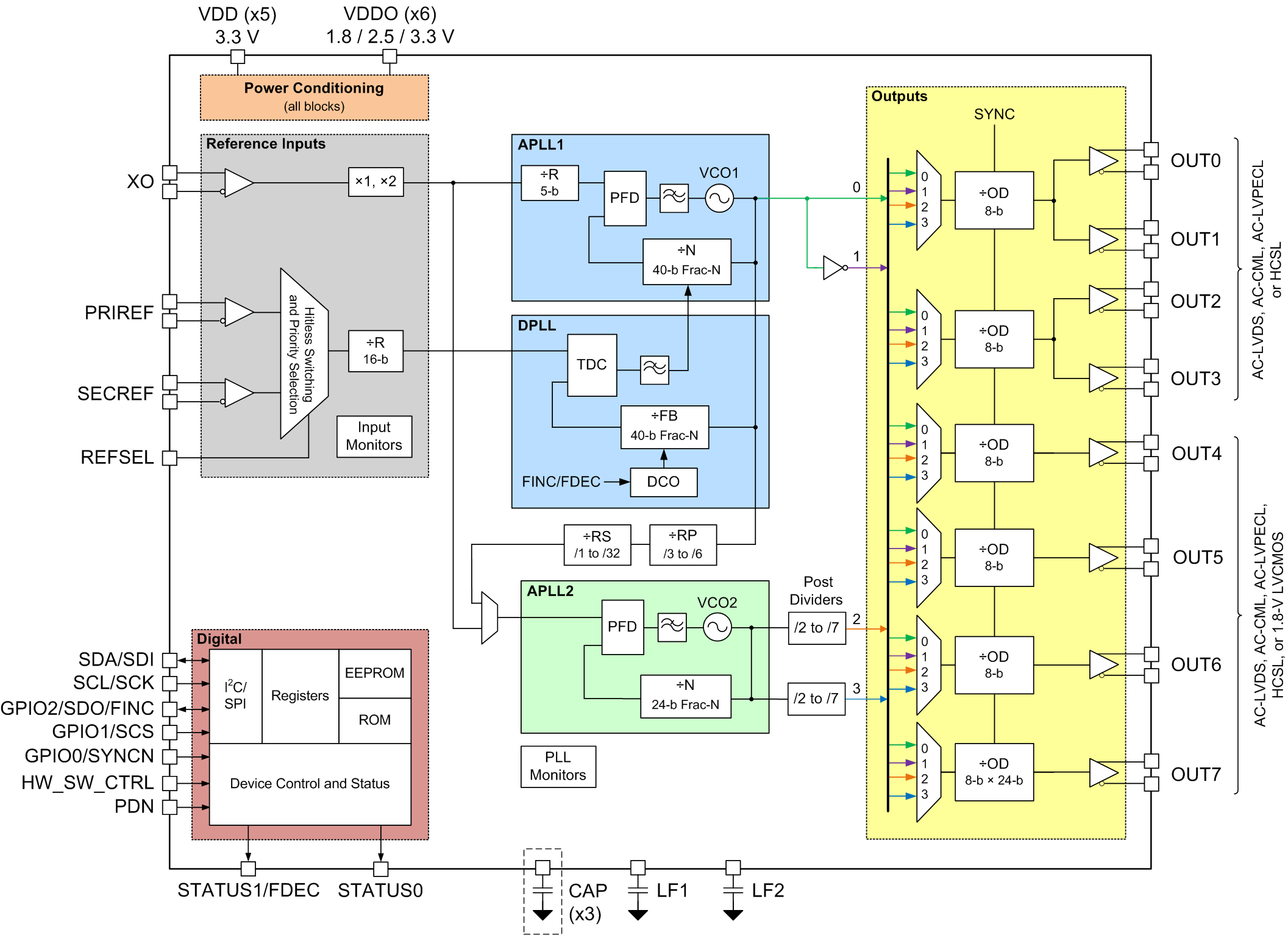
LMK05318 是一款高性能网络同步器时钟器件,提供抖动消除、时钟生成、先进的时钟监控和卓越的无中断切换性能,可满足通信基础设施和工业 应用的严格计时要求。该器件具有超低抖动和高电源噪声抑制 (PSNR) 性能,可降低高速串行链路中的误码率 (BER)。

该器件可使用 TI 专有的体声波 (BAW) VCO 技术生成具有 50fs RMS 抖动的输出时钟,而不受 XO 和基准输入的抖动和频率的影响。

DPLL 支持抖动和漂移衰减的可编程环路带宽,而两个 APLL 支持分频率转换,从而可以实现灵活的时钟生成。DPLL 上支持的同步选项包括采用相位消除的无中断切换、数字保持和频率阶跃小于 0.001ppb(十亿分之一)的 DCO 模式,从而实现精确的时钟控制(IEEE 1588 PTP 从运行)。DPLL 可以锁相到 1 PPS(每秒脉冲数)基准输入,并且在一个输出上支持可选零延迟模式,以实现具有可编程失调电压的确定性输入到输出相位校准。先进的基准输入监控块可确保稳健的时钟故障检测并在发生基准缺失 (LOR) 时帮助将输出时钟干扰降至最低。

该器件可以使用通用的低频 TCXO 或 OCXO 来根据同步标准设置自由运行型或保持型输出频率稳定性。否则,在自由运行型或保持型频率稳定性和漂移不重要时,该器件可以使用标准 XO。该器件可通过 I2C 或 SPI 接口实现完全编程,在通电后支持通过内部 EEPROM 或 ROM 进行自定义频率配置。EEPROM 在出厂时进行了预编程,且可根据需要进行系统内编程。

  • 一个数字锁相环 (DPLL),具有:
    • 无中断切换:±50ps 相位瞬态
    • 具有快速锁定功能的可编程环路带宽
    • 使用低成本 TCXO/OCXO 实现符合标准的同步和保持模式
  • 两个具备业界领先性能的模拟锁相环 (APLL):
    • 312.5MHz 频率下 50fs RMS 抖动 (APLL1)
    • 155.52MHz 频率下 125fs RMS 抖动 (APLL2)
  • 两个基准时钟输入
    • 基于优先级的输入选择
    • 在缺失参考时实现数字保持
  • 具有可编程驱动器的八个时钟输出
    • 多达 6 个不同的输出频率
    • AC-LVDS、AC-CML、AC-LVPECL、HCSL 和 1.8V LVCMOS 输出格式
  • 加电后自定义时钟的 EEPROM/ROM
  • 灵活的配置选项
    • 输入和输出为 1Hz (1PPS) 至 800MHz
    • XO/TCXO/OCXO 输入:10 至 100MHz
    • DCO 模式:< 0.001ppb/阶跃,可进行精确的时钟控制(IEEE 1588 PTP 从运行)
    • 先进的时钟监控和状态
    • I2C 或 SPI 接口
  • PSNR:–83dBc(3.3V 电源下噪声为 50mVpp)
  • 3.3V 电源,提供 1.8V、2.5V 或 3.3V 输出
  • 工业温度范围:-40°C 至 +85°C
FunctionClock network synchronizer
Number of outputs8
RMS jitter (fs)50
Output frequency (min) (MHz)0.000000000001
Output frequency (max) (MHz)800
Input typeLVCMOS, LVDS, LVPECL, XTAL
Output typeCML, HCSL, LVCMOS, LVDS, LVPECL
Supply voltage (min) (V)3.135
Supply voltage (max) (V)3.465
FeaturesI2C, Integrated EEPROM, Pin programmable, SPI
RatingCatalog
Operating temperature range (°C)-40 to 85
Number of input channels2
VQFN (RGZ)4849 mm² 7 x 7
产品购买
  • 商品型号
  • 封装
  • 工作温度
  • 包装
  • 价格
  • 现货库存
  • 操作
10s
温馨提示:
订单商品问题请移至我的售后服务提交售后申请,其他需投诉问题可移至我的投诉提交,我们将在第一时间给您答复
返回顶部