h1_key

TI(德州仪器) LMK04832
德州仪器 (TI) 全系列产品在线购买
  • TI(德州仪器) LMK04832
  • TI(德州仪器) LMK04832
  • TI(德州仪器) LMK04832
  • TI(德州仪器) LMK04832
  • TI(德州仪器) LMK04832
  • TI(德州仪器) LMK04832
立即查看
您当前的位置: 首页 > 时钟和计时 > 时钟抖动清除器和同步器 > LMK04832
LMK04832

LMK04832

正在供货

具有双环路且符合 JESD204B 标准的超低噪声 3.2GHz、15 路输出时钟抖动清除器

产品详情
  • 说明
  • 特性
  • 参数
  • 封装 | 引脚 | 尺寸

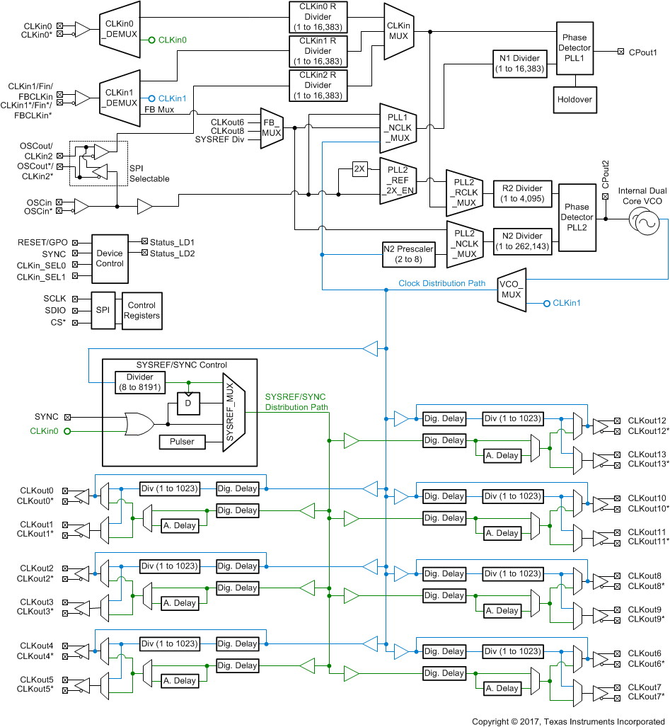
LMK04832 是一款具有超高性能的时钟调节器,不但支持 JEDEC JESD204B,而且与 LMK0482x 器件系列引脚兼容。

PLL2 可以配置 14 个时钟输出以驱动 7 个 JESD204B 转换器或其他逻辑器件(使用器件和 SYSREF 时钟)。SYSREF 可以通过直流和交流耦合提供。不只是 JESD204B 应用,14 个输出中的每一个输出都可以单独配置为用于传统时钟系统的高性能输出。

LMK04832 可以配置在双 PLL、单 PLL 或时钟分配模式下工作(使用或不使用 SYSREF 生成或时钟恢复)。PLL2 可以使用内部或外部 VCO 工作。

LMK04832 既具有出色的性能, 又具有 多种特性,如功率和性能均衡调节、双 VCO、动态数字延迟和保持模式,是提供灵活的高性能时钟树的理想器件。

  • 最高时钟输出频率:3255MHz
  • 多模式:双 PLL、单 PLL 和时钟分配
  • 超低噪声,2500MHz 时:
    • 54fs RMS 抖动(12kHz 至 20MHz)
    • 64fs RMS 抖动(100Hz 至 20MHz)
    • –157.6dBc/Hz 本底噪声
  • 超低噪声,3200MHz 时:
    • 61fs RMS 抖动(12kHz 至 20MHz)
    • 67fs RMS 抖动(100Hz 至 100MHz)
    • –156.5dBc/Hz 本底噪声
  • PLL2
    • –230dBc/Hz PLL FOM
    • –128dBc/Hz PLL 1/f
    • 相位检测器速率高达 320MHz
    • 两个集成 VCO:2440 至 2580MHz
      和 2945 至 3255MHz
  • 多达 14 个差动器件时钟
    • CML、LVPECL、LCPECL、HSDS、LVDS 和 2xLVCMOS 可编程输出
  • 最多 1 个缓冲 VCXO/XO 输出
    • LVPECL、LVDS、2xLVCMOS 可编程输出
  • 1-1023 CLKout 分频器
  • 1-8191 SYSREF 分频器
  • SYSREF 时钟 25ps 阶跃模拟延迟
  • 器件时钟和 SYSREF 数字延迟和动态数字延迟
  • PLL1 保持模式
  • PLL1 或 PLL2 零延迟
  • 支持 105°C PCB 温度
    (在散热焊盘上测量)
FunctionDual-loop PLL
Number of outputs15
RMS jitter (fs)54
Output frequency (min) (MHz)0.305
Output frequency (max) (MHz)3250
Input typeLVCMOS, LVDS, LVPECL
Output typeLVCMOS, LVDS, LVPECL
Supply voltage (min) (V)3.15
Supply voltage (max) (V)3.45
FeaturesJESD204B
RatingCatalog
Operating temperature range (°C)-40 to 85
Number of input channels3
WQFN (NKD)6481 mm² 9 x 9
产品购买
  • 商品型号
  • 封装
  • 工作温度
  • 包装
  • 价格
  • 现货库存
  • 操作
10s
温馨提示:
订单商品问题请移至我的售后服务提交售后申请,其他需投诉问题可移至我的投诉提交,我们将在第一时间给您答复
返回顶部