h1_key

TI(德州仪器) LMK04610
德州仪器 (TI) 全系列产品在线购买
  • TI(德州仪器) LMK04610
  • TI(德州仪器) LMK04610
  • TI(德州仪器) LMK04610
  • TI(德州仪器) LMK04610
  • TI(德州仪器) LMK04610
  • TI(德州仪器) LMK04610
立即查看
您当前的位置: 首页 > 时钟和计时 > 时钟抖动清除器和同步器 > LMK04610
LMK04610

LMK04610

正在供货

具有双 PLL 且符合 JESD204B 标准的超低噪声和低功耗时钟抖动消除器

产品详情
  • 说明
  • 特性
  • 参数
  • 封装 | 引脚 | 尺寸

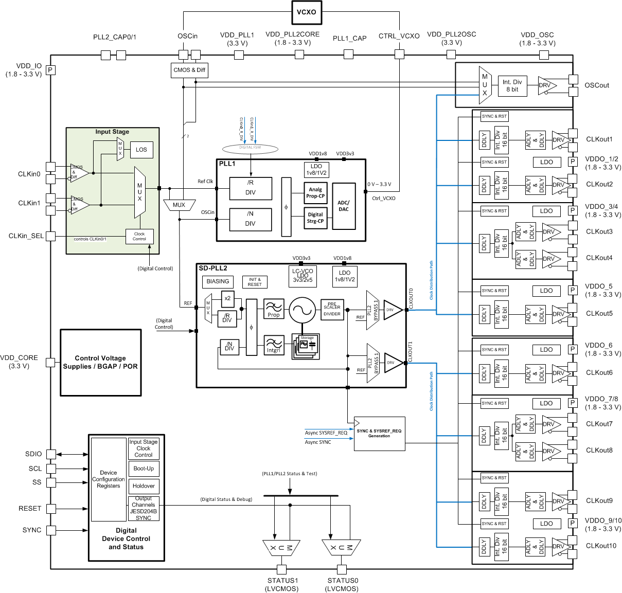
LMK0461x 器件系列具有业界性能最高且功耗最低的抖动清除器,支持 JESD204B 接口。

  • 双环路 PLL 架构
  • 超低噪声(10kHz 至 20MHz):
    • 1966.08MHz 频率下 48fs RMS 抖动
    • 983.04MHz 频率下 50fs RMS 抖动
    • 122.88MHz 频率下 61fs RMS 抖动
  • 122.88MHz 时具有 –165dBc/Hz 本底噪声
  • JESD204B 支持
    • 一次性、脉冲和连续 SYSREF
  • 10 个差动输出时钟(处于 8 个频率组中)
    • 介于 700mVpp 和 1600mVpp 之间的可编程输出摆幅
    • 每个输出对可配置为 SYSREF 时钟输出
    • 16 位通道分频器
    • 最小 SYSREF 频率为 25kHz
    • 最大输出频率为 2GHz
    • 精密数字延迟,动态可调
      • 数字延迟 (DDLY) ½ × 时钟分配路径频率(最大 2GHz)
    • 60ps 步长模拟延迟
    • 50% 占空比输出分配,1 至 65535
      (偶数和奇数)
  • 2 个基准输入
    • 输入丢失时采用保持模式
    • 自动和手动切换模式
    • 信号损失 (LOS) 检测
  • 在 10 个有源输出下的典型功耗为 0.88W
  • 通常由 1.8V(输出、输入)和 3.3V 电源(数字、PLL1、PLL2_OSC、PLL2 内核)供电
  • 完全集成的可编程环路滤波器
  • PLL2
    • PLL2 相位检测器频率高达 250MHz
    • OSCin 倍频器
    • 集成式低噪声 VCO
  • 内部功率调节:优于 –80dBc PSRR(在 VDDO 上)(对于 122.88MHz 差动输出)
  • 3 线制或 4 线制 SPI 接口(4 线制为默认设置)
  • –40ºC 至 +85ºC 工业环境温度
  • 支持 105ºC PCB 温度(在散热焊盘上测量)
  • LMK04610:8mm × 8mm VQFN-56 封装,间距为 0.5mm
FunctionDual-loop PLL
Number of outputs10
RMS jitter (fs)65
Output frequency (min) (MHz)0.03
Output frequency (max) (MHz)2000
Input typeLVCMOS, LVDS, LVPECL
Output typeLVDS, LVPECL
Supply voltage (min) (V)1.7
Supply voltage (max) (V)3.465
FeaturesJESD204B
RatingCatalog
Operating temperature range (°C)-40 to 85
Number of input channels2
VQFN (RTQ)5664 mm² 8 x 8
产品购买
  • 商品型号
  • 封装
  • 工作温度
  • 包装
  • 价格
  • 现货库存
  • 操作
10s
温馨提示:
订单商品问题请移至我的售后服务提交售后申请,其他需投诉问题可移至我的投诉提交,我们将在第一时间给您答复
返回顶部