h1_key

TI(德州仪器) LMK03328
德州仪器 (TI) 全系列产品在线购买
  • TI(德州仪器) LMK03328
  • TI(德州仪器) LMK03328
  • TI(德州仪器) LMK03328
  • TI(德州仪器) LMK03328
  • TI(德州仪器) LMK03328
  • TI(德州仪器) LMK03328
立即查看
您当前的位置: 首页 > 时钟和计时 > 时钟发生器 > LMK03328
LMK03328

LMK03328

正在供货

具有两个独立 PLL 的超低抖动时钟发生器系列

产品详情
  • 说明
  • 特性
  • 参数
  • 封装 | 引脚 | 尺寸

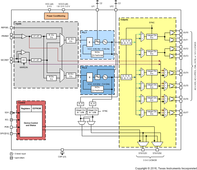
LMK03328 器件是一款低噪声时钟发生器,具有两个带集成式 VCO、灵活时钟分配和扇出的分数 N 频率合成器,在片上 EEPROM 中存储有引脚可选配置状态。该器件可为各种千兆位级串行接口和数字器件提供多个时钟,并通过替代多个振荡器和时钟分配器件来降低物料清单 (BOM) 成本、减小电路板面积、以及提高可靠性。超低抖动可降低高速串行链路中的比特误码率 (BER)。

对于每个锁相环 (PLL),可以选择差分/单端时钟或晶振输入作为 PLL 基准时钟。所选的 PLL 基准时钟可用于将 VCO 频率锁定在基准输入频率的整数或小数倍。各 PLL 的 VCO 频率可在 4.8GHz 到 5.4GHz 范围内调整。两个 PLL/VCO 的性能和功能相当。凭借 PLL,用户可以根据应用需求灵活地选择预定义或用户定义的环路带宽。每个 PLL 有一个后分频器,分频选项包括 2 分频、3 分频、4 分频、5 分频、6 分频、7 分频或 8 分频。

所有输出通道均可选择经过 PLL 1 或 PLL 2 分频的 VCO 时钟作为输出驱动器的时钟源,用以设置最终输出频率。部分输出通道还可以单独选择 PLL 1 或 PLL 2 的基准输入作为将旁路至相应输出缓冲器的备用时钟源。8 位输出分频器支持 1 至 256(偶数或奇数)的分频范围,输出频率高达 1GHz,并且具有输出相位同步功能。

所有输出对均为以地为基准的 CML 驱动器,具有可编程摆幅,并且可通过交流耦合方式连接到低压差分信号 (LVDS)、低压正发射极耦合逻辑 (LVPECL) 或电流模式逻辑 (CML) 接收器。另外,所有输出对还可以单独配置为 HCSL 输出或 2x 1.8V LVCMOS 输出。与以电压为基准的驱动器设计(例如,传统的 LVDS 和 LVPECL 驱动器)相比,该输出具有更低的功耗(1.8V 时)、更出色的性能和电源抗扰度、以及更少的电磁干扰 (EMI)。可通过 STATUS 引脚获取两个额外的 3.3V LVCMOS 输出。这是一项可选特性,可在需要 3.3V LVCMOS 输出及不需要器件状态信号时使用。

该器件 具有 从片上的可编程 EEPROM 或预定义 ROM 存储器进行自启动的功能,可通过引脚控制提供多种可选自定义器件模式,且无需串行编程。器件寄存器和片上 EEPROM 设置均完全可通过 I2C 兼容串行接口编程。器件从地址可在 EEPROM 中编程,LSB 可使用 3 状态引脚设置。

该器件提供有两种频率裕度选项,支持无毛刺脉冲运行,可为标准合规性和系统时序裕度测试等系统设计验证测试 (DVT) 提供支持。通过在内部晶振 (XO) 上使用低成本可牵引晶振并选择该输入作为 PLL 合成器的基准,可支持精调频率裕度(用 ppm 表示)。频率裕度范围取决于晶振的修整灵敏度和片上变容二极管范围。XO 频率裕度可通过引脚或 I2C 接口控制,灵活且易于使用。可通过在 I2C 接口更改输出分配值,使粗糙频率裕度(使用 % 表示)可用于任何输出通道,此功能可同步关闭和重新启动输出时钟,以防止分频器更改时出现干扰或短脉冲。

内部电源调节功能提供出色的电源噪声抑制 (PSNR),降低了供电网络的成本和复杂性。模拟和数字内核块由 3.3V±5% 电源供电运行,输出块由 1.8V、2.5V、3.3V±5% 电源供电运行。

  • 超低噪声、高性能
    • 抖动:FOUT > 100MHz 时的典型值为 100fs(均方根 (RMS))
    • 峰值信噪比 (PSNR):-80dBc,出色的电源噪声抗扰度
  • 灵活的器件选项
    • 多达 8 路 AC-LVPECL、AC-LVDS、AC-CML、HCSL 或 LVCMOS 输出或任意组合
    • 引脚模式、I2C 模式和 EEPROM 模式
    • 71 引脚可选择预编程默认启动选项
  • 支持自动或手动选择的双路输入
    • 晶振输入:10MHz 至 52MHz
    • 外部输入:1MHz 至 300MHz
  • 频率裕度选项
    • 采用低成本可牵引晶振基准精调频率裕度(±50 ppm 典型)
    • 无毛刺脉冲的粗调频率裕度 (%),采用输出分频器
  • 其他 特性
    • 电源:3.3V 内核、1.8V、2.5V、3.3V 输出电源
    • 工业温度范围(-40ºC 至 +85ºC)
    • 封装:7mm × 7mm 48 引脚 WQFN
FunctionUltra-low jitter clock generator
Number of outputs8
Output frequency (max) (MHz)1000
Core supply voltage (V)3.3
Output supply voltage (V)1.8, 2.5, 3.3
Input typeCML, LVDS, LVPECL, XTAL
Output typeCML, HCSL, LVCMOS, LVDS, LVPECL
Operating temperature range (°C)-40 to 85
FeaturesI2C, Integrated EEPROM, Pin programmable
RatingCatalog
WQFN (RHS)4849 mm² 7 x 7
产品购买
  • 商品型号
  • 封装
  • 工作温度
  • 包装
  • 价格
  • 现货库存
  • 操作
10s
温馨提示:
订单商品问题请移至我的售后服务提交售后申请,其他需投诉问题可移至我的投诉提交,我们将在第一时间给您答复
返回顶部