h1_key

TI(德州仪器) TRF3765
德州仪器 (TI) 全系列产品在线购买
  • TI(德州仪器) TRF3765
  • TI(德州仪器) TRF3765
  • TI(德州仪器) TRF3765
  • TI(德州仪器) TRF3765
  • TI(德州仪器) TRF3765
  • TI(德州仪器) TRF3765
立即查看
您当前的位置: 首页 > 射频与微波 > 射频 PLL 与合成器 > TRF3765
TRF3765

TRF3765

正在供货

具有集成式 VCO 和最多 8 个输出的 300M-4800MHz 低噪声整数 N/分数 N PLL

产品详情
  • 说明
  • 特性
  • 参数
  • 封装 | 引脚 | 尺寸

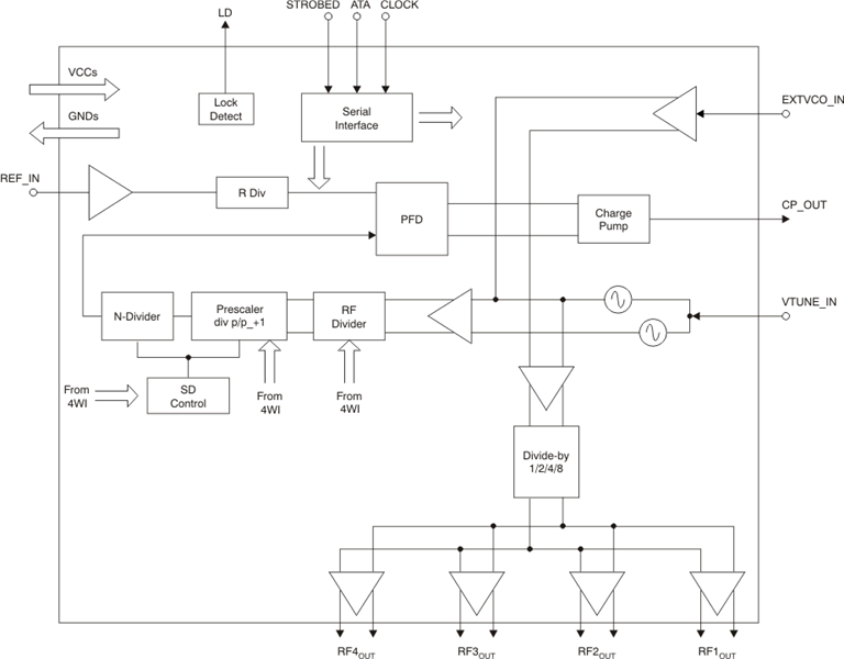
TRF3765 是一款宽频带整数 N/分数 N 频率合成器,此合成器具有集成的、宽频带压控振荡器 (VCO)。 可编程输出分压器可实现 300MHz 至 4.8GHz 频率范围的连续覆盖。 4 个单独的差分、开集 RF 输出可在无需外部分离器的情况下并行驱动多个器件。

TRF3765 也接受外部 VCO 输入信号,并且可通过一个可编程控制输出来实现开/关控制。 为了实现最大灵活性和宽基准频率范围,设定宽范围分压比设置,并且可使用一个芯片外环路滤波器。

TRF3765 采用 RHB-32 四方扁平无引线 (QFN) 封装。

  • 输出频率:300MHz 至 4.8GHz
  • 低噪声 VCO:-133dBc/Hz
    (1MHz 偏移,f输出 = 2.65GHz)
  • 13/16 位基准/反馈分压器
  • 25 位分数 N 和整数 N PLL
  • 低均方根 (RMS) 抖动:0.35ps
  • 输入基准频率范围:
    0.5MHz 至 350MHz
  • 可编程 1/2/4/8 分输出
  • 4 个差分 LO 输出
  • 具有可编程 VCO 开/关控制的外部 VCO 输入
Integrated VCOYes
Output frequency (min) (MHz)300
Output frequency (max) (MHz)4800
Normalized PLL phase noise (dBc/Hz)-221
Current consumption (mA)115
FeaturesWideband
1/f noise (10-kHz offset at 1-GHz carrier) (dBc/Hz)-106
RatingCatalog
Operating temperature range (°C)-40 to 85
Lock time (µs) (typ)60
VQFN (RHB)3225 mm² 5 x 5
产品购买
  • 商品型号
  • 封装
  • 工作温度
  • 包装
  • 价格
  • 现货库存
  • 操作
10s
温馨提示:
订单商品问题请移至我的售后服务提交售后申请,其他需投诉问题可移至我的投诉提交,我们将在第一时间给您答复
返回顶部