h1_key

TI(德州仪器) LMH1982
德州仪器 (TI) 全系列产品在线购买
  • TI(德州仪器) LMH1982
  • TI(德州仪器) LMH1982
  • TI(德州仪器) LMH1982
  • TI(德州仪器) LMH1982
  • TI(德州仪器) LMH1982
  • TI(德州仪器) LMH1982
立即查看
您当前的位置: 首页 > 时钟和计时 > 时钟发生器 > LMH1982
LMH1982

LMH1982

正在供货

具有同步锁相的多速率视频时钟发生器

产品详情
  • 说明
  • 特性
  • 参数
  • 封装 | 引脚 | 尺寸

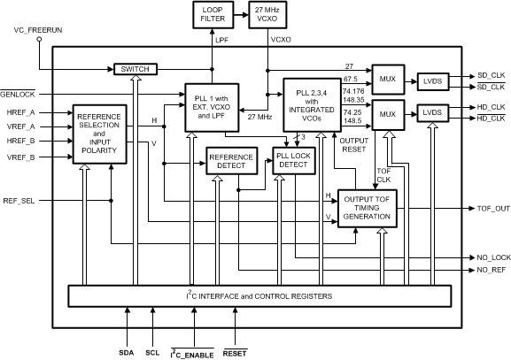
The LMH1982 device is a multi-rate video clock generator ideal for use in a wide range of 3-Gbps (3G), high-definition (HD), and standard-definition (SD) video applications, such as video synchronization, serial digital interface (SDI) serializer and deserializer (SerDes), video conversion, video editing, and other broadcast and professional video systems.

The LMH1982 can generate two simultaneous SD and HD clocks and a Top of Frame (TOF) pulse. In genlock mode, the device's phase locked loops (PLLs) can synchronize the output signals to H sync and V sync input signals applied to either of the reference ports. The input reference can have analog timing from Texas Instrument's LMH1981 multi-format video sync separator or digital timing from an SDI deserializer and should conform to the major SD and HD standards. When a loss of reference occurs, the device can default to free run operation where the output timing accuracy will be determined by the external bias on the free run control voltage input.

The LMH1982 can replace discrete PLLs and field-programmable gate array (FPGA) PLLs with multiple voltage controlled crystal oscillators (VCXOs). Only one 27.0000 MHz VCXO and loop filter are externally required for genlock mode. The external loop filter as well as programmable PLL parameters can provide narrow loop bandwidths to minimize jitter transfer. HD clock output jitter as low as 40 ps peak-to-peak can help designers using FPGA SerDes meet stringent SDI output jitter specifications.

The LMH1982 is offered in a space-saving 5 mm × 5 mm 32-pin WQFN package and provides low total power consumption of about 250 mW (typical).

  • Two Simultaneous LVDS Output Clocks with
    Selectable Frequencies and Hi-Z Capability:
    • SD Clock: 27 MHz or 67.5 MHz
    • HD Clock: 74.25 MHz, 74.25/1.001 MHz,
      148.5 MHz or 148.5/1.001 MHz
  • Low-Jitter Output Clocks May Be Directly
    Connected to an FPGA Serializer to Meet SMPTE
    SDI Jitter Specifications
  • Top of Frame (TOF) Pulse with Programmable
    Output Format Timing and Hi-Z Capability
  • Two reference ports (A and B) With H and V Sync
    Inputs
  • Supports Cross-Locking of Input and Output
    Timing
  • External Loop Filter Allows Control of Loop
    Bandwidth, Jitter Transfer, and Lock Time
    Characteristics
  • Free Run or Holdover Operation on Loss of
    Reference
  • User-Defined Free Run Control Voltage Input
  • I2C Interface and Control Registers
  • 3.3-V and 2.5-V Supplies
FunctionClock generator
Number of outputs2
Output frequency (max) (MHz)148.5
Core supply voltage (V)2.5, 3.3
Output supply voltage (V)2.5, 3.3
Input typeLVCMOS
Output typeLVDS
Operating temperature range (°C)0 to 70
FeaturesMulti-rate video clock generator with Genlock
RatingCatalog
WQFN (RTV)3225 mm² 5 x 5
产品购买
  • 商品型号
  • 封装
  • 工作温度
  • 包装
  • 价格
  • 现货库存
  • 操作
10s
温馨提示:
订单商品问题请移至我的售后服务提交售后申请,其他需投诉问题可移至我的投诉提交,我们将在第一时间给您答复
返回顶部