h1_key

TI(德州仪器) CDCLVD110A
德州仪器 (TI) 全系列产品在线购买
  • TI(德州仪器) CDCLVD110A
  • TI(德州仪器) CDCLVD110A
  • TI(德州仪器) CDCLVD110A
  • TI(德州仪器) CDCLVD110A
  • TI(德州仪器) CDCLVD110A
  • TI(德州仪器) CDCLVD110A
立即查看
您当前的位置: 首页 > 时钟和计时 > 时钟缓冲器 > CDCLVD110A
CDCLVD110A

CDCLVD110A

正在供货

通过超小偏斜实现时钟分配且频率高达 1100MHz 的 1:10 LVDS 时钟缓冲器

产品详情
  • 说明
  • 特性
  • 参数
  • 封装 | 引脚 | 尺寸

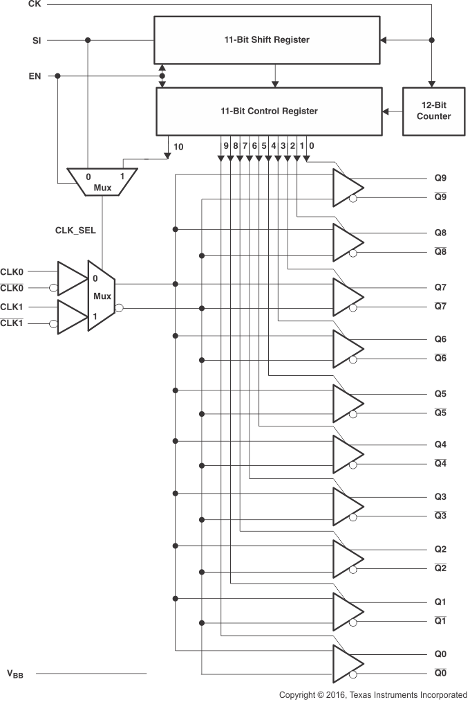
The CDCLVD110A clock driver distributes one pair of differential LVDS clock inputs (either CLK0 or CLK1) to 10 pairs of differential clock outputs (Q0 to Q9) with minimum skew for clock distribution. The CDCLVD110A is specifically designed to drive 50-Ω transmission lines.

When the control enable is high (EN = 1), the 10 differential outputs are programmable in that each output can be individually enabled or disabled
(3-stated) according to the first 10 bits loaded into the shift register. Once the shift register is loaded, the last bit selects either CLK0 or CLK1 as the clock input. However, when EN = 0, the outputs are not programmable and all outputs are enabled.

The CDCLVD110A has an improved start-up circuit that minimizes enabling time in AC- and DC-coupled systems.

The CDCLVD110A is characterized for operation from –40°C to 85°C.

  • Low-Output Skew <30 ps (Typical) for Clock-Distribution Applications
  • Distributes One Differential Clock Input to 10 LVDS Differential Clock Outputs
  • VCC Range: 2.5 V ±5%
  • Typical Signaling Rate Capability of Up to 1.1 GHz
  • Configurable Register (SI/CK) Individually Enables Disables Outputs, Selectable CLK0, CLK0 or CLK1, CLK1 Inputs
  • Full Rail-to-Rail Common-Mode Input Range
  • Receiver Input Threshold: ±100 mV
  • Available in 32-Pin LQFP and VQFN Package
  • Fail-Safe I/O-Pins for VDD = 0 V (Power Down)
FunctionDifferential
Additive RMS jitter (typ) (fs)111
Output frequency (max) (MHz)1100
Number of outputs10
Output supply voltage (V)2.5
Core supply voltage (V)2.5
Output skew (ps)50
Features1
Operating temperature range (°C)-40 to 85
RatingCatalog
Output typeLVDS
Input typeLVDS
LQFP (VF)3281 mm² 9 x 9
VQFN (RHB)3225 mm² 5 x 5
产品购买
  • 商品型号
  • 封装
  • 工作温度
  • 包装
  • 价格
  • 现货库存
  • 操作
10s
温馨提示:
订单商品问题请移至我的售后服务提交售后申请,其他需投诉问题可移至我的投诉提交,我们将在第一时间给您答复
返回顶部