h1_key

TI(德州仪器) TRF3761-G
德州仪器 (TI) 全系列产品在线购买
  • TI(德州仪器) TRF3761-G
  • TI(德州仪器) TRF3761-G
  • TI(德州仪器) TRF3761-G
  • TI(德州仪器) TRF3761-G
  • TI(德州仪器) TRF3761-G
  • TI(德州仪器) TRF3761-G
立即查看
您当前的位置: 首页 > 射频与微波 > 射频 PLL 与合成器 > TRF3761-G
TRF3761-G

TRF3761-G

正在供货

具有集成 VCO 的低噪声整数 N PLL 频率合成器

产品详情
  • 说明
  • 特性
  • 参数
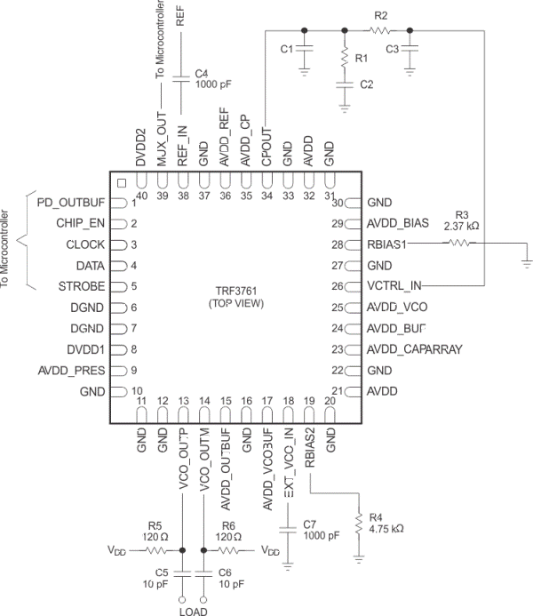
  • 封装 | 引脚 | 尺寸

TRF3761 is a family of high performance, highly integrated frequency synthesizers, optimized for high performance applications. The TRF3761 includes a low-noise, voltage-controlled oscillator (VCO) and an integer-N PLL.

TRF3761 integrates divide-by 1, 2, or 4 options for a more flexible output frequency range. It is controlled through a 3-wire serial-programming-interface (SPI) interface. For power sensitive applications the TRF3761 can be powered down by the SPI interface or externally via chip_en pin 2.

  • Fully Integrated VCO
  • Low Phase Noise: –137dBc/Hz (at 600kHz, fVCO
    of 1.9GHz)
  • Low Noise Floor: –158dBc/Hz at 10MHz Offset
  • Integer-N PLL
  • Input Reference Frequency range: 10MHz to
    104MHz
  • VCO Frequency Divided by 2-4 Output
  • Output Buffer Enable Pin
  • Programmable Charge Pump Current
  • Hardware and Software Power Down
  • 3-Wire Serial Interface
  • Single Supply: 4.5V to 5.25V Operation
Integrated VCOYes
Output frequency (min) (MHz)1920
Output frequency (max) (MHz)2059
Normalized PLL phase noise (dBc/Hz)-137
Current consumption (mA)130
FeaturesInteger N PLL, Integrated VCO
RatingCatalog
Operating temperature range (°C)-40 to 85
Lock time (µs) (typ)>350
VQFN (RHA)4036 mm² 6 x 6
产品购买
  • 商品型号
  • 封装
  • 工作温度
  • 包装
  • 价格
  • 现货库存
  • 操作
10s
温馨提示:
订单商品问题请移至我的售后服务提交售后申请,其他需投诉问题可移至我的投诉提交,我们将在第一时间给您答复
返回顶部