h1_key

TI(德州仪器) CDCVF2509A
德州仪器 (TI) 全系列产品在线购买
  • TI(德州仪器) CDCVF2509A
  • TI(德州仪器) CDCVF2509A
  • TI(德州仪器) CDCVF2509A
  • TI(德州仪器) CDCVF2509A
  • TI(德州仪器) CDCVF2509A
  • TI(德州仪器) CDCVF2509A
立即查看
您当前的位置: 首页 > 时钟和计时 > 时钟缓冲器 > CDCVF2509A
CDCVF2509A

CDCVF2509A

正在供货

具有断电模式的 3.3V 锁相环路时钟驱动器

产品详情
  • 说明
  • 特性
  • 参数
  • 封装 | 引脚 | 尺寸

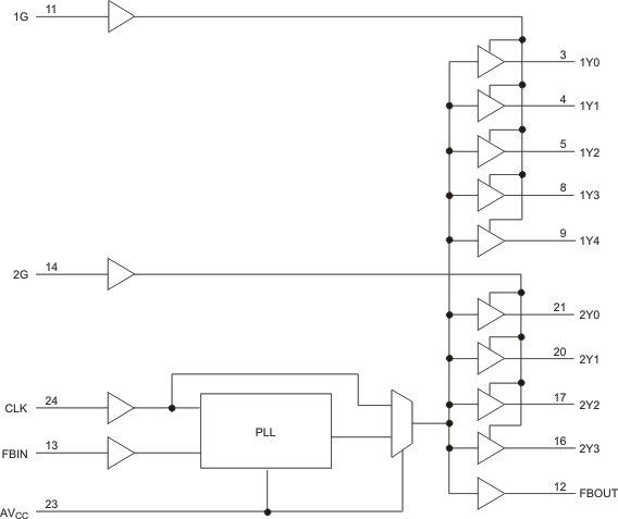
The CDCVF2509A is a high-performance, low-skew, low-jitter, phase-lock loop (PLL) clock driver. It uses a PLL to precisely align, in both frequency and phase, the feedback (FBOUT) output to the clock (CLK) input signal. It is specifically designed for use with synchronous DRAMs. The CDCVF2509A operates at a 3.3-V VCC. It also provides integrated series-damping resistors that make it ideal for driving point-to-point loads.

One bank of five outputs and one bank of four outputs provide nine low-skew, low-jitter copies of CLK. Output signal duty cycles are adjusted to 50%, independent of the duty cycle at CLK. Each bank of outputs is enabled or disabled separately via the control (1G and 2G) inputs. When the G inputs are high, the outputs switch in phase and frequency with CLK; when the G inputs are low, the outputs are disabled to the logic-low state. The device automatically goes into power-down mode when no input signal (< 1 MHz) is applied to CLK; the outputs go into a low state.

Unlike many products containing PLLs, the CDCVF2509A does not require external RC networks. The loop filter for the PLL is included on-chip, minimizing component count, board space, and cost.

For application information, see application reports High Speed Distribution Design Techniques for CDC509/516/2509/2510/2516 (SLMA003) and Using CDC2509A/2510A PLL with Spread Spectrum Clocking (SSC) (SCAA039).

The CDCVF2509A is characterized for operation from 0°C to 85°C.

Because it is based on PLL circuitry, the CDCVF2509A requires a stabilization time to achieve phase lock of the feedback signal to the reference signal. This stabilization time is required following power up and application of a fixed-frequency, fixed-phase signal at CLK, and following any changes to the PLL reference or feedback signals. The PLL can be bypassed by strapping AVCC to ground to use as a simple clock buffer.

  • Designed to Meet and Exceed PC133 SDRAM Registered DIMM Specification Rev. 1.1
  • Spread Spectrum Clock Compatible
  • Operating Frequency 20 MHz to 175 MHz
  • Static Phase Error Distribution at 66 MHz to
    166 MHz Is ±125 ps
  • Jitter (cyc - cyc) at 60 MHz to 175 MHz Is
    Typ = 65 ps
  • Advanced Deep Submicron Process Results in More Than 40% Lower Power
    Consumption Versus Current Generation PC133 Devices
  • Auto Frequency Detection to Disable Device (Power-Down Mode)
  • Available in Plastic 24-Pin TSSOP
  • Phase-Lock Loop Clock Distribution for Synchronous DRAM Applications
  • Distributes One Clock Input to One Bank of Five and One Bank of Four Outputs
  • Separate Output Enable for Each Output Bank
  • External Feedback (FBIN) Terminal Is Used to Synchronize the Outputs to the Clock Input
  • 25- On-Chip Series Damping Resistors
  • No External RC Network Required
  • Operates at 3.3 V
  • APPLICATIONS
    • DRAM Applications
    • PLL Based Clock Distributors
    • Non-PLL Clock Buffer

Operating temperature range (°C) to
RatingCatalog
产品购买
  • 商品型号
  • 封装
  • 工作温度
  • 包装
  • 价格
  • 现货库存
  • 操作

很抱歉,暂时无法提供与“CDCVF2509A”系列相匹配的产品,您可以联系专属客服快速找货或在现货搜索框中重新搜索。

10s
温馨提示:
订单商品问题请移至我的售后服务提交售后申请,其他需投诉问题可移至我的投诉提交,我们将在第一时间给您答复
返回顶部