h1_key

TI(德州仪器) LMX2434
德州仪器 (TI) 全系列产品在线购买
  • TI(德州仪器) LMX2434
  • TI(德州仪器) LMX2434
  • TI(德州仪器) LMX2434
  • TI(德州仪器) LMX2434
  • TI(德州仪器) LMX2434
  • TI(德州仪器) LMX2434
立即查看
您当前的位置: 首页 > 射频与微波 > 射频 PLL 与合成器 > LMX2434
LMX2434

LMX2434

正在供货

用于射频个人通信的 5.0GHz/2.5GHz PLLatinum 低功耗双路频率合成器

产品详情
  • 说明
  • 特性
  • 参数
  • 封装 | 引脚 | 尺寸

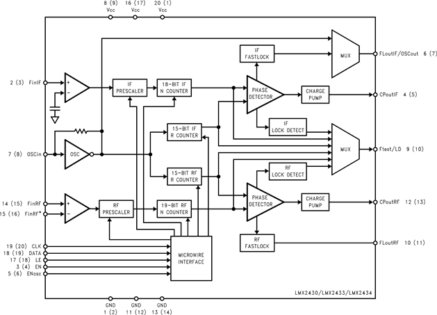
Using a proprietary digital-phase, locked-loop technique, the LMX243x devices generate very stable, low-noise control signals for RF and IF voltage controlled oscillators. Both the RF and IF synthesizers include a two-level programmable charge pump. Both the RF and IF PLLs have dedicated fastlock circuitry with integrated time-out counters which require only a single word write to power up or change frequencies.

The LMX243x devices are high-performance frequency synthesizers with integrated dual-modulus prescalers. A 32/33 or a 16/17 prescale ratio can be selected for the 5-GHz LMX2434 RF synthesizer. An 8/9 or a 16/17 prescale ratio can be selected for both the LMX2430 and LMX2433 RF synthesizers. The IF circuitry contains an 8/9 or a 16/17 prescaler.

Serial data is transferred to the devices through a three-wire interface (DATA, LE, CLK). A low voltage logic interface allows direct connection to 1.8-V devices. Supply voltages from 2.25 V to 2.75 V are supported.

  • Low Current Consumption
    • LMX2430 (RF/IF): 2.8 mA/ 1.4 mA
    • LMX2433 (RF/IF): 3.2 mA/ 2 mA
    • LMX2434 (RF/IF): 4.6 mA/ 2.4 mA
  • 2.25-V to 2.75-V Operation
  • Synchronous/Asynchronous Power Down
  • Multiple PLL Options:
    • LMX2430 (RF/IF): 3 GHz /0.8 GHz
    • LMX2433 (RF/IF): 3.6 GHz /1.7 GHz
    • LMX2434 (RF/IF): 5 GHz /2.5 GHz
  • Programmable Charge-Pump Current Levels
    • RF and IF: 1 or 4 mA
  • Fastlock With Integrated Time-Out Counters
  • Digital Filtered Lock-Detect Output
  • Analog Lock Detect (Push-Pull / Open-Drain)
  • 1.8-V MICROWIRE Logic Interface
Integrated VCONo
Output frequency (min) (MHz)1000
Output frequency (max) (MHz)5000
Normalized PLL phase noise (dBc/Hz)-218
Current consumption (mA)4.6
FeaturesFastlock, Programmable charge-pump current, Synchronous and asynchronous power down
1/f noise (10-kHz offset at 1-GHz carrier) (dBc/Hz)-100
RatingCatalog
Operating temperature range (°C)-40 to 85
Lock time (µs) (typ)Loop BW dependent
ULGA (NPE)2012.25 mm² 3.5 x 3.5
产品购买
  • 商品型号
  • 封装
  • 工作温度
  • 包装
  • 价格
  • 现货库存
  • 操作
10s
温馨提示:
订单商品问题请移至我的售后服务提交售后申请,其他需投诉问题可移至我的投诉提交,我们将在第一时间给您答复
返回顶部