h1_key

TI(德州仪器) TLV4082
德州仪器 (TI) 全系列产品在线购买
  • TI(德州仪器) TLV4082
  • TI(德州仪器) TLV4082
  • TI(德州仪器) TLV4082
  • TI(德州仪器) TLV4082
  • TI(德州仪器) TLV4082
  • TI(德州仪器) TLV4082
立即查看
您当前的位置: 首页 > 放大器 > 比较器 > TLV4082
TLV4082

TLV4082

正在供货

具有集成基准的双路比较器

产品详情
  • 说明
  • 特性
  • 参数
  • 封装 | 引脚 | 尺寸

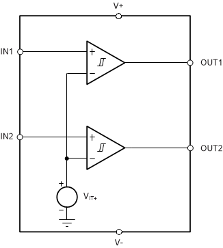
The TLV4062 and TLV4082 are a family of high-accuracy, dual-channel comparators featuring low power and small solution size. The IN1 and IN2 inputs include hysteresis to reject brief glitches, thus ensuring stable output operation without false triggering.

The TLV4062 and TLV4082 have adjustable INx inputs that can be configured by an external resistor divider pair. When the voltage at the IN1 or IN2 input goes below the falling threshold, OUT1 or OUT2 is driven low, respectively. When IN1 or IN2 rises above the rising threshold, OUT1 or OUT2 goes high, respectively.

The comparators have a very low quiescent current of 2 µA (typical) and provide a precise, space-conscious solution for low-power, voltage monitoring. The TLV4062 and TLV4082 operate from 1.5 V to 5.5 V, over the –40°C to +125°C temperature range.





  • Wide supply voltage range: 1.5 V to 5.5 V
  • Two-channel detectors in small packages
  • High threshold accuracy: 1% over temperature
  • Precision hysteresis: 60 mV
  • Low quiescent current: 2 µA (typ)
  • Temperature range: –40°C to +125°C
  • Push-pull (TLV4062) and open-drain (TLV4082) output options
  • Available in an SOT-23 and µSON package
Number of channels2
Output typeOpen-collector, Open-drain
Propagation delay time (µs)5.5
Vs (max) (V)5.5
Vs (min) (V)1.5
Vos (offset voltage at 25°C) (max) (mV)6
Iq per channel (typ) (mA)0.002
Input bias current (±) (max) (nA)15
Rail-to-railIn
RatingCatalog
Operating temperature range (°C)-40 to 125
FeaturesFail-safe, Hysteresis, Internal Reference, POR
VICR (max) (V)5.5
VICR (min) (V)1.5
SOT-23 (DBV)68.12 mm² 2.9 x 2.8
USON (DRY)61.45 mm² 1.45 x 1
产品购买
  • 商品型号
  • 封装
  • 工作温度
  • 包装
  • 价格
  • 现货库存
  • 操作
10s
温馨提示:
订单商品问题请移至我的售后服务提交售后申请,其他需投诉问题可移至我的投诉提交,我们将在第一时间给您答复
返回顶部