h1_key

TI(德州仪器) ADC32RF54
德州仪器 (TI) 全系列产品在线购买
  • TI(德州仪器) ADC32RF54
  • TI(德州仪器) ADC32RF54
  • TI(德州仪器) ADC32RF54
  • TI(德州仪器) ADC32RF54
  • TI(德州仪器) ADC32RF54
  • TI(德州仪器) ADC32RF54
立即查看
您当前的位置: 首页 > 数据转换器 > 模数转换器 (ADC) > 高速 ADC (≥10MSPS) > ADC32RF54
ADC32RF54

ADC32RF54

正在供货

具有低噪声频谱密度 (NSD) 的双通道 14 位 2.6GSPS 射频采样 ADC

产品详情
  • 说明
  • 特性
  • 参数
  • 封装 | 引脚 | 尺寸

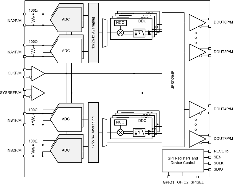
ADC32RF5x 是一款单核 14 位、2.6 GSPS 至 3 GSPS、双通道模数转换器 (ADC),支持输入频率高达 3 GHz 的射频采样。该设计更大限度地提高了信噪比 (SNR) 并提供 -155dBFS/Hz 的噪声频谱密度。使用额外的内部 ADC 以及片上信号平均,噪声密度提高到 -161dBFS/Hz。

每个 ADC 通道都可以使用支持相位同调的 48 位 NCO 连接到四频带数字下变频器 (DDC)。使用 GPIO 引脚进行 NCO 频率控制,可以在不到 1µs 的时间内实现跳频。

ADC32RF54 和 ADC32RF55 支持具有子类 1 确定性延迟的 JESD204B 串行数据接口,使用高达 13Gbps 的数据速率。

高能效 ADC 架构在 3Gsps 时的功耗为 2.1W/通道,并以较低的采样率提供功率调节。

  • 14 位、双通道 2.6GSPS 至 3GSPS ADC
  • 噪声频谱密度:
    • NSD = -155.6dBFS/Hz(无 AVG)
    • NSD = -158.1dBFS/Hz(2x AVG)
    • NSD = -160.4dBFS/Hz(4x AVG)
  • 单核(非交错)ADC 架构
  • 孔径抖动:50fs
  • 低近端残留相位噪声:
    • 10kHz 偏移时为 -127dBc/Hz
  • 频谱性能(f IN = 1GHz,-4dBFS):
    • 2x 内部平均
    • SNR:62.3dBFS
    • SFDR HD2,3:63dBc
    • SFDR 最严重毛刺:85dBFS
  • 频谱性能(f IN = 1.8GHz,-4dBFS):
    • 2x 内部平均
    • SNR:63dBFS
    • SFDR HD2,3:68dBc
    • SFDR 最严重毛刺:86dBFS
  • 满量程输入:1.1Vpp 至 1.35Vpp(2dBm 至 3.5dBm)
  • 误码率 (CER):10 -15
  • 全功率输入带宽 (-3dB):2.75 GHz
  • JESD204B 串行数据接口
    • 最大通道速率:13 Gbps
    • 支持子类 1 确定性延迟
  • 数字下变频器
    • 每个 ADC 通道最多四个 DDC
    • 复杂输出:4x 至 128x 抽取
    • 48 位 NCO 相位同调跳频
    • 快速跳频:< 1us
  • 功耗:2.6W/通道 (2x AVG)
  • 电源:1.8 V/1.2 V
Sample rate (max) (Msps)2600
Resolution (Bits)14
Number of input channels2
Interface typeJESD204B
Analog input BW (MHz)2300
FeaturesHigh Dynamic Range, High Performance, Ultra High Speed
RatingCatalog
Peak-to-peak input voltage range (V)1.1
Power consumption (typ) (mW)3400
SNR (dB)65.5
ENOB (bit)10.5
SFDR (dB)75
Operating temperature range (°C)-40 to 85
Input bufferYes
VQFNP (RTD)6481 mm² 9 x 9
产品购买
  • 商品型号
  • 封装
  • 工作温度
  • 包装
  • 价格
  • 现货库存
  • 操作

很抱歉,暂时无法提供与“ADC32RF54”系列相匹配的产品,您可以联系专属客服快速找货或在现货搜索框中重新搜索。

10s
温馨提示:
订单商品问题请移至我的售后服务提交售后申请,其他需投诉问题可移至我的投诉提交,我们将在第一时间给您答复
返回顶部