h1_key

TI(德州仪器) ADC3561
德州仪器 (TI) 全系列产品在线购买
  • TI(德州仪器) ADC3561
  • TI(德州仪器) ADC3561
  • TI(德州仪器) ADC3561
  • TI(德州仪器) ADC3561
  • TI(德州仪器) ADC3561
  • TI(德州仪器) ADC3561
立即查看
您当前的位置: 首页 > 数据转换器 > 模数转换器 (ADC) > 高速 ADC (≥10MSPS) > ADC3561
ADC3561

ADC3561

正在供货

单通道、16 位、10MSPS、低噪声超低功耗低延迟 ADC

产品详情
  • 说明
  • 特性
  • 参数
  • 封装 | 引脚 | 尺寸

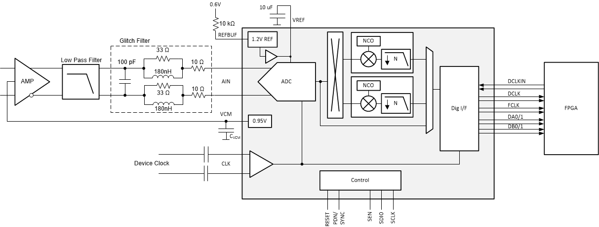
ADC3561、ADC3562、ADC3563 (ADC356x) 系列器件是低噪声、超低功耗、16 位、10MSPS 至 65MSPS 高速模数转换器 (ADC)。这些器件可实现低功耗,噪声频谱密度为 –158dBFS/Hz,并提供出色的线性度和动态范围。ADC356x 器件可提供出色的直流精度以及中频采样支持,因此非常适合各种应用。高速控制环路受益于只有一个时钟的低延迟。该 ADC 在 65MSPS 下的功耗仅为 122mW,功耗随采样率减小而迅速降低。

ADC356x 使用串行 LVDS (SLVDS) 接口输出数据,可更大限度减少数字互连的次数。该器件提供双通道、单通道和半通道选项。ADC356x 和 ADC358x 属于引脚对引脚兼容系列,具有 16 位和 18 位分辨率和不同的速度等级。这些器件采用 40 引脚 QFN 封装 (5mm × 5mm),支持 –40°C 至 +105⁰C 的工业级工作温度范围。

  • 16 位、10MSPS 至 65MSPS ADC
  • 本底噪声:-158dBFS/Hz
  • 低功耗: 77 mW (10 MSPS) 至 122 mW (65 MSPS)
  • 延迟:1 个时钟周期(1 线 SLVDS)
  • 指定的 16 位,无丢码
  • INL:±3LSB;DNL:±0.7LSB
  • 基准:外部或内部
  • 输入带宽:900MHz (3dB)
  • 工业温度范围:-40°C 至 +105°C
  • 片上双频带数字滤波器(可选)
    • 2 倍、4 倍、8 倍、16 倍、32 倍抽取率
    • 32 位 NCO
  • 串行 LVDS 数字接口(2 线、1 线和 1/2 线)
  • 小尺寸: 40 引脚 WQFN (5mm × 5mm) 封装
  • 频谱性能 (fIN = 10MHz):
    • SNR:81.9dBFS
    • SFDR:95dBc HD2、HD3
    • SFDR:100dBFS 最严重毛刺
Sample rate (max) (Msps)10
Resolution (Bits)16
Number of input channels1
Interface typeSerial LVDS
Analog input BW (MHz)900
FeaturesHigh Dynamic Range, High Performance, Low Power
RatingCatalog
Peak-to-peak input voltage range (V)3.2
Power consumption (typ) (mW)77
ArchitectureSAR
SNR (dB)82
ENOB (bit)13.3
SFDR (dB)94
Operating temperature range (°C)-40 to 105
Input bufferNo
WQFN (RSB)4025 mm² 5 x 5
产品购买
  • 商品型号
  • 封装
  • 工作温度
  • 包装
  • 价格
  • 现货库存
  • 操作

很抱歉,暂时无法提供与“ADC3561”系列相匹配的产品,您可以联系专属客服快速找货或在现货搜索框中重新搜索。

10s
温馨提示:
订单商品问题请移至我的售后服务提交售后申请,其他需投诉问题可移至我的投诉提交,我们将在第一时间给您答复
返回顶部