h1_key

TI(德州仪器) ADC3662
德州仪器 (TI) 全系列产品在线购买
  • TI(德州仪器) ADC3662
  • TI(德州仪器) ADC3662
  • TI(德州仪器) ADC3662
  • TI(德州仪器) ADC3662
  • TI(德州仪器) ADC3662
  • TI(德州仪器) ADC3662
立即查看
您当前的位置: 首页 > 数据转换器 > 模数转换器 (ADC) > 高速 ADC (≥10MSPS) > ADC3662
ADC3662

ADC3662

正在供货

双通道、16 位、25MSPS、低噪声、超低功耗、低延迟 ADC

产品详情
  • 说明
  • 特性
  • 参数
  • 封装 | 引脚 | 尺寸

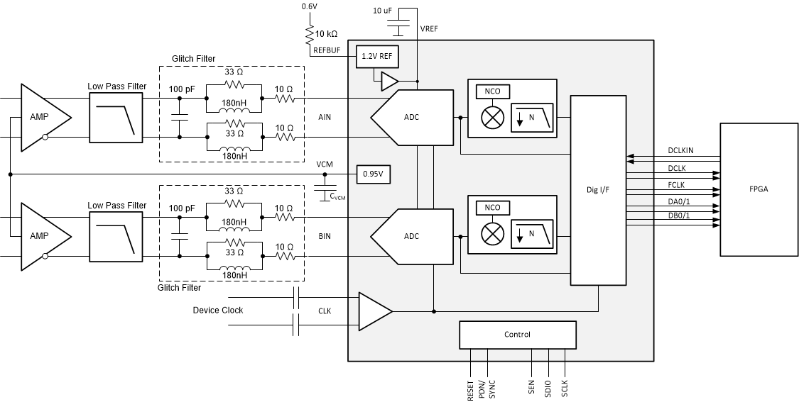
ADC3661、ADC3662 和 ADC3663 (ADC366x) 系列器件是低噪声、超低功耗、16 位、10MSPS 至 65MSPS 高速、双通道模数转换器 (ADC)。这些器件可实现低噪声性能和 -158dBFS/Hz 的噪声频谱密度,还具有出色的线性度和动态范围。ADC366x 器件可提供出色的直流精度以及中频采样支持,因此非常适合各种应用。高速控制环路受益于低至仅一个时钟周期的低延迟。该 ADC 在 65MSPS 下的功耗仅为每通道 94mW,功耗随采样率减小而迅速降低。

ADC366x 使用串行 LVDS (SLVDS) 接口输出数据。该器件提供双通道、单通道和半通道选项。这些器件属于引脚对引脚兼容系列,具有 16 位和 18 位分辨率和不同的速度等级。这些器件采用 40 引脚 QFN 封装(5mm × 5mm),支持 –40°C 至 +105⁰C 的工业级工作温度范围。

  • 16 位、10MSPS、25MSPS 或 65MSPS ADC
  • 本底噪声:-158dBFS/Hz
  • 低功耗: 每通道 53mW (10MSPS) 至每通道 94mW (65MSPS)
  • 延迟:1 个周期(1 线 SLVDS)
  • 指定的 16 位,无丢码
  • INL:±3LSB;DNL:±0.7LSB
  • 基准:外部或内部
  • 输入带宽:900MHz (3dB)
  • 工业温度范围:-40°C 至 +105°C
  • 片上数字滤波器(可选)
    • 2 倍、4 倍、8 倍、16 倍、32 倍抽取率
    • 32 位 NCO
  • 串行 LVDS 数字接口(2 线、1 线和 1/2 线)
  • 小尺寸: 40 引脚 WQFN (5mm × 5mm) 封装
  • 频谱性能 (fIN = 10MHz):
    • SNR:81.9dBFS
    • SFDR:92dBc HD2、HD3
    • SFDR:99dBFS 最严重毛刺
Sample rate (max) (Msps)25
Resolution (Bits)16
Number of input channels2
Interface typeSerial LVDS
Analog input BW (MHz)900
FeaturesHigh Dynamic Range, High Performance, Low Power, Ultra High Speed
RatingCatalog
Peak-to-peak input voltage range (V)3.2
Power consumption (typ) (mW)110
ArchitectureSAR
SNR (dB)82
ENOB (bit)13.3
SFDR (dB)90
Operating temperature range (°C)-40 to 105
Input bufferNo
WQFN (RSB)4025 mm² 5 x 5
产品购买
  • 商品型号
  • 封装
  • 工作温度
  • 包装
  • 价格
  • 现货库存
  • 操作
10s
温馨提示:
订单商品问题请移至我的售后服务提交售后申请,其他需投诉问题可移至我的投诉提交,我们将在第一时间给您答复
返回顶部