h1_key

TI(德州仪器) ADC3564
德州仪器 (TI) 全系列产品在线购买
  • TI(德州仪器) ADC3564
  • TI(德州仪器) ADC3564
  • TI(德州仪器) ADC3564
  • TI(德州仪器) ADC3564
  • TI(德州仪器) ADC3564
  • TI(德州仪器) ADC3564
立即查看
您当前的位置: 首页 > 数据转换器 > 模数转换器 (ADC) > 高速 ADC (≥10MSPS) > ADC3564
ADC3564

ADC3564

正在供货

具有 SLVDS 接口的单通道、14 位、125MSPS、高 SNR、低功耗 ADC

产品详情
  • 说明
  • 特性
  • 参数
  • 封装 | 引脚 | 尺寸

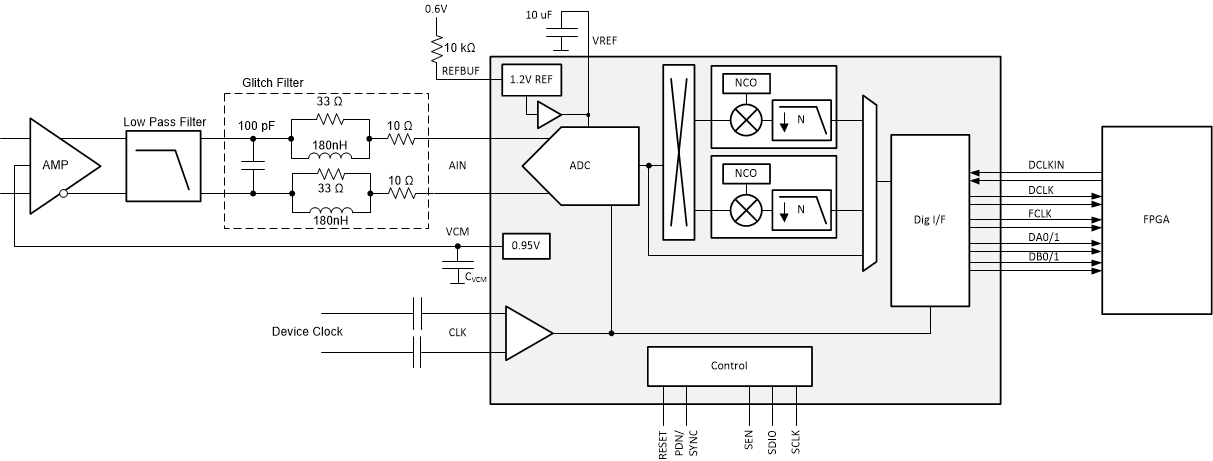
ADC3564 器件是一款低噪声、超低功耗、14 位、125MSPS 高速 ADC。该器件可实现低功耗,噪声频谱密度为 –156dBFS/Hz,还具有出色的线性度和动态范围。ADC3564 可提供中频采样支持,使器件适合各种应用。高速控制环路可从低至一个时钟周期的低延迟中受益。该 ADC 在 125MSPS 下的功耗仅为 137mW,功耗随采样率减小而迅速降低。

ADC3564 使用串行 LVDS (SLVDS) 接口输出数据,可更大限度减少数字互连的次数。该器件提供双通道、单通道和半通道选项。该器件是具有不同速度等级的引脚对引脚兼容系列,采用 40 引脚 VQFN 封装。该器件支持 –40⁰C 至 +105⁰C 的工业级工作温度范围。

  • 14 位 125MSPS ADC
  • 本底噪声:-156dBFS/Hz
  • 超低功耗:125MSPS 时为 137mW
  • 延迟:≤ 2 个时钟周期
  • 指定的 14 位,无丢码
  • INL:±1.5LSB;DNL:±0.5LSB
  • 基准:外部或内部
  • 输入带宽:1200 MHz (3dB)
  • 工业温度范围:-40°C 至 +105°C
  • 片上数字滤波器(可选)
    • 2 倍、4 倍、8 倍、16 倍、32 倍抽取率
    • 32 位 NCO
  • 串行 LVDS 数字接口(2 线、1 线和 1/2 线)
  • 小尺寸: 40 引脚 WQFN (5mm × 5mm) 封装
  • 频谱性能 (fIN = 10MHz):
    • SNR:77.5dBFS
    • SFDR:80dBc HD2、HD3
    • SFDR:95dBFS 最严重毛刺
  • 频谱性能 (fIN = 70MHz):
    • SNR:75dBFS
    • SFDR:75dBc HD2、HD3
    • SFDR:90dBFS 最严重毛刺
Sample rate (max) (Msps)125
Resolution (Bits)14
Number of input channels1
Interface typeSerial LVDS
Analog input BW (MHz)900
FeaturesHigh Dynamic Range, High Performance, Low Power
RatingCatalog
Peak-to-peak input voltage range (V)3.2
Power consumption (typ) (mW)137
ArchitectureSAR
SNR (dB)77.5
ENOB (bit)12.6
SFDR (dB)85
Operating temperature range (°C)-40 to 105
Input bufferNo
WQFN (RSB)4025 mm² 5 x 5
产品购买
  • 商品型号
  • 封装
  • 工作温度
  • 包装
  • 价格
  • 现货库存
  • 操作

很抱歉,暂时无法提供与“ADC3564”系列相匹配的产品,您可以联系专属客服快速找货或在现货搜索框中重新搜索。

10s
温馨提示:
订单商品问题请移至我的售后服务提交售后申请,其他需投诉问题可移至我的投诉提交,我们将在第一时间给您答复
返回顶部