h1_key

TI(德州仪器) ADC3541
德州仪器 (TI) 全系列产品在线购买
  • TI(德州仪器) ADC3541
  • TI(德州仪器) ADC3541
  • TI(德州仪器) ADC3541
  • TI(德州仪器) ADC3541
  • TI(德州仪器) ADC3541
  • TI(德州仪器) ADC3541
立即查看
您当前的位置: 首页 > 数据转换器 > 模数转换器 (ADC) > 高速 ADC (≥10MSPS) > ADC3541
ADC3541

ADC3541

正在供货

单通道、14 位、10MSPS、低噪声、超低功耗和低延迟 ADC

产品详情
  • 说明
  • 特性
  • 参数
  • 封装 | 引脚 | 尺寸

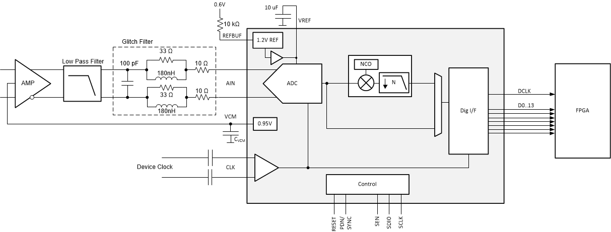
ADC3541、ADC3542 和 ADC3543 (ADC354x) 系列器件是低噪声、超低功耗、14 位、10 至 65 MSPS 高速模数转换器 (ADC)。这些器件可实现低功耗,噪声频谱密度为 –155 dBFS/Hz。ADC354x 可实现出色的直流精度并支持中频采样,因此是各种应用的完美选择。高速控制环路受益于只有一个时钟周期的低延迟。该 ADC 在 65 MSPS 下的功耗仅为 79 mW,功耗有效地随低采样率而变化。

ADC354x 使用 SDR、DDR 或串行 CMOS 接口输出数据,提供功耗超低的数字接口,并能以灵活的方式最大限度地减少数字互连的次数。这些器件属于引脚对引脚兼容系列,具有不同的速度等级。这些器件支持 –40°C 至 +105⁰C 的扩展工业温度范围。

  • 14 位 10/25/65 MSPS ADC
  • 本底噪声:–155 dBFS/Hz
  • 超低功耗,具备优化的功耗调节: 35 mW (10 MSPS) 至 84 mW (65 MSPS)
  • 延迟:1 个时钟周期
  • INL:±0.6 LSB;DNL:±0.1 LSB
  • 基准:外部或内部
  • 输入带宽:900 MHz (3dB)
  • 工业温度范围:-40°C 至 +105°C
  • 片上数字滤波器(可选)
    • 2 倍、4 倍、8 倍、16 倍、32 倍抽取率
    • 32 位 NCO
  • SDR/DDR 和串行 CMOS 接口
  • 小尺寸: 40 引脚 WQFN (5mm × 5mm) 封装
  • 1.8V 单电源
  • 性能规格 (fIN = 10 MHz):
    • SNR:79.0 dBFS
    • SFDR:87 dBc HD2、HD3
    • SFDR:99 dBFS 最严重毛刺
  • 频谱性能 (fIN = 64 MHz):
    • SNR:78.0 dBFS
    • SFDR:70 dBc HD2、HD3
    • SFDR:91 dBFS 最严重毛刺
Sample rate (max) (Msps)10
Resolution (Bits)14
Number of input channels1
Interface typeCMOS
Analog input BW (MHz)900
FeaturesHigh Performance, Low Power
RatingCatalog
Peak-to-peak input voltage range (V)2.25
Power consumption (typ) (mW)36
ArchitectureSAR
SNR (dB)79
ENOB (bit)12.8
SFDR (dB)90
Operating temperature range (°C)-40 to 105
Input bufferNo
WQFN (RSB)4025 mm² 5 x 5
产品购买
  • 商品型号
  • 封装
  • 工作温度
  • 包装
  • 价格
  • 现货库存
  • 操作
10s
温馨提示:
订单商品问题请移至我的售后服务提交售后申请,其他需投诉问题可移至我的投诉提交,我们将在第一时间给您答复
返回顶部