h1_key

TI(德州仪器) ADC12SJ800
德州仪器 (TI) 全系列产品在线购买
  • TI(德州仪器) ADC12SJ800
  • TI(德州仪器) ADC12SJ800
  • TI(德州仪器) ADC12SJ800
  • TI(德州仪器) ADC12SJ800
  • TI(德州仪器) ADC12SJ800
  • TI(德州仪器) ADC12SJ800
立即查看
您当前的位置: 首页 > 数据转换器 > 模数转换器 (ADC) > 高速 ADC (≥10MSPS) > ADC12SJ800
ADC12SJ800

ADC12SJ800

正在供货

具有 JESD204C 接口的单通道 12 位 800MSPS 模数转换器 (ADC)

产品详情
  • 说明
  • 特性
  • 参数
  • 封装 | 引脚 | 尺寸

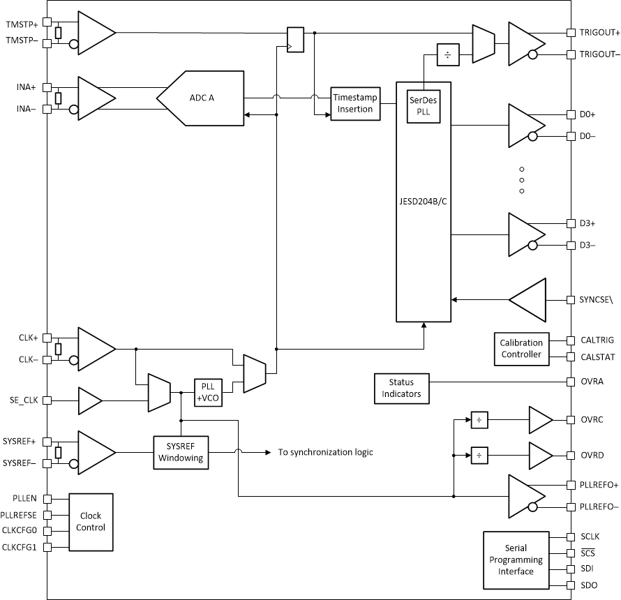
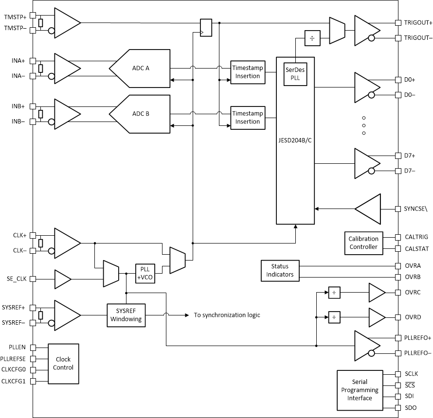
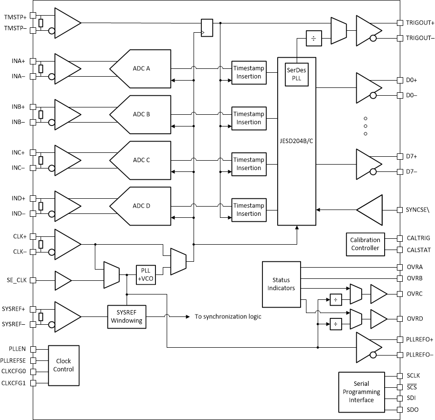
ADC12xJ800 是一系列 12 位、800MSPS 四通道/双通道/单通道模数转换器 (ADC),具有低功耗、高采样率和 12 位分辨率,非常适合用于各种多通道通信和测试系统。

6GHz 的全功率输入带宽 (-3dB) 还支持 L 频带和 S 频带的直接射频采样。

  • ADC 内核:
    • 分辨率:12 位
    • 最大采样率:800MSPS
    • 非交错式架构
    • 内部抖动可减少高次谐波
  • 性能规格 (–1dBFS):
    • SNR (97 MHz):57.6dBFS
    • ENOB (97 MHz):9.0 位
    • SFDR (97 MHz):62dBFS
    • 本底噪声 (–20dBFS):-146.1dBFS/Hz
  • 满量程输入电压:800mVPP-DIFF
  • 全功率输入带宽:6GHz
  • JESD204C 串行数据接口:
    • 总共支持 2 至 8 个(四通道/双通道)或 1 至 4 个(单通道)串行器/解串器通道
    • 最大波特率:17.16Gbps
    • 64B/66B 和 8B/10B 编码模式
    • 子类 1 支持确定性延迟
    • 与 JESD204B 接收器兼容
  • 可选的内部采样时钟生成
    • 内部 PLL 和 VCO (7.2–8.2GHz)
  • SYSREF 窗口可简化同步
  • 四个时钟输出可简化系统时钟
    • FPGA 或相邻 ADC 的参考时钟
    • 串行器/解串器收发器的参考时钟
  • 脉冲系统的时间戳输入和输出
  • 功耗 (800MSPS):
    • 四通道:每通道 415mW
    • 双通道:每通道 555mW
    • 单通道:830mW
  • 电源:1.1V/1.9V
Sample rate (max) (Msps)800
Resolution (Bits)12
Number of input channels1
Interface typeJESD204B, JESD204C
Analog input BW (MHz)6000
FeaturesUltra High Speed
RatingCatalog
Peak-to-peak input voltage range (V)0.8
Power consumption (typ) (mW)830
ArchitectureFolding Interpolating
SNR (dB)57.6
ENOB (bit)9
SFDR (dB)62
Operating temperature range (°C)-40 to 85
Input bufferYes
FCCSP (AAV)144100 mm² 10 x 10
产品购买
  • 商品型号
  • 封装
  • 工作温度
  • 包装
  • 价格
  • 现货库存
  • 操作
10s
温馨提示:
订单商品问题请移至我的售后服务提交售后申请,其他需投诉问题可移至我的投诉提交,我们将在第一时间给您答复
返回顶部