h1_key

TI(德州仪器) ADC09QJ800-Q1
德州仪器 (TI) 全系列产品在线购买
  • TI(德州仪器) ADC09QJ800-Q1
  • TI(德州仪器) ADC09QJ800-Q1
  • TI(德州仪器) ADC09QJ800-Q1
  • TI(德州仪器) ADC09QJ800-Q1
  • TI(德州仪器) ADC09QJ800-Q1
  • TI(德州仪器) ADC09QJ800-Q1
立即查看
您当前的位置: 首页 > 数据转换器 > 模数转换器 (ADC) > 高速 ADC (≥10MSPS) > ADC09QJ800-Q1
ADC09QJ800-Q1

ADC09QJ800-Q1

正在供货

具有 JESD204C 接口的汽车类四通道 9 位 800MSPS 模数转换器 (ADC)

产品详情
  • 说明
  • 特性
  • 参数
  • 封装 | 引脚 | 尺寸

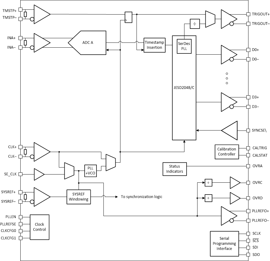
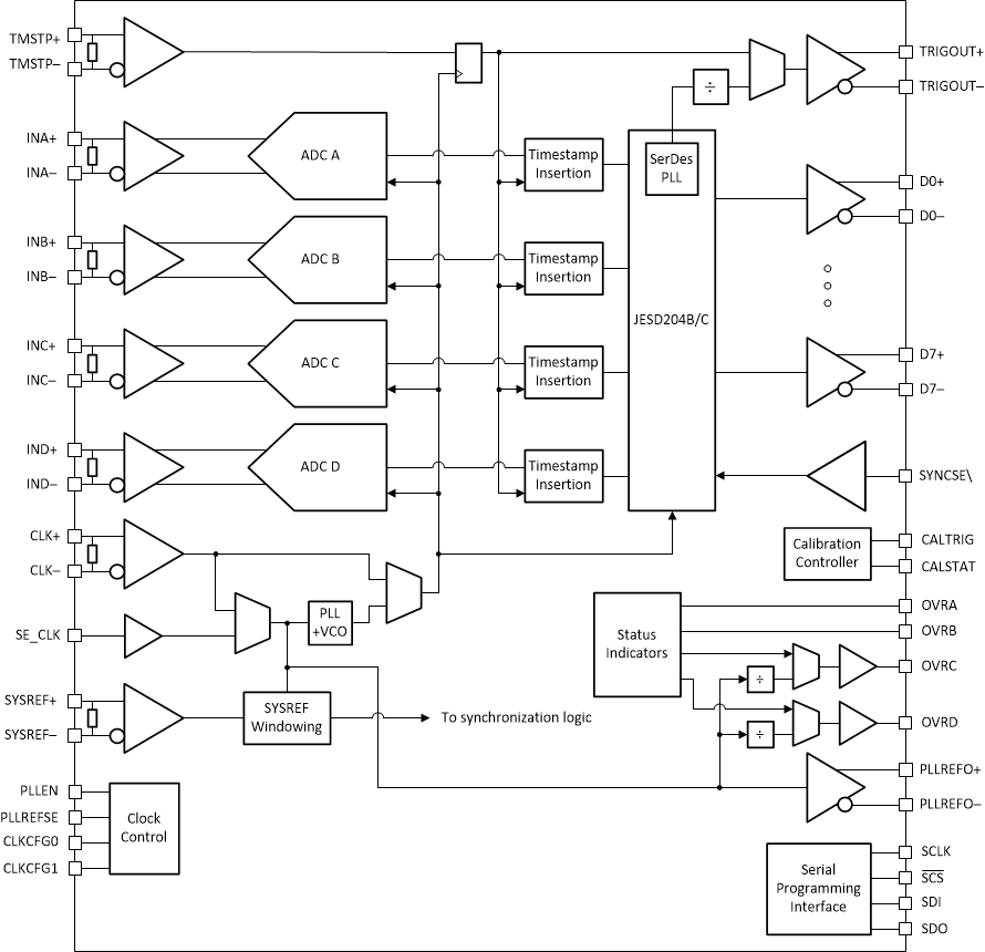
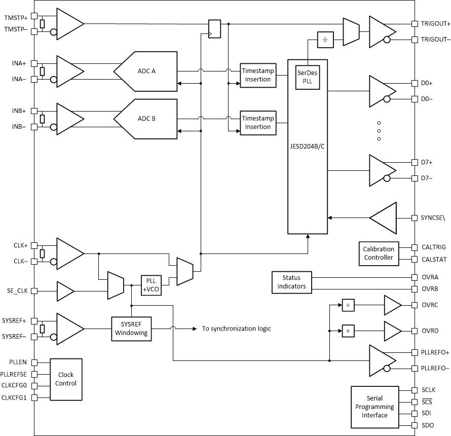
ADC09xJ800-Q1 是一系列 9 位、800MSPS 四通道/双通道/单通道模数转换器 (ADC),由于具有低功耗、高采样率和 9 位分辨率等特性,因此 ADC09xJ800-Q1 非常适用于光检测和测距(激光雷达)系统。 ADC09xJ800-Q1 适用于汽车应用。

6GHz 的全功率输入带宽 (-3dB) 为调频连续波 (FMCW) 激光雷达系统提供平坦的频率响应,并为基于脉冲的系统提供窄脉冲响应。全功率输入带宽还支持 高达 4GHz 的直接射频采样。

  • 符合面向汽车应用的 AEC-Q100 标准:
    • 温度等级 1:–40°C 至 +125°C,TA
  • ADC 内核:
    • 分辨率:9 位
    • 非交错式架构
    • 内部抖动可减少高次谐波
  • 性能规格:
    • SNR(–1dBFS,97MHz):53.5dBFS
    • ENOB(–1dBFS,97MHz):8.51 位
    • SFDR(–1dBFS,97MHz):64dBFS
    • 本底噪声(–20dBFS,97MHz);-140.5dBFS/Hz
  • 满量程输入电压:800mVPP-DIFF
  • 全功率输入带宽:6GHz
  • JESD204C 串行数据接口:
    • 总共支持 2 至 8 个(四通道/双通道)或 1 至 4 个(单通道)串行器/解串器通道
    • 最大波特率:17.16Gbps
    • 64B/66B 和 8B/10B 编码模式
    • 子类 1 支持确定性延迟
    • 与 JESD204B 接收器兼容
  • 可选的内部采样时钟生成
    • 内部 PLL 和 VCO (7.2–8.2GHz)
  • SYSREF 窗口可简化同步
  • 四个时钟输出可简化系统时钟
    • FPGA 或相邻 ADC 的参考时钟
    • 串行器/解串器收发器的参考时钟
  • 脉冲系统的时间戳输入和输出
  • 功耗 (800MSPS):
    • 四通道:每通道 420mW
    • 双通道:每通道 555mW
    • 单通道:840mW
  • 电源:1.1V/1.9V
Sample rate (max) (Msps)800
Resolution (Bits)9
Number of input channels4
Interface typeJESD204B, JESD204C
Analog input BW (MHz)6000
FeaturesUltra High Speed
RatingAutomotive
Peak-to-peak input voltage range (V)0.8
Power consumption (typ) (mW)1660
ArchitectureFolding Interpolating
SNR (dB)53.5
ENOB (bit)8.5
SFDR (dB)64
Operating temperature range (°C)-40 to 125
Input bufferYes
FCCSP (AAV)144100 mm² 10 x 10
产品购买
  • 商品型号
  • 封装
  • 工作温度
  • 包装
  • 价格
  • 现货库存
  • 操作
10s
温馨提示:
订单商品问题请移至我的售后服务提交售后申请,其他需投诉问题可移至我的投诉提交,我们将在第一时间给您答复
返回顶部