h1_key

TI(德州仪器) ADC08DJ5200RF
德州仪器 (TI) 全系列产品在线购买
  • TI(德州仪器) ADC08DJ5200RF
  • TI(德州仪器) ADC08DJ5200RF
  • TI(德州仪器) ADC08DJ5200RF
  • TI(德州仪器) ADC08DJ5200RF
  • TI(德州仪器) ADC08DJ5200RF
  • TI(德州仪器) ADC08DJ5200RF
立即查看
您当前的位置: 首页 > 数据转换器 > 模数转换器 (ADC) > 高速 ADC (≥10MSPS) > ADC08DJ5200RF
ADC08DJ5200RF

ADC08DJ5200RF

正在供货

具有双通道 5.2GSPS 或单通道 10.4GSPS 的射频采样 8 位 ADC

产品详情
  • 说明
  • 特性
  • 参数
  • 封装 | 引脚 | 尺寸

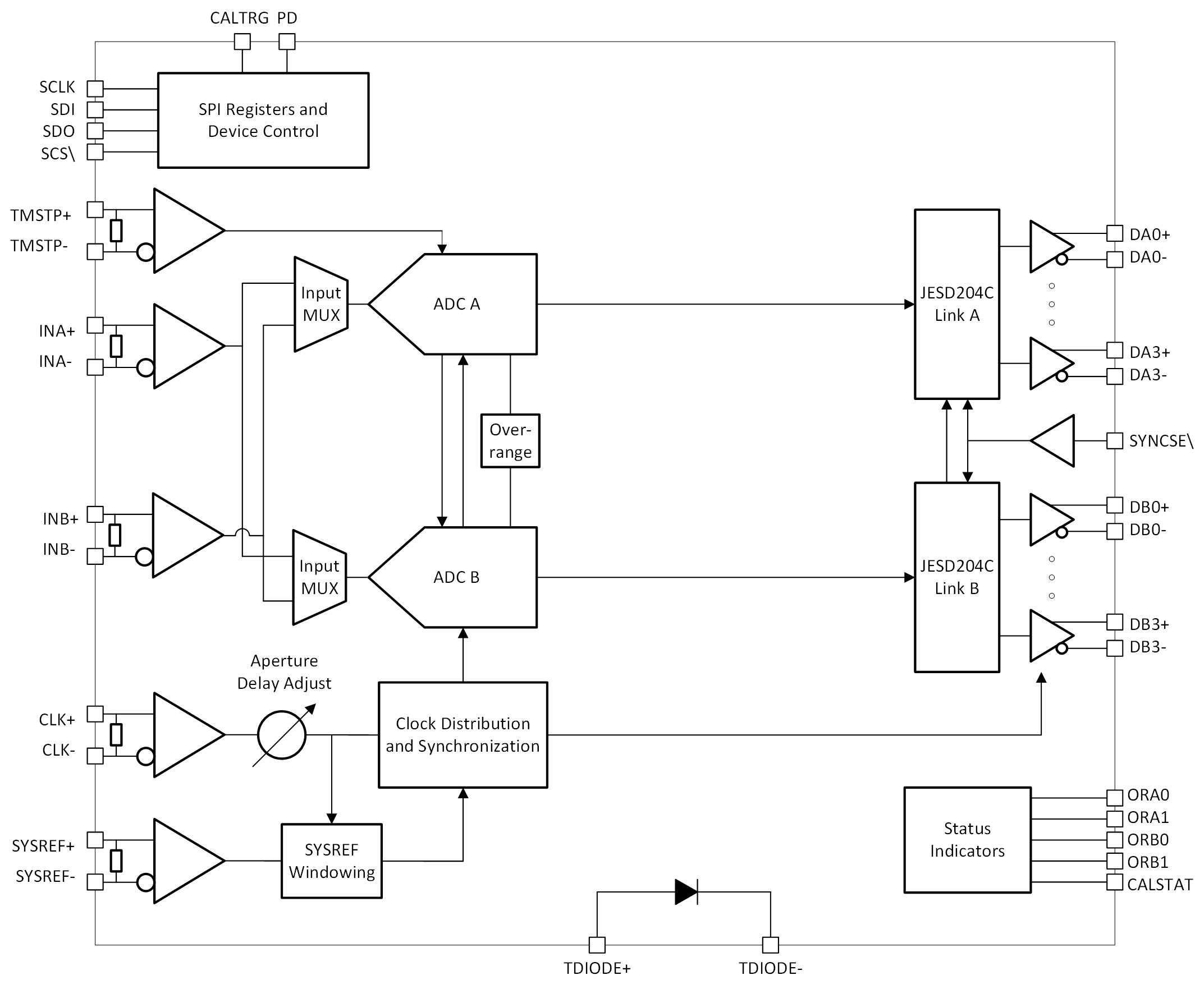
ADC08DJ5200RF 器件是一款射频采样千兆采样模数转换器 (ADC),可对从直流到 10GHz 以上的输入频率进行直接采样。 ADC08DJ5200RF 可配置为双通道 5.2GSPS ADC 或单通道 10.4GSPS ADC。支持高达 10GHz 的可用输入频率范围,可对频率捷变系统的 L、S、C 和 X 频带进行直接射频采样。

ADC08DJ5200RF 使用具有多达 16 个串行通道的高速 JESD204C 输出接口,支持高达 17.16Gbps 的线路速率。通过 JESD204C 子类 1 支持确定性延迟和多器件同步。JESD204C 接口可进行配置,对线路速率和通道数进行权衡。支持 8b/10b 和 64b/66b 数据编码方案。64b/66b 编码支持前向纠错 (FEC),可改进误码率。此接口向后兼容 JESD204B 接收器。

无噪声孔径延迟调节和 SYSREF 窗口等创新的同步特性可简化多通道应用的系统设计。可编程 FIR 滤波器可实现片上均衡。

  • ADC 内核:
    • 8 位分辨率
    • 单通道模式下的采样率高达 10.4 GSPS
    • 双通道模式下的采样率高达 5.2 GSPS
  • 性能规格:
    • 本底噪声(-20 dBFS,VFS = 1VPP-DIFF):
      • 双通道模式:-143.4 dBFS/Hz
      • 单通道模式:-146.2 dBFS/Hz
    • ENOB(双通道,FIN = 2.4GHz,TYP):7.8 位
  • VCMI 为 0V 时的缓冲模拟输入:
    • 模拟输入带宽 (-3dB):8.1 GHz
    • 可用输入频率范围:> 10 GHz
    • 满量程输入电压(VFS,默认值):0.8 VPP
  • 无噪声孔径延迟 (tAD) 调节:
    • 精确采样控制:19 fs 步长
    • 简化同步和交错
    • 温度和电压不变延迟
  • 简便易用的同步特性:
    • 自动 SYSREF 计时校准
    • 样片标记时间戳
  • JESD204C 串行数据接口:
    • 最大通道速率:17.16 Gbps
    • 支持 64b/66b 和 8b/10b 编码
    • 8b/10b 模式兼容 JESD204B
  • 峰值射频输入功率 (Diff):+26.5 dBm(+ 27.5 dBFS,560x 满量程功率)
  • 可实现均衡的可编程 FIR 滤波器
  • 功耗:3.8W
  • 电源:1.1V/1.9V
Sample rate (max) (Msps)5200, 10400
Resolution (Bits)8
Number of input channels1, 2
Interface typeJESD204B, JESD204C
Analog input BW (MHz)8100
FeaturesUltra High Speed
RatingCatalog
Peak-to-peak input voltage range (V)0.825
Power consumption (typ) (mW)3700
ArchitectureFolding Interpolating
SNR (dB)48.8
ENOB (bit)7.8
SFDR (dB)65
Operating temperature range (°C)-40 to 85
Input bufferYes
FCCSP (AAV)144100 mm² 10 x 10
产品购买
  • 商品型号
  • 封装
  • 工作温度
  • 包装
  • 价格
  • 现货库存
  • 操作
10s
温馨提示:
订单商品问题请移至我的售后服务提交售后申请,其他需投诉问题可移至我的投诉提交,我们将在第一时间给您答复
返回顶部