h1_key

TI(德州仪器) ADC3664
德州仪器 (TI) 全系列产品在线购买
  • TI(德州仪器) ADC3664
  • TI(德州仪器) ADC3664
  • TI(德州仪器) ADC3664
  • TI(德州仪器) ADC3664
  • TI(德州仪器) ADC3664
  • TI(德州仪器) ADC3664
立即查看
您当前的位置: 首页 > 数据转换器 > 模数转换器 (ADC) > 高速 ADC (≥10MSPS) > ADC3664
ADC3664

ADC3664

正在供货

具有 SLVDS 接口的双通道、14 位、125MSPS、高 SNR、低功率 ADC

产品详情
  • 说明
  • 特性
  • 参数
  • 封装 | 引脚 | 尺寸

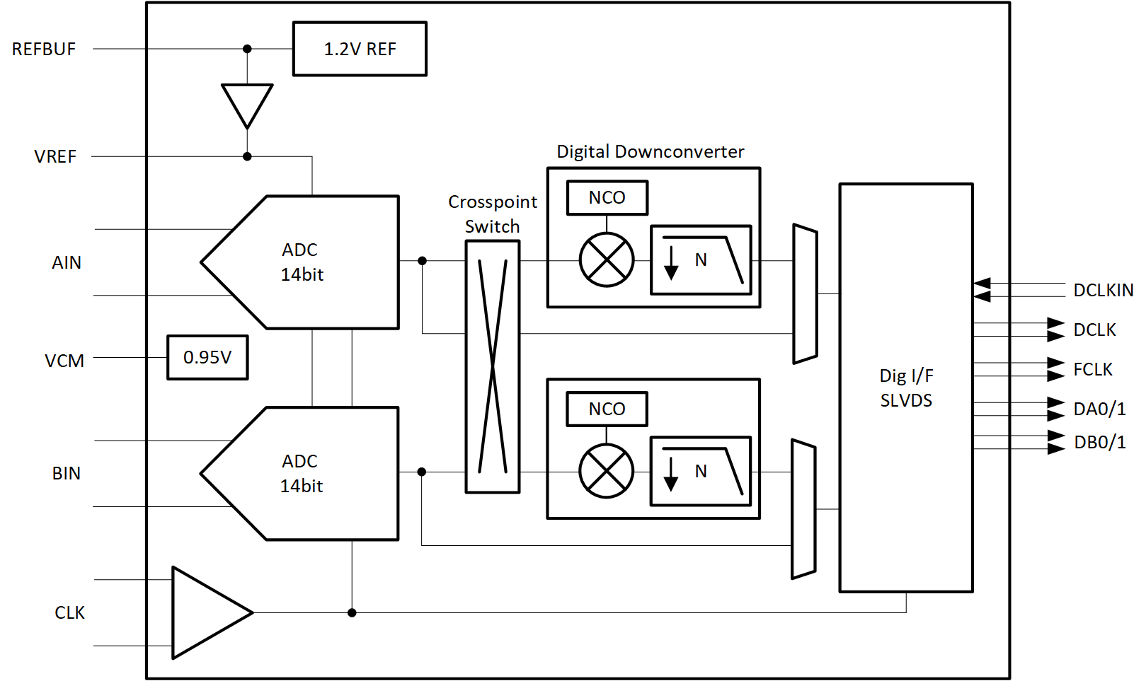
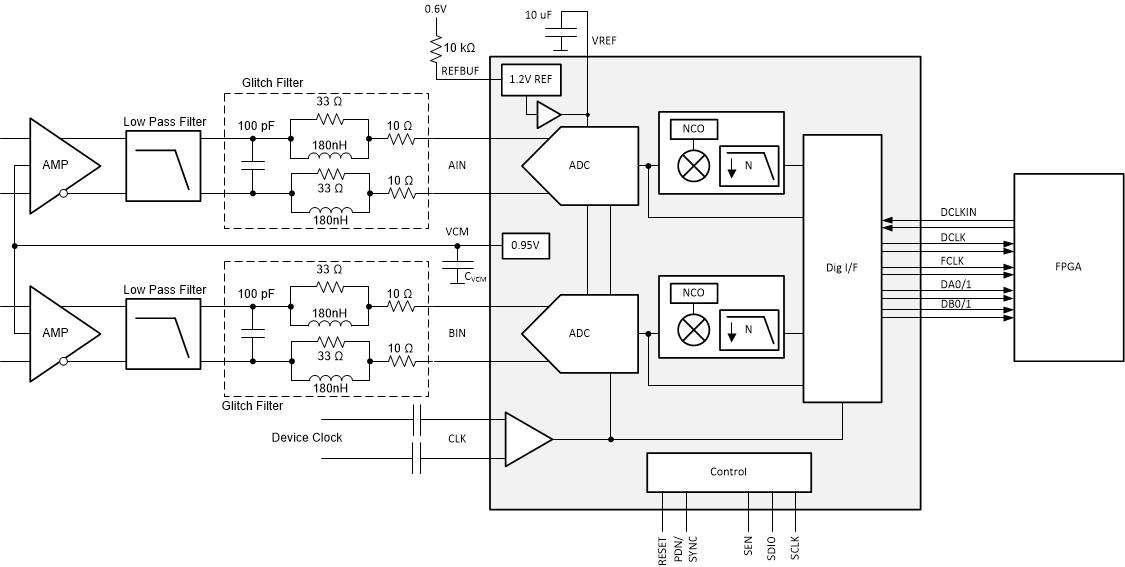
ADC3664 器件是一款低噪声、超低功耗、14 位、125MSPS 高速双通道 ADC。该器件可实现超低噪声性能和 -156.9dBFS/Hz 的噪声频谱密度,还具有出色的线性度和动态范围。ADC3664 可提供中频采样支持,使器件适合各种应用。高速控制环路受益于低至一个时钟周期的低延迟。该 ADC 在 125MSPS 下的功耗仅为每通道 100mW,其功耗随采样率减小而迅速降低。

ADC3664 使用串行 LVDS (SLVDS) 接口输出数据,可更大限度减少数字互连的次数。该器件提供双通道、单通道和半通道选项。ADC3664 与 16 位分辨率 ADC 系列实现了引脚对引脚兼容。该器件支持 –40⁰C 至 +105⁰C 的工业级工作温度范围。

  • 14 位 125MSPS ADC
  • 本底噪声:-156.9dBFS/Hz
  • 低功耗:100mW/ch
  • 延迟:2 个时钟周期
  • 电压基准:
    • 外部:65MSPS 至 125MSPS
    • 内部:100MSPS 至 125MSPS
  • 保证 14 位,无丢码
  • 输入带宽:1.4GHz (3dB)
  • INL:±2.6LSB;DNL:±0.9LSB
  • 工业温度范围:-40°C 至 +105°C
  • 片上数字滤波器(可选)
    • 2 倍、4 倍、8 倍、16 倍、32 倍抽取率
    • 32 位 NCO
  • 串行 LVDS 数字接口(2 线、1 线和 1/2 线)
  • 小尺寸:40 引脚 VQFN (5mm × 5mm) 封装
  • 频谱性能 (fIN = 5MHz):
    • SNR:77.5dBFS
    • SFDR:84dBc HD2、HD3
    • SFDR:92dBFS 最严重毛刺
  • 频谱性能 (fIN = 70MHz):
    • SNR:75.5dBFS
    • SFDR:76dBc HD2、HD3
    • SFDR:84dBFS 最严重毛刺
Sample rate (max) (Msps)125
Resolution (Bits)14
Number of input channels2
Interface typeSerial LVDS
Analog input BW (MHz)1400
FeaturesHigh Dynamic Range, High Performance, Low Power
RatingCatalog
Peak-to-peak input voltage range (V)3.2
Power consumption (typ) (mW)200
ArchitectureSAR
SNR (dB)77.5
ENOB (bit)12.6
SFDR (dB)84
Operating temperature range (°C)-40 to 105
Input bufferNo
WQFN (RSB)4025 mm² 5 x 5
产品购买
  • 商品型号
  • 封装
  • 工作温度
  • 包装
  • 价格
  • 现货库存
  • 操作
10s
温馨提示:
订单商品问题请移至我的售后服务提交售后申请,其他需投诉问题可移至我的投诉提交,我们将在第一时间给您答复
返回顶部