h1_key

TI(德州仪器) AFE7444
德州仪器 (TI) 全系列产品在线购买
  • TI(德州仪器) AFE7444
  • TI(德州仪器) AFE7444
  • TI(德州仪器) AFE7444
  • TI(德州仪器) AFE7444
  • TI(德州仪器) AFE7444
  • TI(德州仪器) AFE7444
立即查看
您当前的位置: 首页 > 射频与微波 > 宽带收发器、接收器、发射器 > 射频采样收发器 > AFE7444
AFE7444

AFE7444

正在供货

4 发送、4 接收、10MHz 至 6GHz、支持高达 600MHz IBW 的射频采样收发器

产品详情
  • 说明
  • 特性
  • 参数
  • 封装 | 引脚 | 尺寸

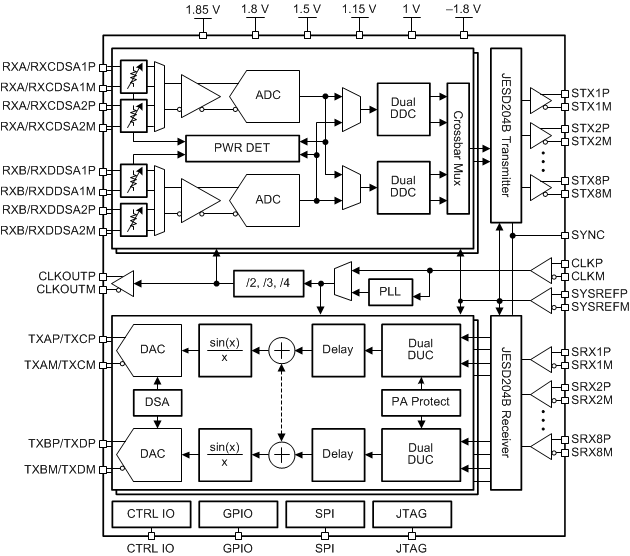
AFE7444 是具有 14 位 9GSPS DAC 和 14 位 3GSPS ADC 的四路通道宽频带射频采样模拟前端 (AFE)。可在高达 6GHz 的射频下工作,此器件支持直接射频采样到 C 频带,无需其他频率转换阶段。密度和灵活性的改进实现了对高通道数、多任务系统的支持。

DAC 信号路径支持插值和数字上变频选项,提供高达 800MHz 信号带宽。差动输出路径包括支持输出功率调优的数字步进衰减器 (DSA)。

每个 ADC 输入路径包括一个双通道 DSA 和射频数字功率检测器。灵活的抽取选项提供数据带宽优化。

8 通道 (8 TX + 8 RX) 子类 1 兼容性 JESD204B 接口运行速度高达 15Gbps。可旁路片上 PLL 通过可选时钟输出简化时钟运行。

  • 四通道、14 位 9GSPS DAC
    • 信号带宽高达 800MHz
    • 每通道 1个 DSA 调节输出功率
  • 四通道、14 位 3GSPS ADC
    • 信号带宽高达 800MHz
    • NSD:–151dBFS/Hz
    • fIN = 2.6GHz、–3dBFS 时的交流性能
      • SNR:55dBFS
      • SFDR:73dBc HD2 和 HD3
      • SFDR:91dBc(最严重毛刺)
    • 每通道 2 个 DSA 扩展动态范围
    • 射频和数字功率检测器
  • 射频频率范围:10MHz 至 6GHz
  • 快速跳频 < 1µs
  • 接收数字信号路径:
    • 每个 ADC 连接双通道 DDC
    • 每个 DDC 有 3 个相位同调 32 位 NCO
    • 抽取率:3 倍至 32 倍
  • 发送数字信号路径:
    • 每个带有 32 位 NCO 的 DAC 连接双通道 DUC
    • 插值率:8 倍至 36 倍
    • Sin(x)/x 校正和可配置延迟
    • 功率放大器保护 (PAP)
  • JESD204B 接口:
    • 8 个高达 15Gbps 的收发器
    • 子类 1 多芯片同步
  • 时钟:
    • 具有旁路选项的内部 PLL 和 VCO
    • 利用时钟分频器产生最高为 3GHz 的时钟输出
  • DAC 功耗:9GSPS 时为 1.7W/ch
  • ADC 功耗:3GSPS 时为 1.8W/ch
  • 封装:17mm x 17mm FC BGA,0.8mm 间距
ApplicationsGeneral purpose
Number of TXs and RXs4 TX
Number of DUCs per TX2
Number of DDCs per RX2
RF frequency (max) (MHz)6000
RF frequency (min) (MHz)10
Operating temperature range (°C)-40 to 85
RatingCatalog
FCBGA (ABJ)400289 mm² 17 x 17
FCBGA (ALK)400289 mm² 17 x 17
产品购买
  • 商品型号
  • 封装
  • 工作温度
  • 包装
  • 价格
  • 现货库存
  • 操作
10s
温馨提示:
订单商品问题请移至我的售后服务提交售后申请,其他需投诉问题可移至我的投诉提交,我们将在第一时间给您答复
返回顶部