h1_key

TI(德州仪器) ADS52J91
德州仪器 (TI) 全系列产品在线购买
  • TI(德州仪器) ADS52J91
  • TI(德州仪器) ADS52J91
  • TI(德州仪器) ADS52J91
  • TI(德州仪器) ADS52J91
  • TI(德州仪器) ADS52J91
  • TI(德州仪器) ADS52J91
立即查看
您当前的位置: 首页 > 数据转换器 > 模数转换器 (ADC) > 高速 ADC (≥10MSPS) > ADS52J91
ADS52J91

ADS52J91

正在供货

具有 LVDS 和 JESD 输出的 10 位、12 位和 14 位多通道低功耗 ADC

产品详情
  • 说明
  • 特性
  • 参数
  • 封装 | 引脚 | 尺寸

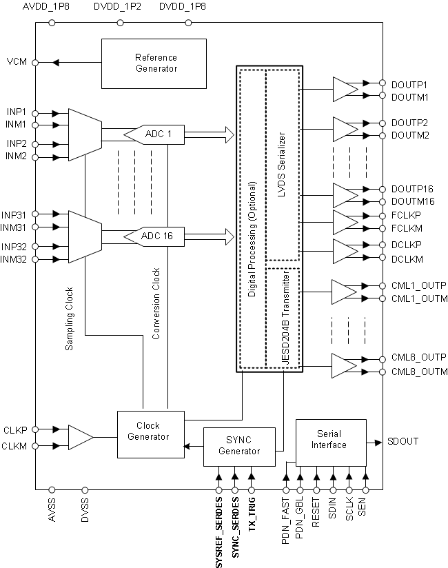
ADS52J91 是一款低功耗、高性能、16 通道的模数转换器 (ADC)。每个 ADC 在 10 位模式下的转换速率可高达 125MSPS。ADC 分辨率越高,最高转换速率越低。

该器件可配置为接受 8、16 或 32 个输入。在 32 位模式下,每个 ADC 以值为 ADC 转换速率一半的有效采样率对两个不同输入交替进行采样并转换。在 8 位输入模式下,两个 ADC 以交错方式对同一输入进行转换,这种情况下的有效采样率为 ADC 转换速率的 2 倍。ADC 设计为根据转换速率调整其功耗。

ADC 输出会进行串行化,并与帧时钟和高速位时钟一起通过低压差分信令 (LVDS) 接口输出。

该器件还具有一个可选的 JESD204B 接口,同时可在 16 输入和 32 输入模式下工作。该接口的运行速率最高可达 5Gbps

该器件采用间距为 0.8mm 的 9mm × 15mm NFBGA-198 封装

  • 16 通道 ADC,可配置为对 8、16 或 32 路 输入进行转换
  • 最大 ADC 转换速率:
    • 10 位模式下为 125MSPS
    • 12 位模式下为 100MSPS
    • 14 位模式下为 65MSPS
  • 电源:1.2 V/1.8 V
  • 差分或单端输入时钟
  • 信噪比 (SNR):
    • 10 位模式下为 61dBFS
    • 12 位模式下为 69dBFS
    • 14 位模式下为 73.5dBFS
  • 125MSPS 时的功耗: 48.6mW/通道
  • 16 个 ADC 经配置可进行下列转换:
    • 8 路输入,采样率为 ADC 转换速率的 2 倍
    • 16 路输入,采样率与 ADC 转换速率相同
    • 32 路输入,采样率为 ADC 转换速率的一半
  • 支持 10/12/14/16 倍串行化的 1Gbps LVDS 接口
  • 5Gbps JESD 接口:
    • JESD204B 子类 0、1 和 2
    • 每个 JESD 信道包含 2、4 或 8 个通道
  • 封装:NFBGA-198 (9mm × 15mm)
Sample rate (max) (Msps)100
Resolution (Bits)10, 14
Number of input channels8, 16, 32
Interface typeJESD204B, Serial LVDS
Analog input BW (MHz)70
FeaturesLow Power
RatingCatalog
Peak-to-peak input voltage range (V)2
Power consumption (typ) (mW)656
ArchitectureSAR
SNR (dB)73.5
ENOB (bit)10, 12, 14
SFDR (dB)91.8
Operating temperature range (°C)0 to 70
Input bufferNo
NFBGA (ZZE)198135 mm² 9 x 15
产品购买
  • 商品型号
  • 封装
  • 工作温度
  • 包装
  • 价格
  • 现货库存
  • 操作
10s
温馨提示:
订单商品问题请移至我的售后服务提交售后申请,其他需投诉问题可移至我的投诉提交,我们将在第一时间给您答复
返回顶部