h1_key

TI(德州仪器) ADC12DL3200
德州仪器 (TI) 全系列产品在线购买
  • TI(德州仪器) ADC12DL3200
  • TI(德州仪器) ADC12DL3200
  • TI(德州仪器) ADC12DL3200
  • TI(德州仪器) ADC12DL3200
  • TI(德州仪器) ADC12DL3200
  • TI(德州仪器) ADC12DL3200
立即查看
您当前的位置: 首页 > 数据转换器 > 模数转换器 (ADC) > 高速 ADC (≥10MSPS) > ADC12DL3200
ADC12DL3200

ADC12DL3200

正在供货

12 位双通道 3.2GSPS 或单通道 6.4GSPS 射频采样数模转换器(LVDS 接口)

产品详情
  • 说明
  • 特性
  • 参数
  • 封装 | 引脚 | 尺寸

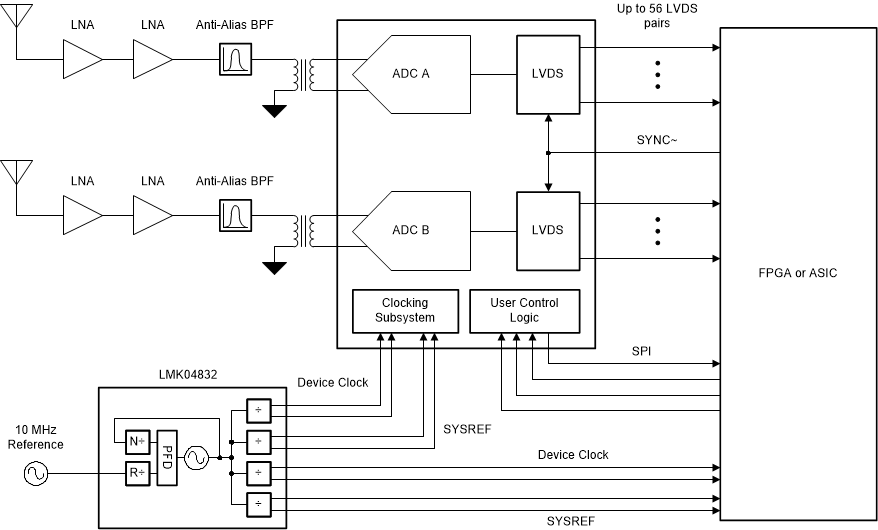
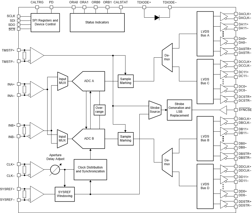
ADC12DL3200 是一款射频采样千兆采样模数转换器 (ADC),可对从直流到 10GHz 以上的输入频率进行直接采样。ADC12DL3200 在双通道模式下的最大采样速率为 3200MSPS,在单通道模式下的最大采样速率为 6400MSPS。该器件可通过编程方式针对通道数(双通道模式)和奈奎斯特带宽(单通道模式)进行权衡,方便用户开发灵活的硬件,从而满足高通道数或宽瞬时信号带宽应用的需求。它具有 8.0GHz 的全功率输入带宽 (-3dB) 和实用的频率范围,可对频率捷变系统的 L、S、C 和 X 频带进行直接射频采样。

ADC12DL3200 针对延迟敏感型应用采用低延迟的低电压差分信号 (LVDS) 接口,或在需要 LVDS 的简易性时使用该接口。该接口使用多达 48 个数据对、四个双倍数据速率 (DDR) 时钟和四个选通信号(安排在四条 12 位数据总线中)。该接口支持高达 1.6Gbps 的信号速率。选通信号可简化总线间和多个器件间的同步工作。选通信号是在内部产生的,并且 SYSREF 输入可在确定的时间将其复位。无噪声孔径延迟 (T AD) 调节和 SYSREF 窗口化等创新的同步特性进一步简化了多器件同步。

  • ADC 内核:
    • 12 位分辨率
    • 单通道模式下采样速率高达 6.4GSPS
    • 双通道模式下采样速率高达 3.2GSPS
  • 内部抖动技术,可产生低幅高位谐波
  • 低延迟 LVDS 接口:
    • 总延迟:< 10ns
    • 多达 48 个速率为 1.6Gbps 的数据对
    • 四个 DDR 数据时钟
    • 选通信号会简化同步
  • 本底噪声(无输入,V FS = 1.0V PP-DIFF):
    • 双通道模式:-151.1dBFS/Hz
    • 单通道模式:-154.3dBFS/Hz
  • V CMI 为 0V 的缓冲模拟输入:
    • 模拟输入带宽 (–3dB):8.0 GHz
    • 可用输入频率范围:> 10 GHz
    • 满量程输入电压(V FS,默认值):0.8 V PP
  • 无噪声孔径延迟 (T AD) 调节:
    • 精确采样控制:19 fs 步长
    • 简化同步和交错
    • 温度和电压不变延迟
  • 简便易用的同步特性:
    • 自动 SYSREF 计时校准
    • 样片标记时间戳
  • 功耗:3.15W
Sample rate (max) (Msps)3200, 6400
Resolution (Bits)12
Number of input channels1, 2
Interface typeDDR LVDS, Parallel LVDS
Analog input BW (MHz)8000
FeaturesUltra High Speed
RatingCatalog
Peak-to-peak input voltage range (V)0.8
Power consumption (typ) (mW)3150
ArchitectureFolding Interpolating
SNR (dB)57.9
ENOB (bit)9
SFDR (dB)78
Operating temperature range (°C)-40 to 85
Input bufferYes
FCBGA (ACF)256289 mm² 17 x 17
FCBGA (ALJ)256289 mm² 17 x 17
产品购买
  • 商品型号
  • 封装
  • 工作温度
  • 包装
  • 价格
  • 现货库存
  • 操作
10s
温馨提示:
订单商品问题请移至我的售后服务提交售后申请,其他需投诉问题可移至我的投诉提交,我们将在第一时间给您答复
返回顶部