h1_key

TI(德州仪器) DAC38RF82
德州仪器 (TI) 全系列产品在线购买
  • TI(德州仪器) DAC38RF82
  • TI(德州仪器) DAC38RF82
  • TI(德州仪器) DAC38RF82
  • TI(德州仪器) DAC38RF82
  • TI(德州仪器) DAC38RF82
  • TI(德州仪器) DAC38RF82
立即查看
您当前的位置: 首页 > 射频与微波 > 宽带收发器、接收器、发射器 > 发送器 > DAC38RF82
DAC38RF82

DAC38RF82

正在供货

双通道 14 位 9GSPS 1x-24x 内插 6GHz 和 9GHz PLL 数模转换器 (DAC)

产品详情
  • 说明
  • 特性
  • 参数
  • 封装 | 引脚 | 尺寸

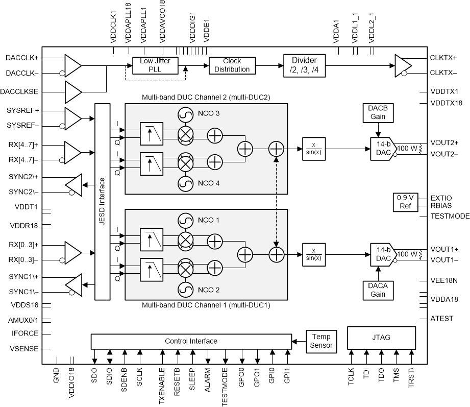
DAC38RF82 和 DAC38RF89 是高性能的宽带宽型射频采样数模转换器 (DAC),能够实现高达 3.33GSPS 的双通道输入数据速率或高达 9GSPS 的 8 位单通道运行状态。这些器件具有一个多达 8 通道的低功耗 JESD204B 接口,最大比特率为 12.5Gbps。

在双通道运行状态下,无插值时输入接口的数据速率高达 3.33GSPS(12 位分辨率)和 2.5GSPS(16 位分辨率)。当用作具有 2x 至 24x 插值模式的复合基带发送器时,DAC38RF82 或 DAC38RF89 可以合成具有 16 位输入分辨率的高达 2GHz 带宽的宽带信号和具有 12 位输入分辨率的 2.66GHz 带宽的宽带信号。

8 位模式允许以 9GSPS 的最大 DAC 采样率进行输入,并可合成 0 至 4.5GHz 的宽带信号。

可选的低抖动 PLL/VCO 通过允许使用频率较低的参考时钟来简化 DAC 时钟的生成。DAC38RF82 和 DAC38RF89 支持不同的 VCO 频率范围,如器件比较表 所示。

  • 具有多模式运行方式的 14 位分辨率、9GSPS DAC
    • 16 位、双通道数据模式
      • 最大输入速率:2.5GSPS
      • 宽带数字上变频器
        • 插值:1、2、4、6、8、10、12、16、18、20、24x
    • 12 位、双通道数据模式
      • 最大输入速率:3.33GSPS
      • 宽带数字上变频器
        • 插值:1、2、24x
    • 8 位、单通道数据模式
      • 最大输入速率:9GSPS
  • JESD204B 接口
    • 子类 1 支持多芯片同步
    • 最大通道速率:12.5Gbps
  • 差分输出
    • 支持直流耦合
    • 射频满量程输出功率(采用 2:1 平衡-非平衡变压器):
      2.14GHz 时为 3dBm
  • 具有旁路功能的内部 PLL 和 VCO
    • DAC38RF82:fC(VCO) = 5.9 或 8.9GHz
    • DAC38RF89:fC(VCO) = 5 或 7.5GHz
  • 电源:-1.8V、1.0V、1.8V
  • 封装:10mm x 10mm BGA,间距为 0.8mm,
    144 个焊球
Frequency (min) (MHz)0
Frequency (max) (MHz)4000
Resolution (Bits)14
Sample/update rate (Msps)9000
Number of DAC channels2
Interpolation10x, 12x, 16x, 18x, 1x, 20x, 24x, 2x, 4x, 6x, 8x
Output typeDifferential
Power consumption (typ) (mW)3800
Operating temperature range (°C)-40 to 85
RatingCatalog
FCCSP (AAV)144100 mm² 10 x 10
产品购买
  • 商品型号
  • 封装
  • 工作温度
  • 包装
  • 价格
  • 现货库存
  • 操作
10s
温馨提示:
订单商品问题请移至我的售后服务提交售后申请,其他需投诉问题可移至我的投诉提交,我们将在第一时间给您答复
返回顶部