h1_key

TI(德州仪器) LM2904BA
德州仪器 (TI) 全系列产品在线购买
  • TI(德州仪器) LM2904BA
  • TI(德州仪器) LM2904BA
  • TI(德州仪器) LM2904BA
  • TI(德州仪器) LM2904BA
  • TI(德州仪器) LM2904BA
  • TI(德州仪器) LM2904BA
立即查看
您当前的位置: 首页 > 放大器 > 运算放大器 (op amps) > 通用运算放大器 > LM2904BA
LM2904BA

LM2904BA

正在供货

工作温度范围为 -40°C 至 125°C 的双路、36V、1.2MHz、2mV 失调电压运算放大器

产品详情
  • 说明
  • 特性
  • 参数
  • 封装 | 引脚 | 尺寸

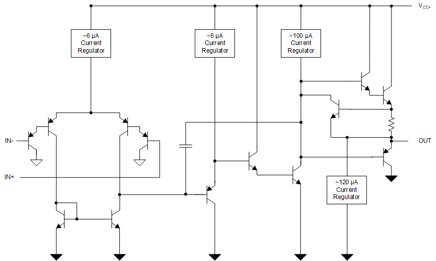
LM358B 和 LM2904B 器件是行业标准运算放大器 LM358 和 LM2904 的下一代版本,其中包括两个高压 (36V) 运算放大器。这些器件为成本敏感型应用提供了卓越的价值,其特性包括低偏移(300µV,典型值)、对地共模输入范围和高差分输入电压能力。

LM358B 和 LM2904B 运算放大器利用单位增益稳定性、更低的失调电压(最大值为 3mV;LM358BA 和 LM2904BA 的最大值为 2mV)和更低的静态电流(每个放大器为 300µA,典型值)等增强型特性简化了电路设计。高 ESD(2kV,HBM)和集成 EMI 以及射频滤波器可支持将 LM358B 和 LM2904B 器件用于更严苛、更具环境挑战性的应用。

LM358B 和 LM2904B 放大器采用微型封装(如 SOT23-8),以及行业标准封装(包括 SOIC、TSSOP 和 VSSOP)。

  • 3V 至 36V 的宽电源电压范围(B、BA 版本)
  • 静态电流:300 µA/通道(B、BA 版本)
  • 单位增益带宽为 1.2 MHz(B、BA 版本)
  • 共模输入电压范围包括接地,支持近地直接感测
  • 25°C 时的最大输入失调电压为 2 mV(BA 版本)
  • 25°C 时的最大输入失调电压为 3 mV(A、B 版本)
  • 内部射频和 EMI 滤波器(B、BA 版本)
  • 对于符合 MIL-PRF-38535 标准的产品,所有参数均经过测试,除非另有说明。对于所有其他产品,生产流程不一定包含对所有参数的测试。
Number of channels2
Total supply voltage (+5 V = 5, ±5 V = 10) (max) (V)36
Total supply voltage (+5 V = 5, ±5 V = 10) (min) (V)3
Rail-to-railIn to V-
GBW (typ) (MHz)1.2
Slew rate (typ) (V/µs)0.5
Vos (offset voltage at 25°C) (max) (mV)2
Iq per channel (typ) (mA)0.3
Vn at 1 kHz (typ) (nV√Hz)40
RatingCatalog
Operating temperature range (°C)-40 to 125
Offset drift (typ) (µV/°C)3.5
FeaturesCost Optimized, EMI Hardened, Standard Amps
Input bias current (max) (pA)35000
CMRR (typ) (dB)94
Iout (typ) (A)0.03
ArchitectureBipolar
Input common mode headroom (to negative supply) (typ) (V)0
Input common mode headroom (to positive supply) (typ) (V)-1.5
Output swing headroom (to negative supply) (typ) (V)0.005
Output swing headroom (to positive supply) (typ) (V)-1.4
SOIC (D)829.4 mm² 4.9 x 6
SOT-23-THN (DDF)88.12 mm² 2.9 x 2.8
TSSOP (PW)819.2 mm² 3 x 6.4
VSSOP (DGK)814.7 mm² 3 x 4.9
产品购买
  • 商品型号
  • 封装
  • 工作温度
  • 包装
  • 价格
  • 现货库存
  • 操作
10s
温馨提示:
订单商品问题请移至我的售后服务提交售后申请,其他需投诉问题可移至我的投诉提交,我们将在第一时间给您答复
返回顶部