h1_key

TI(德州仪器) ADS54J66
德州仪器 (TI) 全系列产品在线购买
  • TI(德州仪器) ADS54J66
  • TI(德州仪器) ADS54J66
  • TI(德州仪器) ADS54J66
  • TI(德州仪器) ADS54J66
  • TI(德州仪器) ADS54J66
  • TI(德州仪器) ADS54J66
立即查看
您当前的位置: 首页 > 数据转换器 > 模数转换器 (ADC) > 高速 ADC (≥10MSPS) > ADS54J66
ADS54J66

ADS54J66

正在供货

四通道、14 位、500MSPS 模数转换器 (ADC)

产品详情
  • 说明
  • 特性
  • 参数
  • 封装 | 引脚 | 尺寸

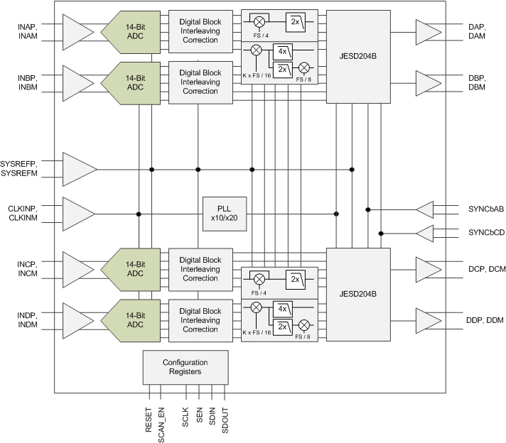
ADS54J66 是一款低功耗、高带宽、14 位、500MSPS、四通道电信接收器。ADS54J66 支持 JESD204B 串行接口,每个通道上具有 1 条信道,数据传输速率高达 10Gbps。经缓冲的模拟输入可在较宽频率范围内提供统一输入阻抗,并最大程度地降低采样和保持毛刺脉冲能量。ADS54J66 以超低功耗在宽输入频率范围内提供出色的无杂散动态范围 (SFDR)。数字信号处理模块包含复混频器,后接低通滤波器。低通滤波器具有 2 倍抽取率和 4 倍抽取率两个选项,支持高达 200MHz 的接收器带宽。

JESD204B 接口减少了接口线路数,从而实现高系统集成度。内部锁相环 (PLL) 会将传入的模数转换器 (ADC) 采样时钟加倍,以获得串行化各通道的 14 位数据时所使用的位时钟。

  • 四通道
  • 14 位分辨率
  • 最大时钟频率:500MSPS
  • 输入带宽 (3dB):900MHz
  • 片上抖动
  • 具有高阻抗输入的模拟输入缓冲器
  • 输出选项:
    • Rx:通过低通滤波器实现 2 倍抽取率 和 4 倍抽取率选项
    • 200MHz 复杂带宽或 100MHz 实际带宽支持
    • DPD FB:500MSPS
  • 1.9VPP 差分满量程输入
  • JESD204B 接口:
    • 子类 1 支持
    • 每个 ADC 一条信道,速率高达 10Gsps
    • 专用于通道对的 SYNC 引脚
  • 支持多芯片同步
  • 72 引脚 VQFN 封装 (10mm × 10mm)
  • 主要规格:
    • 功耗:675mW/ch
    • 频谱性能(未抽取)
      • fIN = 190MHz 中频 (IF)(–1dBFS 时):
        • SNR:69.5dBFS
        • NSD:-153.5dBFS/Hz
        • SFDR:86dBc(HD2,HD3), 93dBFS(非 HD2,HD3)
      • fIN = 370 MHz IF(–3dBFS 时):
        • SNR:68.5dBFS
        • NSD:-152.5dBFS/Hz
        • SFDR:81dBc(HD2,HD3), 86dBFS(非 HD2,HD3)
Sample rate (max) (Msps)500
Resolution (Bits)14
Number of input channels4
Interface typeJESD204B
Analog input BW (MHz)900
FeaturesHigh Performance
RatingCatalog
Peak-to-peak input voltage range (V)1.9
Power consumption (typ) (mW)2700
ArchitecturePipeline
SNR (dB)74.1
ENOB (bit)11.4
SFDR (dB)97
Operating temperature range (°C)-40 to 85
Input bufferYes
VQFNP (RMP)72100 mm² 10 x 10
产品购买
  • 商品型号
  • 封装
  • 工作温度
  • 包装
  • 价格
  • 现货库存
  • 操作
10s
温馨提示:
订单商品问题请移至我的售后服务提交售后申请,其他需投诉问题可移至我的投诉提交,我们将在第一时间给您答复
返回顶部