h1_key

TI(德州仪器) AMC1304L25
德州仪器 (TI) 全系列产品在线购买
  • TI(德州仪器) AMC1304L25
  • TI(德州仪器) AMC1304L25
  • TI(德州仪器) AMC1304L25
  • TI(德州仪器) AMC1304L25
  • TI(德州仪器) AMC1304L25
  • TI(德州仪器) AMC1304L25
立即查看
您当前的位置: 首页 > 隔离 > 隔离式 ADC > AMC1304L25
AMC1304L25

AMC1304L25

正在供货

具有 LDO 和 LVDS 接口的 ±250mV 输入、精密电流检测增强型隔离式调制器

产品详情
  • 说明
  • 特性
  • 参数
  • 封装 | 引脚 | 尺寸

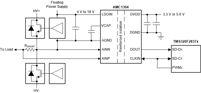
AMC1304 是一款高精度 Δ-Σ (ΔΣ) 调制器,通过磁场抗扰度较高的电容式双隔离栅隔离输出与输入电路。根据 DIN V VDE V 0884-10、UL1577 和 CSA 标准,该隔离栅经认证可提供高达 7000 VPEAK 的增强型隔离。当与隔离电源配合使用时,该器件可防止共模高电压线路上的噪声电流进入本地系统接地,从而干扰或损害低电压电路。

AMC1304 的输入针对直接连接分流电阻或其他低电压等级信号源进行了优化。凭借独特的 ±50mV 低输入电压范围,器件可通过分流显著降低功耗,同时具有出色的交流和直流性能。通过使用适当的数字滤波器(即集成于 TMS320F2807xTMS320F2837x 系列)来抽取位流,该器件可在 78kSPS 数据速率下实现 81dB (13.2 ENOB) 动态范围的 16 位分辨率。

在高侧,调制器由集成的低压降 (LDO) 稳压器供电,该稳压器支持介于 4V 和 18V 之间的未经稳压的输入电压 (LDOIN)。隔离数字接口由 3.3V 或 5V 电源 (DVDD) 供电。

AMC1304 采用宽体小外形尺寸集成电路 (SOIC)-16 (DW) 封装,工作温度范围为 –40°C 至 +125°C。

  • 针对基于分流电阻的电流测量进行优化的引脚兼容系列:
    • 输入电压范围为 ±50mV 或 ±250mV
    • CMOS 或 LVDS 数字接口选项
  • 出色的直流性能,支持系统级高精度感测:
    • 偏移误差:±50µV 或 ±100µV(最大值)
    • 偏移漂移:1.3µV/°C(最大值)
    • 增益误差:±0.2% 或 ±0.3%(最大值)
    • 增益漂移:±40ppm/°C(最大值)
  • 安全相关认证:
    • 7000 VPK 增强型隔离,符合 DIN V VDE V 0884-10 (VDE V 0884-10): 2006-12 标准
    • 符合 UL 1577 标准且长达 1 分钟的 5000 VRMS 隔离
    • CAN/CSA No. 5A 组件接受服务通知、IEC 60950-1 和 IEC 60065 终端设备标准
  • 瞬态抗扰度:15kV/µs(最小值)
  • 高电磁场抗扰度
    (请参见应用手册 SLLA181A)
  • 外部 5MHz 至 20MHz 时钟输入
    可更加轻松地实现系统级同步
  • 18V 片载低压降 (LDO) 稳压器
  • 可在扩展工业温度范围内运行
Device typeCurrent sensing
Peak-to-peak input voltage range (V)250mV
Interface typeLVDS
Sample rate (max) (Msps)20
RatingCatalog
CMTI (min) (kV/µs)15
Number of input channels1
ArchitectureDelta-Sigma
SNR (dB)85
Operating temperature range (°C)-40 to 125
Power consumption (typ) (mW)58.9
SFDR (dB)-80
Isolation ratingReinforced
Withstand isolation voltage (VISO) (Vrms)5000
Working isolation voltage (VIOWM) (Vrms)1500
Transient isolation voltage (VIOTM) (VPK)7
Creepage (min) (mm)8.5
Clearance (min) (mm)8.5
SOIC (DW)16106.09 mm² 10.3 x 10.3
产品购买
  • 商品型号
  • 封装
  • 工作温度
  • 包装
  • 价格
  • 现货库存
  • 操作
10s
温馨提示:
订单商品问题请移至我的售后服务提交售后申请,其他需投诉问题可移至我的投诉提交,我们将在第一时间给您答复
返回顶部