h1_key

TI(德州仪器) ADC32J23
德州仪器 (TI) 全系列产品在线购买
  • TI(德州仪器) ADC32J23
  • TI(德州仪器) ADC32J23
  • TI(德州仪器) ADC32J23
  • TI(德州仪器) ADC32J23
  • TI(德州仪器) ADC32J23
  • TI(德州仪器) ADC32J23
立即查看
您当前的位置: 首页 > 数据转换器 > 模数转换器 (ADC) > 高速 ADC (≥10MSPS) > ADC32J23
ADC32J23

ADC32J23

正在供货

双通道、12 位、80MSPS 模数转换器 (ADC)

产品详情
  • 说明
  • 特性
  • 参数
  • 封装 | 引脚 | 尺寸

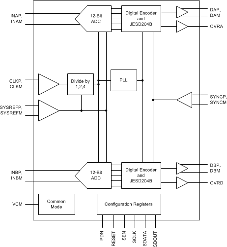
ADC32J2x 属于高线性度、超低功耗、双通道、12 位、50MSPS 至 160MSPS 模数转换器 (ADC) 系列。 此类器件专门设计用于支持具有宽动态范围需求且要求苛刻的高输入频率信号。 时钟输入分频器可给予系统时钟架构设计更高的灵活性,SYSREF 输入可实现整个系统同步。 该器件支持 JESD204B 接口,从而减少接口线路的数量,实现高系统集成度。 JESD204B 接口是串行接口,仅通过一个差分对即可串行输出每个 ADC 的数据。 内部锁相环 (PLL) 会将传入的 ADC 采样时钟乘以 20,以获得串行输出各通道的 12 位数据时所使用的位时钟。 该器件支持子类 1,接口速率高达 3.2Gbps。

  • 双通道
  • 12 位分辨率
  • 1.8V 单电源
  • 支持 1 分频,2 分频和 4 分频的灵活输入时钟缓冲器

  • fIN = 70MHz 时,信噪比 (SNR) = 70.3dBFS,无杂散动态范围 (SFDR) = 88dBc
  • 超低功耗:
    • 160MSPS 时为每通道 227mW
  • 通道隔离:105dB
  • 内部抖动
  • JESD204B 串口:
    • 兼容子类 0、1、2,速率最高达 3.2Gbps
    • 支持每个 ADC 一条通道(高达 160MSPS)
  • 支持多芯片同步
  • 与 14 位版本器件 (ADC32J4X) 引脚到引脚兼容
  • 封装:超薄四方扁平无引线 (VQFN)-48 (7mm x 7mm)

应用

  • 多载波、多模式蜂窝基站
  • 雷达和智能天线阵列
  • 炮弹制导
  • 电机控制反馈
  • 网络和矢量分析器
  • 通信测试设备
  • 无损检测
  • 微波接收器
  • 软件定义无线电 (SDR)
  • 正交和分集无线电接收器

All trademarks are the property of their respective owners.

Sample rate (max) (Msps)80
Resolution (Bits)12
Number of input channels2
Interface typeJESD204B
Analog input BW (MHz)450
FeaturesLow Power
RatingCatalog
Peak-to-peak input voltage range (V)2
Power consumption (typ) (mW)329
ArchitecturePipeline
SNR (dB)70.4
ENOB (bit)11.4
SFDR (dB)96
Operating temperature range (°C)-40 to 85
Input bufferNo
VQFN (RGZ)4849 mm² 7 x 7
产品购买
  • 商品型号
  • 封装
  • 工作温度
  • 包装
  • 价格
  • 现货库存
  • 操作
10s
温馨提示:
订单商品问题请移至我的售后服务提交售后申请,其他需投诉问题可移至我的投诉提交,我们将在第一时间给您答复
返回顶部