h1_key

TI(德州仪器) AMC7832
德州仪器 (TI) 全系列产品在线购买
  • TI(德州仪器) AMC7832
  • TI(德州仪器) AMC7832
  • TI(德州仪器) AMC7832
  • TI(德州仪器) AMC7832
  • TI(德州仪器) AMC7832
  • TI(德州仪器) AMC7832
立即查看
您当前的位置: 首页 > 数据转换器 > 集成型和特殊功能数据转换器 > 集成型精密 ADC 和 DAC > AMC7832
AMC7832

AMC7832

正在供货

12 位高密度模拟监控 (AMC) 解决方案

产品详情
  • 说明
  • 特性
  • 参数
  • 封装 | 引脚 | 尺寸

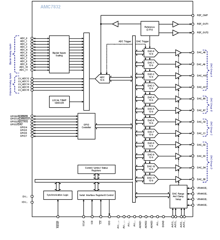
AMC7832 是一款高度集成、低功率、模拟监视和控制解决方案,此解决方案包括一个具有可编程警报的 17 通道,12 位模数转换器 (ADC),12 个输出范围在 0 至 +5V,0 至 +10V 或者 -10 至 +10V 的数模转换器 (DAC),8 个 GPIO,内部基准和一个本地温度传感器通道。 AMC7832 的高度集成大大减少了组件数量,并且简化了闭环系统设计。

AMC7832 非常适合于主板空间、尺寸和低功耗都十分关键的多通道应用。

AMC7832 的低功率、高集成度和宽工作温度范围使它成为针对多通道射频 (RF) 通信系统内功率放大器 (PA) 的理想一体化、低成本偏置控制电路。 灵活的 DAC 输出范围使得此器件可被用作针对多种晶体管技术(诸如 LDMOS,GaA 和 GaN)的偏置解决方案。 AMC7832 特性集同样适合于通用监视和控制系统。

对于那些要求一个不同通道数、额外特性、或者转换器分辨率的应用,德州仪器 (TI) 提供一个模拟监视和控制 (AMC) 产品的完整产品系列。 更多信息请访问

  • 12 个单调 12 位 DAC
    • 可选范围:0 至 +5V,0 至 +10V 和
      -10 至 0V
    • 高电流启动能力:高达 ±15mA
    • 可选钳位电压
  • 一个 12 位逐次逼近 (SAR) ADC
    • 17 个外部模拟输入
      • 12 个双极输入:范围 -12.5V 至 +12.5V
      • 5 个高精度输入:范围 0 至 +5V
    • 可编程超范围警报
  • 内部 +2.5V 基准
  • 内部温度传感器
    • -40°C 至 +125°C 运行温度范围
    • ±2.5°C 精度
  • 8 个通用 I/O 端口 (GPIO)
  • 低功率 SPI 兼容串行接口
    • 4 线制模式,+1.8V 至 +5.5V 运行范围
  • 工作温度范围:-40°C 至 +125°C
  • 采用 64 端子带散热片薄型四方扁平 (HTQFP) PowerPAD 封装

应用范围

  • 通信基础设施:
    • 蜂窝基站
    • 微波回程
    • 光纤网络
  • 通用监视 & 控制
  • 数据采集系统

All trademarks are the property of their respective owners.

Number of ADC channels17
ADC resolution (Bps)12
Number of DAC channels12
DAC resolution (Bps)12
Temperature sensingLocal
Number of GPIOs8
Interface typeSPI
FeaturesGPIO, Temp Sensor
Operating temperature range (°C)-40 to 125
RatingCatalog
ADC sampling rate (ksps)87
ADC analog input range (min) (V)-12.5
ADC analog input range (max) (V)12.5
DAC settling time (µs)10
DAC output full-scale (min) (V)-10
DAC output full-scale (max) (V)10
HTQFP (PAP)64144 mm² 12 x 12
产品购买
  • 商品型号
  • 封装
  • 工作温度
  • 包装
  • 价格
  • 现货库存
  • 操作
10s
温馨提示:
订单商品问题请移至我的售后服务提交售后申请,其他需投诉问题可移至我的投诉提交,我们将在第一时间给您答复
返回顶部