h1_key

TI(德州仪器) ADS62P19
德州仪器 (TI) 全系列产品在线购买
  • TI(德州仪器) ADS62P19
  • TI(德州仪器) ADS62P19
  • TI(德州仪器) ADS62P19
  • TI(德州仪器) ADS62P19
  • TI(德州仪器) ADS62P19
  • TI(德州仪器) ADS62P19
立即查看
您当前的位置: 首页 > 数据转换器 > 模数转换器 (ADC) > 高速 ADC (≥10MSPS) > ADS62P19
ADS62P19

ADS62P19

正在供货

双通道、11 位、250MSPS 模数转换器 (ADC)

产品详情
  • 说明
  • 特性
  • 参数
  • 封装 | 引脚 | 尺寸

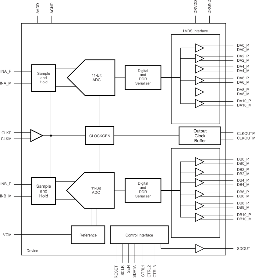
ADS62P19 是采样速率高达 250MSPS 的双通道,11 位,模数转换器 (ADC) 系列的产品成员。 此器件在一个紧凑型 QFN-64 封装内将高动态性能与低功耗组合在了一起。 这个功能性使得此器件非常适合于多载波、宽带宽通信应用。

ADS62P19 具有可被用于在较低满量程输入范围内改进无杂散动态范围 (SFDR) 性能的增益选项。 此器件还包括一个 dc 偏移校正环路,此环路可被用于消除 ADC 偏移。 还提供了双数据速率 (DDR) 低压差分信令 (LVDS) 和并行互补金属氧化物半导体 (CMOS) 数字输出接口。

虽然此器件包含内部基准,但是删除了传统基准引脚和相关的去耦电容器。 但是,此器件仍可由一个外部基准驱动。 此器件可在工业温度范围(-40°C 至 +85°C)内工作。

  • 最大采样率:250MSPS
  • 11 位分辨率
  • 总体功耗:250MSPS 时为 1.25W
  • 输出选项:
    • DDR LVDS 和并行 CMOS
  • 可编程增益:
    • 针对信噪比 (SNR) / 无杂散动态范围 (SFDR) 平衡,高达 6dB
  • DC 偏移校正
  • 串扰:90dB
  • 支持低至
    400mVPP输入时钟振幅,差分值
  • 支持内部和外部基准
  • 封装:9mm x 9mm 四方扁平无引线 (QFN)-64 封装

All trademarks are the property of their respective owners.

Sample rate (max) (Msps)250
Resolution (Bits)11
Number of input channels2
Interface typeDDR LVDS, Parallel CMOS
Analog input BW (MHz)700
FeaturesHigh Performance
RatingCatalog
Peak-to-peak input voltage range (V)2
Power consumption (typ) (mW)1250
ArchitecturePipeline
SNR (dB)66.5
ENOB (bit)10.6
SFDR (dB)98
Operating temperature range (°C)-40 to 85
Input bufferNo
VQFN (RGC)6481 mm² 9 x 9
产品购买
  • 商品型号
  • 封装
  • 工作温度
  • 包装
  • 价格
  • 现货库存
  • 操作
10s
温馨提示:
订单商品问题请移至我的售后服务提交售后申请,其他需投诉问题可移至我的投诉提交,我们将在第一时间给您答复
返回顶部