h1_key

TI(德州仪器) AFE4490
德州仪器 (TI) 全系列产品在线购买
  • TI(德州仪器) AFE4490
  • TI(德州仪器) AFE4490
  • TI(德州仪器) AFE4490
  • TI(德州仪器) AFE4490
  • TI(德州仪器) AFE4490
  • TI(德州仪器) AFE4490
立即查看
您当前的位置: 首页 > 数据转换器 > 集成型和特殊功能数据转换器 > 医疗 AFE > AFE4490
AFE4490

AFE4490

正在供货

适用于脉动式血氧计的集成模拟前端 (AFE)

产品详情
  • 说明
  • 特性
  • 参数
  • 封装 | 引脚 | 尺寸

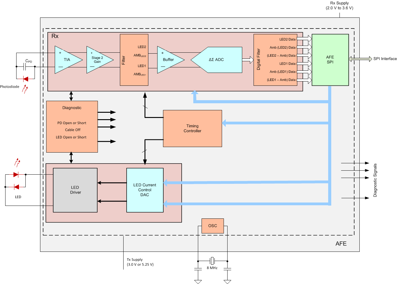
AFE4490 是一款非常适合于脉冲血氧仪应用的全集成模拟前端 (AFE)。 此器件包含一个具有 22 位模数转换器 (ADC) 的低噪声接收器通道,一个 LED 传输部件和针对传感器以及 LED 故障检测的诊断功能。 此器件是一款可配置定时控制器。 这个灵活性使得用户能够完全控制器件定时特性。 为了简化计时要求并为器件提供一个低抖动时钟,还集成了一个由外部晶振供频的振荡器。 此器件使用一个 SPI 接口与外部微控制器或主机处理器通信。

此器件是一个单体、紧凑型 VQFN-40 封装 (6mm x 6mm) 内的完整 AFE 解决方案,其额定工作温度范围为 -40°C 至 85°C。

  • 完全集成模拟前端,用于
    脉冲血氧仪应用:
    • 灵活的脉冲排序和
      定时控制
  • 发送:
    • 集成发光二极管 (LED) 驱动器(H 桥、推挽)
    • 整个范围内 110dB 动态范围(在低 LED 电流时实现低噪声)
    • LED 电流:
      • 50mA,75mA,100mA,150mA 和 200mA 的可编程范围,
        每个均具有 8 位电流分辨率
    • 低功耗:
      • 100µA + 平均 LED 电流
    • LED 接通时间可编程性从
      (50µs + 建立时间)到 4ms
    • 独立的 LED2,LED1 电流基准
  • 具有高动态范围的接收通道:
    • 输入相关噪声:
      50 pARMS(5µA PD 电流时测得)
    • 13.5 无噪声位(5µA PD 电流时测得)
    • 具有 1µA 至 10µA 可选环境电流的模拟环境消除机制
    • 3.0V 电源供电时,低功耗:< 2.3mW
    • Rx 采样时间:50µs 至 4ms
    • 具有 7 个单独 LED2 和 LED1 可编程反馈 R 和 C 设置的 I-V 放大器
    • 集成数字环境估算和删减
  • 集成式故障诊断:
    • 光电二极管和 LED 开路与
      短路检测
    • 线缆接通或断开检测
  • 电源:
    • Rx = 2.0V 至 3.6V
    • Tx = 3.0V 或 5.25V
  • 封装:紧凑型超薄四方扁平无引线 (VQFN)-40 (6mm x 6mm)
  • 额定温度范围:-40°C 至 85°C

应用范围

  • 医疗脉冲血氧仪应用
  • 工业光测量应用

All trademarks are the property of their respective owners.

ApplicationsClinical fingertip pulse oximetry, SpO2
Number of input channels1
Resolution (Bits)22
Number of LEDs2
Interface typeSPI
Operating temperature range (°C)-40 to 85
RatingCatalog
VQFN (RHA)4036 mm² 6 x 6
产品购买
  • 商品型号
  • 封装
  • 工作温度
  • 包装
  • 价格
  • 现货库存
  • 操作
10s
温馨提示:
订单商品问题请移至我的售后服务提交售后申请,其他需投诉问题可移至我的投诉提交,我们将在第一时间给您答复
返回顶部