h1_key

TI(德州仪器) ADS42B49
德州仪器 (TI) 全系列产品在线购买
  • TI(德州仪器) ADS42B49
  • TI(德州仪器) ADS42B49
  • TI(德州仪器) ADS42B49
  • TI(德州仪器) ADS42B49
  • TI(德州仪器) ADS42B49
  • TI(德州仪器) ADS42B49
立即查看
您当前的位置: 首页 > 数据转换器 > 模数转换器 (ADC) > 高速 ADC (≥10MSPS) > ADS42B49
ADS42B49

ADS42B49

正在供货

双通道、14 位、250MSPS 模数转换器 (ADC)

产品详情
  • 说明
  • 特性
  • 参数
  • 封装 | 引脚 | 尺寸

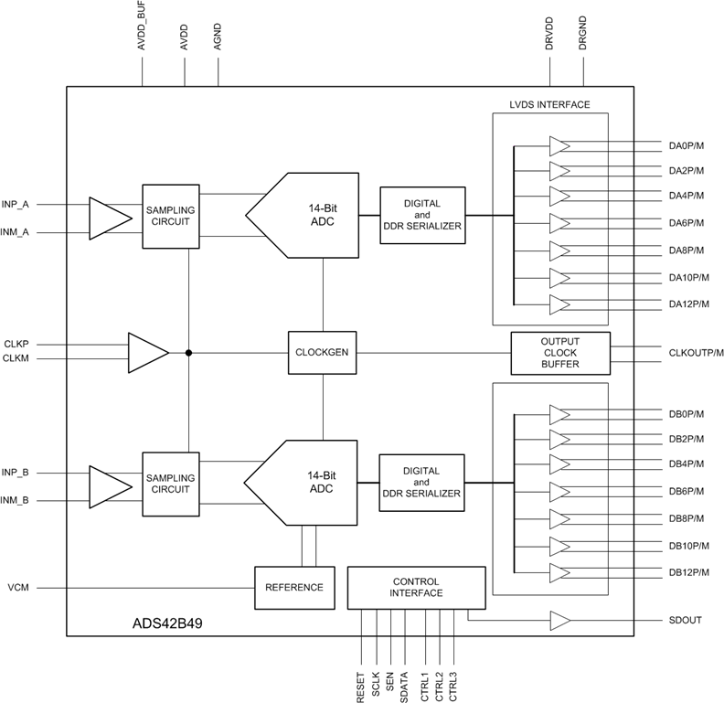
ADS42B49 是一款特有集成型模拟输入缓冲器的超低功耗双通道,14 位模数转换器 (ADC)。它使用创新性设计技巧以实现高动态性能,同时能耗极低。器件中的模拟输入缓冲器使得它易于驱动并且有助于在宽频率范围内实现高性能。ADS42B49 非常适合于多载波、高带宽通信 应用。

  • 最大采样速率:250 MSPS
  • 超低功耗:
    • 250 MSPS 时总体功耗 850mW
  • 集成型模拟输入缓冲器:
    • 输入电容:170MHz 时为 2.2pF
    • 输入电阻:170MHz 时为 1.1kΩ
  • 高动态性能:
    • 170MHz 时无杂散动态范围 (SFDR) 为 85dBc
    • 170MHz 时信噪比 (SNR) 为 70.7dBFS
  • 串扰:185MHz 时小于 85dB
  • 针对
    SNR 和 SFDR 折衷的可编程增益高达 6dB
  • DC 偏移校正
  • 输出接口选项:
    • 1.8V 并行 CMOS 接口
    • 支持可编程摆幅的双倍数据速率 (DDR) 低压动态信令 (LVDS):
      • 标准摆幅:350mV
      • 低摆幅:200mV
  • 支持低输入时钟振幅
    低至 200mVPP
  • 封装:9.00mm x 9.00mm,64 引脚四方扁平无引线 (VQFN) 封装

应用

  • 无线通信基础设施
  • 软件定义无线电
  • 功率放大器线性化

Sample rate (max) (Msps)250
Resolution (Bits)14
Number of input channels2
Interface typeDDR LVDS, Parallel CMOS
Analog input BW (MHz)600
FeaturesHigh Performance
RatingCatalog
Peak-to-peak input voltage range (V)1.9
Power consumption (typ) (mW)840
ArchitecturePipeline
SNR (dB)71.3
ENOB (bit)11.4
SFDR (dB)89
Operating temperature range (°C)-40 to 85
Input bufferYes
VQFN (RGC)6481 mm² 9 x 9
产品购买
  • 商品型号
  • 封装
  • 工作温度
  • 包装
  • 价格
  • 现货库存
  • 操作
10s
温馨提示:
订单商品问题请移至我的售后服务提交售后申请,其他需投诉问题可移至我的投诉提交,我们将在第一时间给您答复
返回顶部