h1_key

TI(德州仪器) ADS58H40
德州仪器 (TI) 全系列产品在线购买
  • TI(德州仪器) ADS58H40
  • TI(德州仪器) ADS58H40
  • TI(德州仪器) ADS58H40
  • TI(德州仪器) ADS58H40
  • TI(德州仪器) ADS58H40
  • TI(德州仪器) ADS58H40
立即查看
您当前的位置: 首页 > 射频与微波 > 宽带收发器、接收器、发射器 > 接收器 > ADS58H40
ADS58H40

ADS58H40

正在供货

四通道 14 位 250MSPS 接收器和反馈 IC

产品详情
  • 说明
  • 特性
  • 参数
  • 封装 | 引脚 | 尺寸

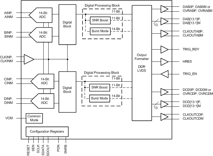
ADS58H40 是一款高线性,四通道,14 位,250MSPS 模数转换器 (ADC)。 四个 ADC 通道被分成两块,每块有两个 ADC。 每个块可被独立配置成为三个不同的运行模式。 一个运行模式包括 SNRBoost3G+ 信号处理技术的实现来在只使用 11 位分辨率的情况下在高达
90MHz 带宽内提供高信噪比 (SNR)。 针对低功耗和高无杂散动态范围 (SFDR) 而设计,此 ADC 具有低噪声性能以及在宽输入频率范围内出色的 SFDR。

  • 四通道
  • 三个不同的运行模式:
    • 11 位:250MSPS
    • 11 位 SNRBoost3G+:250MSPS
    • 14 位:250MSPS(突发模式)
  • 最大采样数据速率:250MSPS
  • 功率耗散:
    • 11 位模式:每通道 365mW
  • SNRBoost3G+ 带宽:2x 45MHz 或者 90MHz
  • 170MHz IF 上的频谱性能(典型值):
    • 信噪比 (SNR):在 SNRBoost3G+ 的 90MHz 波段下为 70.5dBFS
    • 无杂散动态范围 (SFDR):85dBc
  • DDR 低压差分信令 (LVDS) 数字输出接口
  • 144 热层球状引脚栅格阵列封装 (BGA) (10mm x 10mm)

应用范围

  • 多载波 GSM 蜂窝基础设施基站
  • 多载波多模式蜂窝基础设施基站
  • 针对无线基础设施有源天线阵列
  • 通信测试设备

All trademarks are the property of their respective owners.

Number of input channels4
Resolution (Bits)14
Sample rate (max) (Msps)250
FeaturesDecimating Filter, Differential Inputs, High Dynamic Range, Nap Mode, Out of Range Indicator, Power Down
Analog input BW (MHz)500
SFDR (typ) (dB)85
SNR (typ) (dB)71
Power consumption (typ) (mW)1460
Operating temperature range (°C)-40 to 85
RatingCatalog
NFBGA (ZCR)144100 mm² 10 x 10
产品购买
  • 商品型号
  • 封装
  • 工作温度
  • 包装
  • 价格
  • 现货库存
  • 操作
10s
温馨提示:
订单商品问题请移至我的售后服务提交售后申请,其他需投诉问题可移至我的投诉提交,我们将在第一时间给您答复
返回顶部