h1_key

TI(德州仪器) ADS131E08
德州仪器 (TI) 全系列产品在线购买
  • TI(德州仪器) ADS131E08
  • TI(德州仪器) ADS131E08
  • TI(德州仪器) ADS131E08
  • TI(德州仪器) ADS131E08
  • TI(德州仪器) ADS131E08
  • TI(德州仪器) ADS131E08
立即查看
您当前的位置: 首页 > 数据转换器 > 模数转换器 (ADC) > 精密 ADC > ADS131E08
ADS131E08

ADS131E08

正在供货

可用于电源监控和保护的 24 位 64kSPS 8 通道同步采样 Δ-Σ ADC

产品详情
  • 说明
  • 特性
  • 参数
  • 封装 | 引脚 | 尺寸

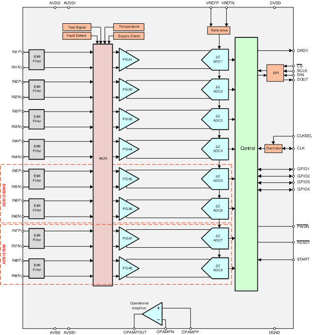
ADS131E0x 是一系列多通道同步采样、24 位 Δ-Σ 模数转换器 (ADC),内置可编程增益放大器(PGA)、内部基准和板载振荡器。凭借 ADC 的宽动态范围、可扩展数据传输速率以及内部故障检测监测计,ADS131E0x 受到工业电源监测和保护 以及测试和测量应用的青睐。真正的高阻抗输入支持 ADS131E0x 直接与电阻分压器网络或电压互感器相连以测量线路电压或与电流互感器或罗戈夫斯基线圈相连来测量电流。借助于高集成度和出色的性能,ADS131E0x 系列产品可在大大降低尺寸、功耗和总体成本的前提下创建可升级的工业用电源系统。

ADS131E0x 在每通道上有一个灵活输入多路复用器,此多路复用器被独立连接至内部生成信号以实现测试、温度、和故障检测。故障检测可在器件内部执行,此器件使用集成的带有受数模转换器 (DAC) 控制的触发电平的比较器。ADS131E0x 运行的数据速率可高达 64kSPS。

这些完整的模拟前端 (AFE) 解决方案封装在 TQFP-64 封装内并且额定工业用温度范围为 -40°C 至 +105°C。

  • 八路差分模数转换器 (ADC) 输入
  • 优异的性能:
    • 动态范围:1kSPS 时为 118dB
    • 串扰:-110dB
    • 总谐波失真 (THD):50Hz 和 60Hz 时为 -90dB
  • 模拟电源范围选项:
    • 3V 至 5V(单极)
    • ±2.5V(双极,允许直流耦合)
  • 数字:1.8V 至 3.6V
  • 低功耗:每通道 2mW
  • 数据速率:1,2,4,8,16,32,和 64kSPS
  • 可编程增益:1、2、4、8 和 12
  • 故障检测和器件测试功能
  • SPI™数据接口和四个通用输入输出接口 (GPIO)
  • 封装:薄型四方扁平封装 (TQFQ)-64 (PAG)
  • 工作温度范围:
    -40°C 至 +105°C
Resolution (Bits)24
Sample rate (max) (ksps)64
Number of input channels8
Interface typeSPI
ArchitectureDelta-Sigma
Input typeDifferential, Pseudo-Differential
Multichannel configurationSimultaneous Sampling
RatingCatalog
Reference modeExternal, Internal
Input voltage range (max) (V)4
Input voltage range (min) (V)0
FeaturesDaisy-Chainable, GPIO, Oscillator, PGA
Operating temperature range (°C)-40 to 105
Power consumption (typ) (mW)6
Analog supply (min) (V)2.7
Analog supply voltage (max) (V)5.25
SNR (dB)107
Digital supply (min) (V)1.8
Digital supply (max) (V)3.6
TQFP (PAG)64144 mm² 12 x 12
产品购买
  • 商品型号
  • 封装
  • 工作温度
  • 包装
  • 价格
  • 现货库存
  • 操作
10s
温馨提示:
订单商品问题请移至我的售后服务提交售后申请,其他需投诉问题可移至我的投诉提交,我们将在第一时间给您答复
返回顶部