h1_key

TI(德州仪器) ADC0802-N
德州仪器 (TI) 全系列产品在线购买
  • TI(德州仪器) ADC0802-N
  • TI(德州仪器) ADC0802-N
  • TI(德州仪器) ADC0802-N
  • TI(德州仪器) ADC0802-N
  • TI(德州仪器) ADC0802-N
  • TI(德州仪器) ADC0802-N
立即查看
您当前的位置: 首页 > 数据转换器 > 模数转换器 (ADC) > 精密 ADC > ADC0802-N
ADC0802-N

ADC0802-N

正在供货

具有 0.5 LSB INL 的 8 位单通道 µP 兼容型模数转换器

产品详情
  • 说明
  • 特性
  • 参数
  • 封装 | 引脚 | 尺寸

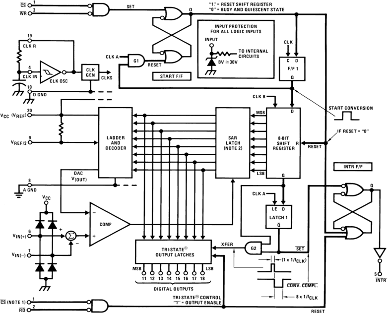
The ADC0801, ADC0802, ADC0803, ADC0804, and ADC0805 devices are CMOS 8-bit successive approximation converters (ADC) that use a differential potentiometric ladder – similar to the 256R products. These converters are designed to allow operation with the NSC800 and INS8080A derivative control bus with Tri-state output latches directly driving the data bus. These ADCs appear like memory locations or I/O ports to the microprocessor and no interfacing logic is needed.

Differential analog voltage inputs allow increasing the common-mode rejection and offsetting the analog zero input voltage value. In addition, the voltage reference input can be adjusted to allow encoding any smaller analog voltage span to the full 8 bits of resolution.

  • Compatible With 8080-µP Derivatives – No
    Interfacing Logic Needed – Access Time 135 ns
  • Easy Interface to All Microprocessors, or Operates
    as a Stand-Alone Deivce
  • Differential Analog Voltage Inputs
  • Logic Inputs and Outputs Meet Both MOS and
    TTL Voltage-Level Specifications
  • Works With 2.5-V (LM336) Voltage Reference
  • On-Chip Clock Generator
  • 0-V to 5-V Analog Input Voltage Range With
    Single 5-V Supply
  • No Zero Adjust Required
  • 0.3-Inch Standard Width 20-Pin DIP Package
  • 20-Pin Molded Chip Carrier or Small Outline
    Package
  • Operates Ratiometrically or With 5 VDC, 2.5 VDC,
    or Analog Span Adjusted Voltage Reference
  • Key Specifications
    • Resolution: 8 Bits
    • Total Error: ±1/4 LSB, ±1/2 LSB and ±1 LSB
    • Conversion Time: 100 µs
Resolution (Bits)8
Sample rate (max) (ksps)10
Number of input channels1
Interface typeParallel
ArchitectureSAR
Input typeDifferential
RatingCatalog
Reference modeExternal, Supply
Input voltage range (max) (V)5.5
Input voltage range (min) (V)0
Operating temperature range (°C)0 to 70
Power consumption (typ) (mW)5.5
Analog supply (min) (V)4.5
Analog supply voltage (max) (V)5.5
Digital supply (min) (V)4.5
Digital supply (max) (V)5.5
SOIC (DW)20131.84 mm² 12.8 x 10.3
产品购买
  • 商品型号
  • 封装
  • 工作温度
  • 包装
  • 价格
  • 现货库存
  • 操作
10s
温馨提示:
订单商品问题请移至我的售后服务提交售后申请,其他需投诉问题可移至我的投诉提交,我们将在第一时间给您答复
返回顶部