h1_key

TI(德州仪器) DAC3152
德州仪器 (TI) 全系列产品在线购买
  • TI(德州仪器) DAC3152
  • TI(德州仪器) DAC3152
  • TI(德州仪器) DAC3152
  • TI(德州仪器) DAC3152
  • TI(德州仪器) DAC3152
  • TI(德州仪器) DAC3152
立即查看
您当前的位置: 首页 > 数据转换器 > 数模转换器 (DAC) > 高速 DAC (> 10MSPS) > DAC3152
DAC3152

DAC3152

正在供货

具有灌电流输出的双通道、10 位、500MSPS 数模转换器 (DAC)

产品详情
  • 说明
  • 特性
  • 参数
  • 封装 | 引脚 | 尺寸

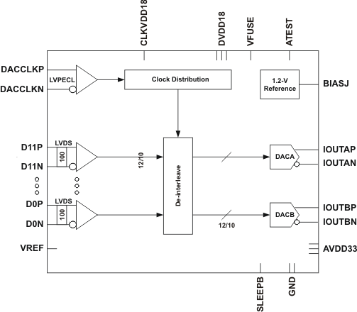
The DAC3152/DAC3162 is a low-power, low-latency, high-dynamic-range, dual-channel, 10-/12-bit, pin-compatible family of digital-to-analog converters (DACs) with a sample rate as high as 500 MSPS.

The device simplicity (no software required), low latency, and low power simplify the design of complex systems. The DACs interface seamlessly with the high-performance TRF370333 analog quadrature modulator for direct upconversion architectures.

Digital data for both DAC channels is interleaved through a single LVDS data bus with on-chip termination. The high input rate of the devices allows the processing of wide-bandwidth signals.

The devices are characterized for operation over the entire industrial temperature range of –40°C to 85°C and are available in a small 48-pin 7-mm × 7-mm QFN package.

The low power, small size, speed, superior crosstalk, simplicity, and low latency of the DAC3152/DAC3162 make them an attractive fit for a variety of applications.

  • Low Power: 270 mW at 500 MSPS
  • LVDS Input Data Bus
    • Interleaved DDR Data Load
  • High DC Accuracy: ±0.25 LSB DNL (10-bit),
    ± 0.5 LSB INL (12-bit)
  • Low Latency: 1.5 Clock Cycles
  • Simple Control: No Software Required
  • Differential Scalable Output: 2 mA to 20 mA
  • On-Chip 1.2-V Reference
  • 1.8-V and 3.3-V DC Supplies
  • Space Saving Package: 48-pin 7-mm × 7-mm QFN
  • APPLICATIONS
    • Cellular Base Stations
    • Wideband Communications
    • Medical Instrumentation
    • Test and Measurement

Resolution (Bits)10
Number of DAC channels2
Interface typeDDR LVDS, Parallel LVDS
Sample/update rate (Msps)500
FeaturesLow Power
RatingCatalog
Interpolation1x
Power consumption (typ) (mW)250
SFDR (dB)78
ArchitectureCurrent Sink
Operating temperature range (°C)-40 to 85
Reference typeInt
VQFN (RGZ)4849 mm² 7 x 7
产品购买
  • 商品型号
  • 封装
  • 工作温度
  • 包装
  • 价格
  • 现货库存
  • 操作
10s
温馨提示:
订单商品问题请移至我的售后服务提交售后申请,其他需投诉问题可移至我的投诉提交,我们将在第一时间给您答复
返回顶部