h1_key

TI(德州仪器) LMP92018
德州仪器 (TI) 全系列产品在线购买
  • TI(德州仪器) LMP92018
  • TI(德州仪器) LMP92018
  • TI(德州仪器) LMP92018
  • TI(德州仪器) LMP92018
  • TI(德州仪器) LMP92018
  • TI(德州仪器) LMP92018
立即查看
您当前的位置: 首页 > 数据转换器 > 集成型和特殊功能数据转换器 > 集成型精密 ADC 和 DAC > LMP92018
LMP92018

LMP92018

正在供货

用于模拟监视和控制的集成多通道 ADC 和 DAC

产品详情
  • 说明
  • 特性
  • 参数
  • 封装 | 引脚 | 尺寸

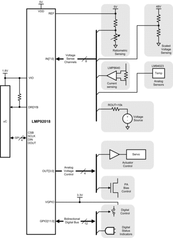
LMP92018 is a complete analog monitoring and control circuit which integrates an eight channel 10-bit Analog-to-Digital Converter (ADC), four 10-bit Digital-to-Analog Converters (DACs), an internal reference, an internal temperature sensor, a12-bit GPIO port, and a 10MHz SPI interface.

The eight channels of the ADC can be used to monitor rail voltages, current sense amplifier outputs, health monitors or sensors while the four DACs can be used to control PA (Power Amplifier) bias points, control actuators, potentiometers, etc.

Both the ADC and DACs can use either the internal 2.5V reference or an external reference independently allowing for flexibility in system design.

The built-in digital temperature sensor enables accurate (±2.5°C) local temperature measurement whose value is captured in the user accessible register.

The LMP92018 also includes a 12-bit GPIO port which allows for the resources of the microcontroller to be further extended, thus providing even more flexibility and reducing the number of signal interfacing to the microcontroller.

Both the GPIO port and the SPI compatible interface have independent supply pins enabling the LMP92018 to interface with low voltage microcontrollers.

The LMP92018 is available in a space saving 36-pin WQFN package and is specified over the full -30°C to +85°C temperature range.

  • 8 ANALOG VOLTAGE MONITORING CHANNELS
    • 10-Bit ADC with Programmable Input MUX
    • Internal/External Reference
    • Tolerates High-Source Impedance at Lower Sampling Rates
  • 4 PROGRAMMABLE ANALOG VOLTAGE OUTPUTS
    • Four 10-Bit DACs
    • Internal/External Reference
    • Drives Loads up to 1nF
  • VOLTAGE REFERENCE
    • User-Selectable Source: External or Internal
    • Internal Reference 2.5V
  • TEMPERATURE SENSOR
    • ±2.5°C Accuracy
  • 12-BIT GPIO PORT
    • Each Bit Individually Programmable
    • User-Selectable Rail
  • SPI-COMPATIBLE BUS
    • User-Selectable Rail

All trademarks are the property of their respective owners.

Number of ADC channels8
ADC resolution (Bps)10
Number of DAC channels4
DAC resolution (Bps)10
Temperature sensingLocal
Number of GPIOs12
Interface typeSPI
Operating temperature range (°C)-40 to 125
RatingCatalog
ADC sampling rate (ksps)500
ADC analog input range (min) (V)0
ADC analog input range (max) (V)5
DAC settling time (µs)20
DAC output full-scale (min) (V)0
DAC output full-scale (max) (V)5
WQFN (NJK)3636 mm² 6 x 6
产品购买
  • 商品型号
  • 封装
  • 工作温度
  • 包装
  • 价格
  • 现货库存
  • 操作
10s
温馨提示:
订单商品问题请移至我的售后服务提交售后申请,其他需投诉问题可移至我的投诉提交,我们将在第一时间给您答复
返回顶部