h1_key

TI(德州仪器) ADC12D1600RF
德州仪器 (TI) 全系列产品在线购买
  • TI(德州仪器) ADC12D1600RF
  • TI(德州仪器) ADC12D1600RF
  • TI(德州仪器) ADC12D1600RF
  • TI(德州仪器) ADC12D1600RF
  • TI(德州仪器) ADC12D1600RF
  • TI(德州仪器) ADC12D1600RF
立即查看
您当前的位置: 首页 > 数据转换器 > 模数转换器 (ADC) > 高速 ADC (≥10MSPS) > ADC12D1600RF
ADC12D1600RF

ADC12D1600RF

正在供货

12 位双通道 1.6GSPS 或单通道 3.2GSPS 射频采样模数转换器 (ADC)

产品详情
  • 说明
  • 特性
  • 参数
  • 封装 | 引脚 | 尺寸

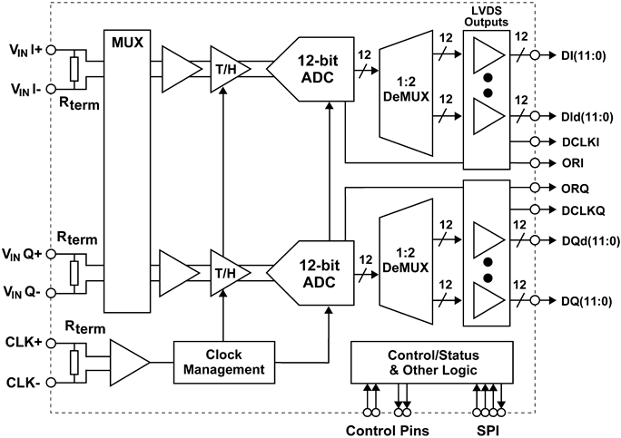
The 12-bit 3.2- and 2-GSPS ADC12D1x00RF is an RF-sampling GSPS ADC that can directly sample input frequencies up to and above 2.7 GHz. The ADC12D1x00RF augments the very large Nyquist zone of TI’s GSPS ADCs with excellent noise and linearity performance at RF frequencies, extending its usable range beyond the 3rd Nyquist zone

The ADC12D1x00RF provides a flexible LVDS interface which has multiple SPI programmable options to facilitate board design and FPGA/ASIC data capture. The LVDS outputs are compatible with IEEE 1596.3-1996 and supports programmable common-mode voltage. The product is packaged in a lead-free 292-ball thermally enhanced BGA package over the rated industrial temperature range of –40°C to 85°C.

  • Excellent Noise and Linearity up to and Above fIN =
    2.7 GHz
  • Configurable to Either 3.2 or 2 GSPS Interleaved
    or 1600 or 1000 MSPS Dual ADC
  • New DESCLKIQ Mode for High Bandwidth, High
    Sampling Rate Apps
  • Pin-Compatible With ADC10D1x00, ADC12D1x00
  • AutoSync Feature for Multi-Chip Synchronization
  • Internally Terminated, Buffered, Differential Analog
    Inputs
  • Interleaved Timing Automatic and Manual Skew
    Adjust
  • Test Patterns at Output for System Debug
  • Time Stamp Feature to Capture External Trigger
  • Programmable Gain, Offset, and tAD Adjust
    Feature
  • 1:1 Non-Demuxed or 1:2 Demuxed LVDS Outputs
  • Key Specifications
    • Resolution 12 Bits
    • Interleaved 3.2- and 2-GSPS ADC
      • IMD3 (Fin = 2.7 GHz at –13 dBFS) –63.7/–73
        dBFS (Typical)
      • IMD3 (Fin = 2.7 GHz at –16 dBFS) –66.7/–85
        dBFS (Typical)
      • Noise Floor –154.6/–154 dBm/Hz (Typical)
      • Power 3.94/3.42 W (Typical)
    • Dual 1600/1000 MSPS ADC, Fin = 498 MHz
      • ENOB 9.2/9.4 Bits (Typical)
      • SNR 58.2/58.8 dB (Typical)
      • SFDR 66.7/71.9 dBc (Typical)
      • Power per Channel 1.97/1.71 W (Typical)
Sample rate (max) (Msps)1600, 3200
Resolution (Bits)12
Number of input channels1, 2
Interface typeParallel LVDS
Analog input BW (MHz)2700
FeaturesUltra High Speed
RatingCatalog
Peak-to-peak input voltage range (V)0.8
Power consumption (typ) (mW)3880
ArchitectureFolding Interpolating
SNR (dB)59
ENOB (bit)9.4
SFDR (dB)75
Operating temperature range (°C)-40 to 85
Input bufferYes
PBGA (NXA)292729 mm² 27 x 27
产品购买
  • 商品型号
  • 封装
  • 工作温度
  • 包装
  • 价格
  • 现货库存
  • 操作
10s
温馨提示:
订单商品问题请移至我的售后服务提交售后申请,其他需投诉问题可移至我的投诉提交,我们将在第一时间给您答复
返回顶部