h1_key

TI(德州仪器) DAC161P997
德州仪器 (TI) 全系列产品在线购买
  • TI(德州仪器) DAC161P997
  • TI(德州仪器) DAC161P997
  • TI(德州仪器) DAC161P997
  • TI(德州仪器) DAC161P997
  • TI(德州仪器) DAC161P997
  • TI(德州仪器) DAC161P997
立即查看
您当前的位置: 首页 > 数据转换器 > 数模转换器 (DAC) > 精密 DAC (≤10MSPS) > DAC161P997
DAC161P997

DAC161P997

正在供货

用于 4-20mA 环路的单线 16 位 DAC

产品详情
  • 说明
  • 特性
  • 参数
  • 封装 | 引脚 | 尺寸

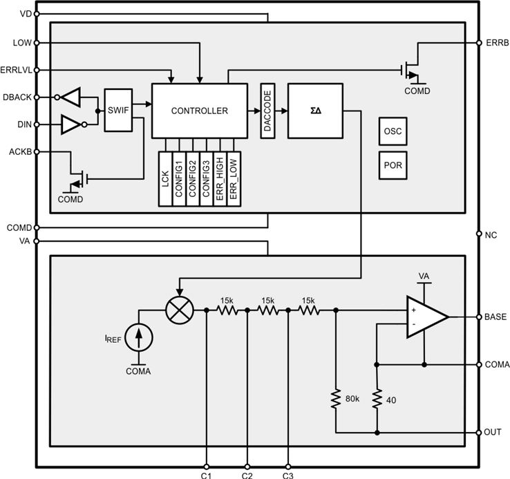
The DAC161P997 is a 16-bit ΣΔ digital-to-analog converter (DAC) for transmitting an analog output current over an industry standard 4-20 mA current loop. It offers 16-bit accuracy with a low output current temperature coefficient (29 ppm/°C) and excellent long-term output current drift (90 ppmFS) while consuming less than 190 µA.

The data link to the DAC161P997 is a Single Wire Interface (SWIF) which allows sensor data to be transferred in digital format over an isolation boundary using a single isolation component. The DAC161P997’s digital input is compatible with standard isolation transformers and opto-couplers. Error detection and handshaking features within the SWIF protocol ensure error free communication across the isolation boundary. For applications where isolation is not required, the DAC161P997 interfaces directly to a microcontroller.

The loop drive of the DAC161P997 interfaces to a HART (Highway Addressable Remote Transducer) modulator, allowing injection of FSK modulated digital data into the 4-20 mA current loop. This combination of specifications and features makes the DAC161P997 ideal for 2- and 4-wire industrial transmitters.

The DAC161P997 is available in a 16-lead WQFN package and is specified over the extended industrial temperature range of –40°C to 105°C.

  • 16-Bit Linearity
  • Single-Wire Interface (SWIF), with Handshake
  • Digital Data Transmission (No Loss of Fidelity)
  • Pin Programmable Power-Up Condition
  • Self Adjusting to Input Data Rate
  • Loop Error Detection and Rreporting
  • Programmable Output Current Error Level
  • No External Precision Components
  • Simple Interface to HART Modulator
  • Small Package: WQFN-16 (4 × 4 mm, 0.5 mm Pitch)
  • Key
    • Output Current TempCo: 29 ppmFS/°C (Max)
    • Long-Term Output Current Drift: 90 ppmFS (Typ)
    • INL: 3.3/–2.1 µA(Max)
    • Total Supply Current: 190 µA (Max)

Application

  • Two-Wire, 4-20 mA Current Loop Transmitter
  • Industrial Process Control
  • Actuator Control
  • Factory Automation
  • Building Automation
  • Precision Instruments
  • Data Acquisition Systems
  • Test Systems

All trademarks are the property of their respective owners.

Resolution (Bits)16
Number of DAC channels1
Interface typeSingle-Wire
Output typeBuffered Current
Features4-20mA loop transmitter, Low Power
Reference typeExt
ArchitectureDelta-Sigma
RatingCatalog
Output range (max) (mA/V)24
Output range (min) (mA/V)0
Power consumption (typ) (mW)0.5
Operating temperature range (°C)-40 to 105
WQFN (RGH)1616 mm² 4 x 4
产品购买
  • 商品型号
  • 封装
  • 工作温度
  • 包装
  • 价格
  • 现货库存
  • 操作
10s
温馨提示:
订单商品问题请移至我的售后服务提交售后申请,其他需投诉问题可移至我的投诉提交,我们将在第一时间给您答复
返回顶部