h1_key

TI(德州仪器) ADS4246
德州仪器 (TI) 全系列产品在线购买
  • TI(德州仪器) ADS4246
  • TI(德州仪器) ADS4246
  • TI(德州仪器) ADS4246
  • TI(德州仪器) ADS4246
  • TI(德州仪器) ADS4246
  • TI(德州仪器) ADS4246
立即查看
您当前的位置: 首页 > 数据转换器 > 模数转换器 (ADC) > 高速 ADC (≥10MSPS) > ADS4246
ADS4246

ADS4246

正在供货

双通道、14 位、160MSPS 模数转换器 (ADC)

产品详情
  • 说明
  • 特性
  • 参数
  • 封装 | 引脚 | 尺寸

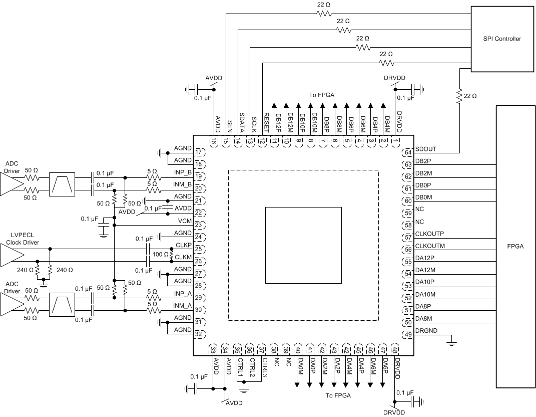
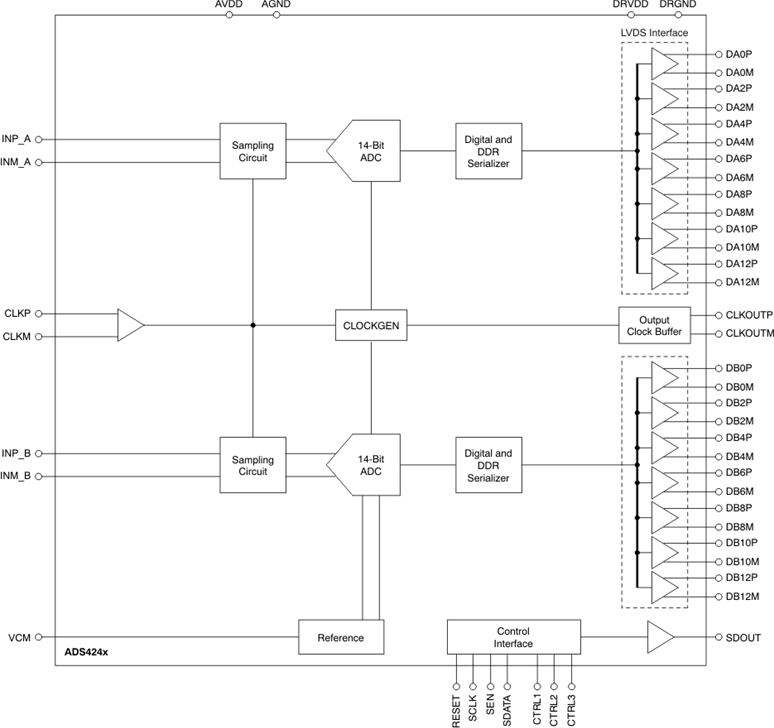
ADS424x 和 ADS422x 系列器件是 ADS42xx 超低功耗系列双通道 14 位/12 位模数转换器 (ADC) 的低速变型产品。该器件凭借创新设计技术实现了高动态性能,并且采用 1.8V 电源供电运行,功耗极低。该拓扑使 ADS424x/422x 非常适合多载波、大带宽通信应用。

  • 超低功耗,采用 1.8V 单电源供电,CMOS 输出:
    • 65MSPS 时的总功耗为 183mW
    • 125MSPS 时的总功耗为 277mW
    • 160MSPS 时的总功耗为 332mW
  • 高动态性能:
    • 170MHz 时的无杂散动态范围 (SFDR) 为 88dBc
    • 170MHz 时的信噪比 (SNR) 为 71.4dBFS
  • 串扰:185MHz 时大于 90dB
  • 高达 6dB 的可编程增益支持 SNR/SFDR 权衡
  • 直流偏移校正
  • 输出接口选项:
    • 1.8V 并行 CMOS 接口
    • 支持可编程摆幅的双倍数据速率 (DDR) 低压差分信令 (LVDS):
      • 标准摆幅:350mV
      • 低摆幅:200mV
  • 支持低至 200mV PP 的输入时钟幅值
  • 封装:VQFN-64 (9.00mm × 9.00mm)
Sample rate (max) (Msps)160
Resolution (Bits)14
Number of input channels2
Interface typeDDR LVDS, Parallel CMOS
Analog input BW (MHz)600
FeaturesLow Power
RatingCatalog
Peak-to-peak input voltage range (V)2
Power consumption (typ) (mW)332
ArchitecturePipeline
SNR (dB)73.6
ENOB (bit)11.5
SFDR (dB)91
Operating temperature range (°C)-40 to 85
Input bufferNo
VQFN (RGC)6481 mm² 9 x 9
产品购买
  • 商品型号
  • 封装
  • 工作温度
  • 包装
  • 价格
  • 现货库存
  • 操作
10s
温馨提示:
订单商品问题请移至我的售后服务提交售后申请,其他需投诉问题可移至我的投诉提交,我们将在第一时间给您答复
返回顶部